Whirlpool Free Standing Electric Range YKERC507HW4 Timer Repair

What is the timer/clock part number for the Whirlpool YKERC507HW4 Free Standing Electric Range?

Timer part number 8190670 for Whirlpool YKERC507HW4

The YKERC507HW4 Free Standing Electric Range uses timer part number 8190670.

Do you have a failed Whirlpool YKERC507HW4 control panel? Click here:

Request Appliance Timer Service

We can repair or replace your faulty Whirlpool YKERC507HW4 timer.

YKERC507HW4 Schematic and Wiring Diagrams

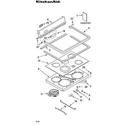
Cooktop Parts diagram
YKERC507HW4 Free Standing Electric Range Cooktop Parts diagram
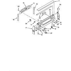
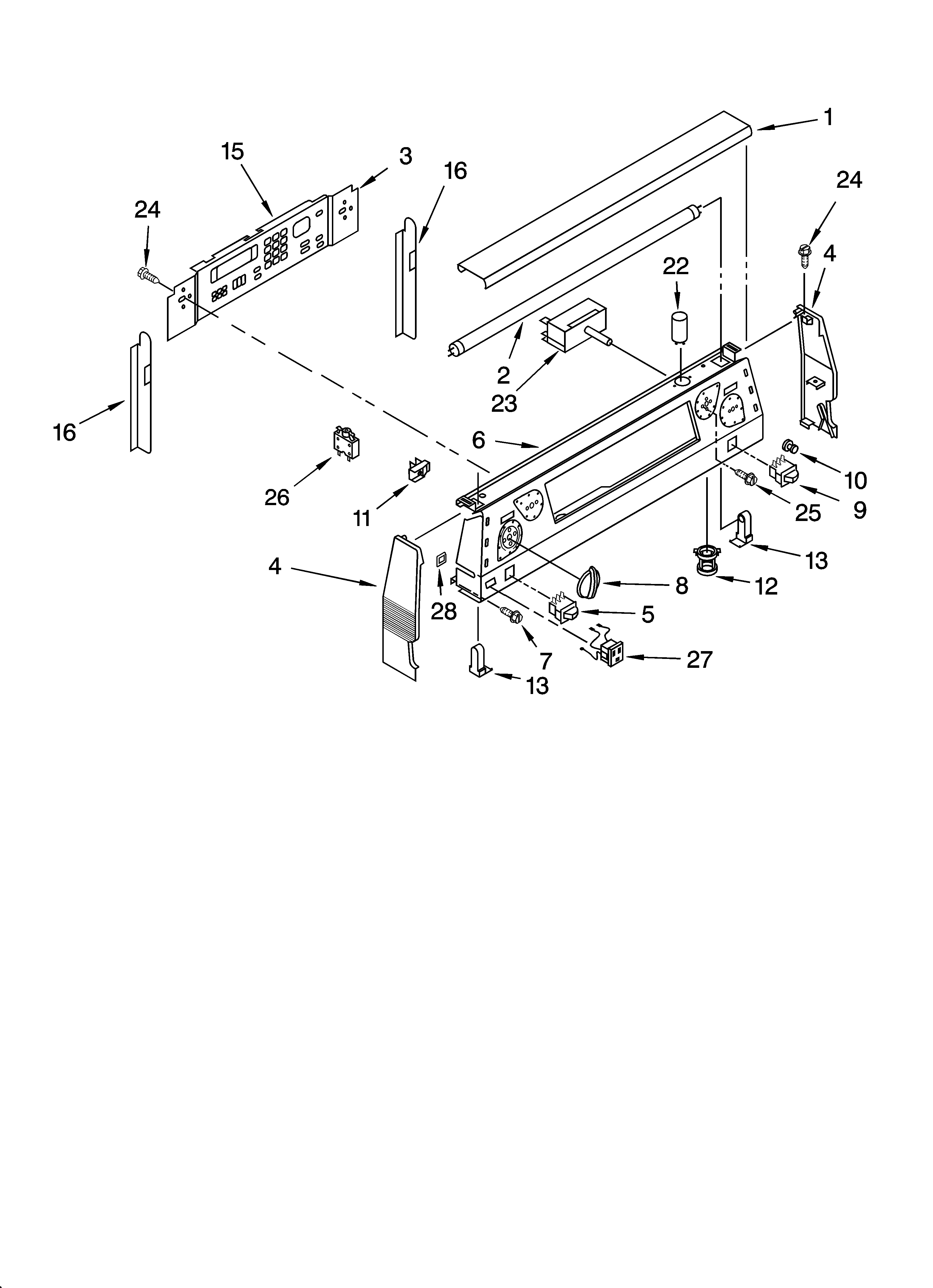
Control panel Parts diagram
YKERC507HW4 Free Standing Electric Range Control panel Parts diagram
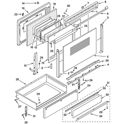
Door and drawer Parts diagram
YKERC507HW4 Free Standing Electric Range Door and drawer Parts diagram
Oven chassis Parts diagram
YKERC507HW4 Free Standing Electric Range Oven chassis Parts diagram
Oven Parts diagram
YKERC507HW4 Free Standing Electric Range Oven Parts diagram
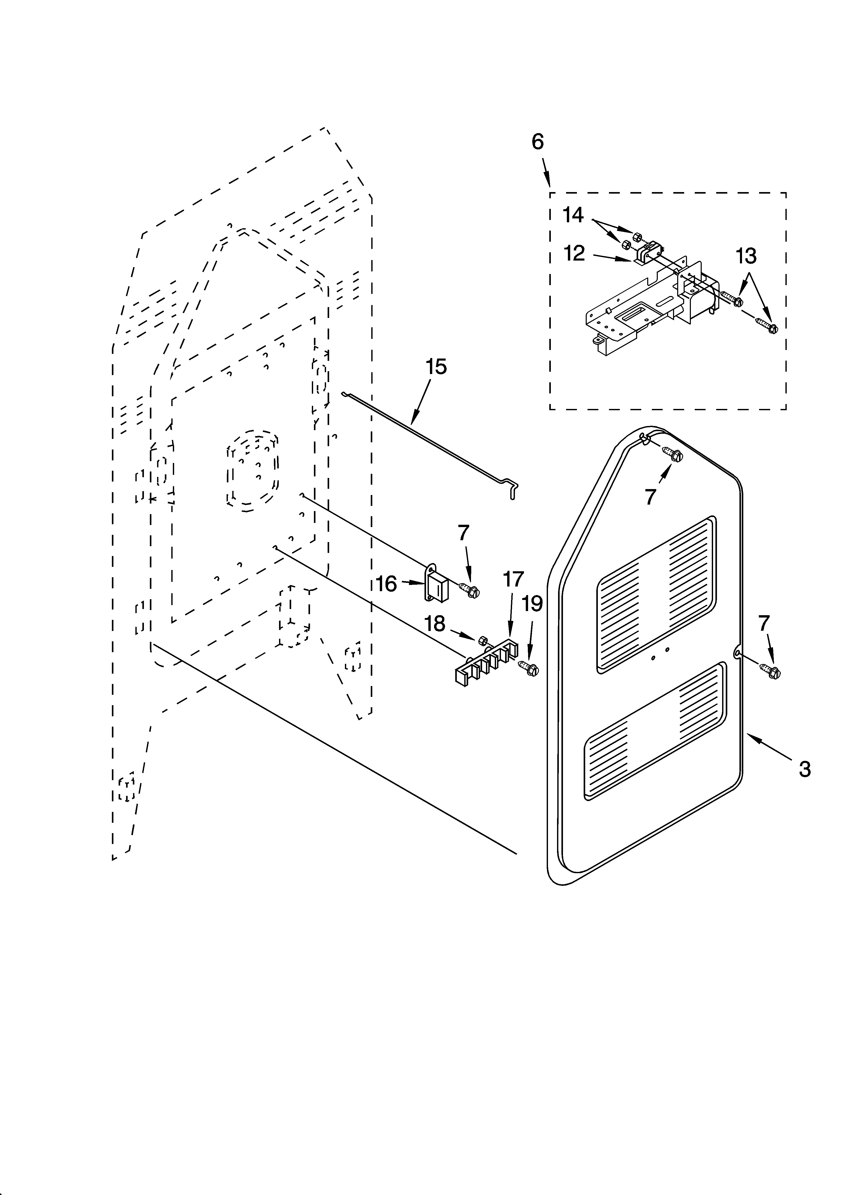
Rear chassis Parts diagram
YKERC507HW4 Free Standing Electric Range Rear chassis Parts diagram
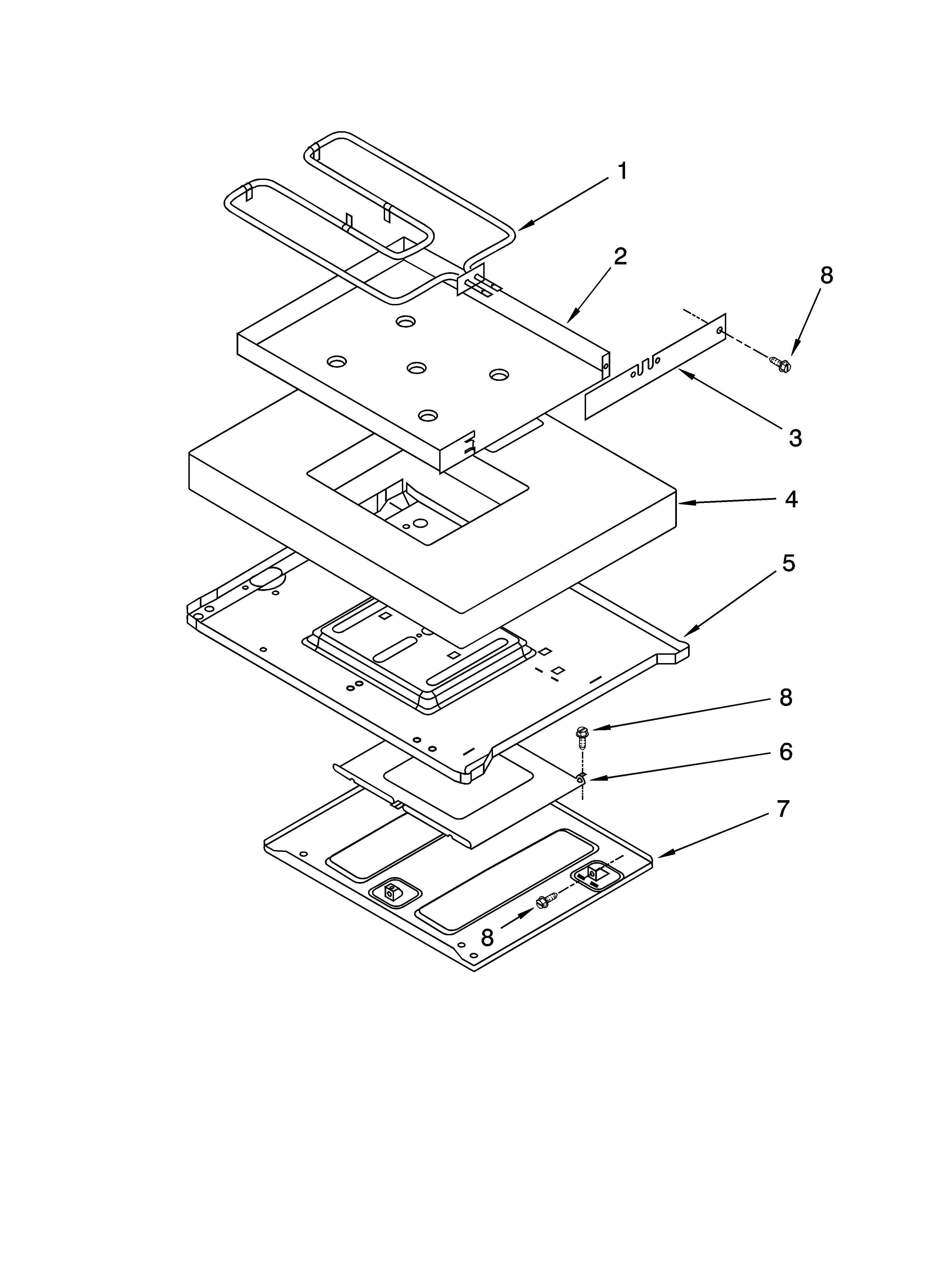
Hidden bake Parts diagram
YKERC507HW4 Free Standing Electric Range Hidden bake Parts diagram

Recent Service Requests

CityProblem DescriptionResolution
Saskatoon, SaskatchewanIntermittently displays "PF" even thought there has not been an interruption of power. Display will will go blank prior to the "PF" displaying.Beyond Repair
Victoria, British ColumbiaOven will not work. Beeps error code F2 E5Awaiting receipt of timer
Coquitlam, British Columbiabuttons do not workAwaiting receipt of timer
Welland, OntarioI CAN NOT READ THE TEMPERATURE.Awaiting receipt of timer
Gatineau, QuebecI have a problem with the stability of the temperature in the oven. After a while the temperature in the oven can drop 30 degrees (i.e. While baking a cake the temperature drops from 350 to 320 making the cake to fall) I have checked the elements and they look fine (continuity and amperage). I have installed a new heat sensor in the oven. The problem persists.Repaired
St. John's, Newfoundland and Labradorburnt electronic chip and relay. I will buy a reconditioned control panel if you have oneAwaiting receipt of timer
Toronto, OntarioOr purchase a new one if availableAwaiting receipt of timer
PHELPSTON, OntarioHad slight problem a month ago when using self-cleaning feature. Door kept unlocking and locking on its own many times during the cycle.
Now, oven just stopped working about 30 minutes into a one hour cooking. Failure happened when we attempted to reset the baking timer. The number touchpad was not working and then other keys were no longer working. Even the off switch is not working properly; it resets the baking time. Code F2 E0 appeared after a while.
Beyond Repair
Steinbach, ManitobaUnable to use unit, just beeps error code.Repaired
Cambridge, OntarioOven overheats, does not maintain heat settings. In particular when set to bake
300 degrees F, heat rises above 400 degrees F.
I will deliver and pick up control module. Thank you for your ssistance.
Colin.
Awaiting receipt of timer
Cambridge, OntarioOven overheats, does not maintain heat settings. In particular when set to bake
300 degrees F, heat rises above 400 degrees F.
I will deliver and pick up control module. Thank you for your ssistance.
Colin.
Awaiting receipt of timer
Montreal, QuébecProblem was intermittent so tried to reseat the panel connector, must have damaged the cable. The electronics seem fine, only the touch panel is "broken"Awaiting receipt of timer

Common problems for Whirlpool Free Standing Electric Range YKERC507HW4 Timer Repair

Are you encountering a similar problem as them? Contact us now and we will try to help you fix your YKERC507HW4 timer-related problem.
replaced the door spring and inner bulb with the help of this forum, had to remove the control panel to change bulb in micro, put it back together, now not resetting clock after microwave done cooking when you open the door like before, also microwave fan continues on when you open door while cooking but turntable stops, where before fan and everything stopped before when door opened, saw someone did have a problem with ground that caused somewhat of the same problem, checked ground clip on back of control panel, seems tight, any help appreciated,
I have a Canadian-made KitchenAid oven. The Model number differs slightly from the U.S. version, i.e., mine is YKERC507EW3. I believe the corresponding U.S. version is KERC507WH3. The touchpad is erratic. Sometimes when inputting in the clock function, the display will instead show up in the Temp. control, i.e., if setting 5:00 minutes in clock mode, instead the display will show 500 degrees oven temp. has been set. The oven will then heat to 500 degrees, and the intended 5:00 minute clock does not register. Also, the oven heat seems to be innaccurate, sometimes spontaneously going into Broil mode. I suspect the Oven control, Whirlpool Part AP2995057 should be replaced. I understand you don't ship to Canada, but I have a U.S. shipping destination. Please advise if the above named part is likely to fix the problem, and if I am correct in assuming compatibility between the Canadian and U.S. Model numbers given.
Hi, I have a KitchenAid Electric oven Model #YKERC507EW2. Recently I had been roasting (convection) in the oven and after a while the oven started beeping and the F2 error code appeared. The oven then kept keeping and displaying the error for a while so I shut it off, let it cool for a while. While cooling, the temperature would suddenly appear on the display with the "start" flashing .. so I finally just unplugged it and left it for the night. Next day when I plugged it back in, tried to set the clock but when I select the time/clock button the "500 degree" temperature appears. This happens with the bake options and the convection roast .. nothing appears when I select the convection broil and bake buttons - My research indicates possibly an "oven sensor" problem, or ERC.. How difficult is it to replace the "sensor" ? and How would I know if it is the "sensor" vs "ERC"? Any adivce would be greatly appreciated.
Kitchen-Aid Electric control panel buttons stopped working I have a Kitchen-aid electric oven/oven. Model #YKERC507HW4 and button #2, #4, and "clock set/start" buttons stopped working. Any ideas on what may be the problem?
hoW TO ASSEMBLE door for KitchenAid range and attach it to the range. Note: the door hinges sprung inside the range
hey there i recently moved into a place and i have a kitchenaid range in it. The range top works fine but everytime i go to use the actual oven i get a code "F2E1" and it won't work. i think its a 2002 or 2003 model. whats wrong with my range do i need a new one or is it fixable?
Hello, I have a range YKERC507HW4 and the light in the over does not turn on. I checked the bulb and it looks OK. What else could be? I was moving the range recently and could shake it.