Whirlpool Free Standing Electric Range YKERC507HW2 Timer Repair

What is the timer/clock part number for the Whirlpool YKERC507HW2 Free Standing Electric Range?

Timer part number 8190681 for Whirlpool YKERC507HW2

The YKERC507HW2 Free Standing Electric Range uses timer part number 8190681.

Do you have a failed Whirlpool YKERC507HW2 control panel? Click here:

Request Appliance Timer Service

We can repair or replace your faulty Whirlpool YKERC507HW2 timer.

YKERC507HW2 are also sometimes referred to using these Alternative Names/Model numbers

YKERC507HS4, YKERC507HT3, YKERC507HS3, YKERC507HB4, YKERC507HB5, YKERC507HT4, YKERC507HW4, YKERC507HS5, YKERC507HW5, YKERC507HB3, YKERC507HW3, YKERC507HT5

YKERC507HW2 Schematic and Wiring Diagrams

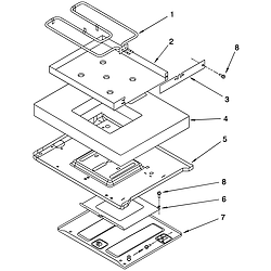
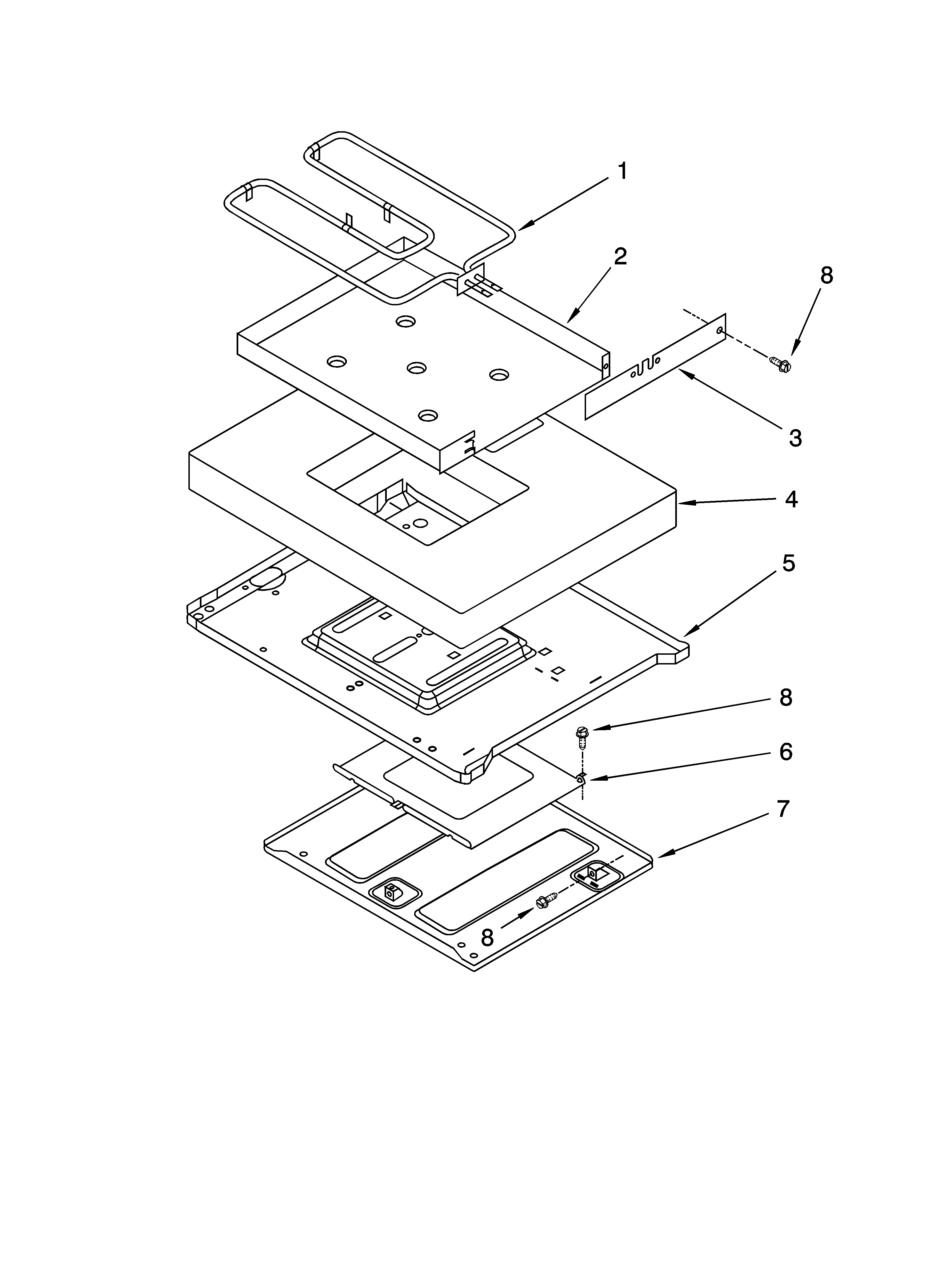
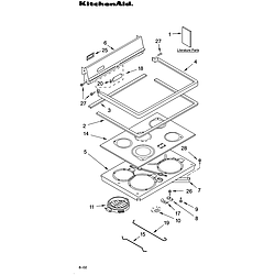
Cooktop Parts diagram
YKERC507HW2 Free Standing Electric Range Cooktop Parts diagram
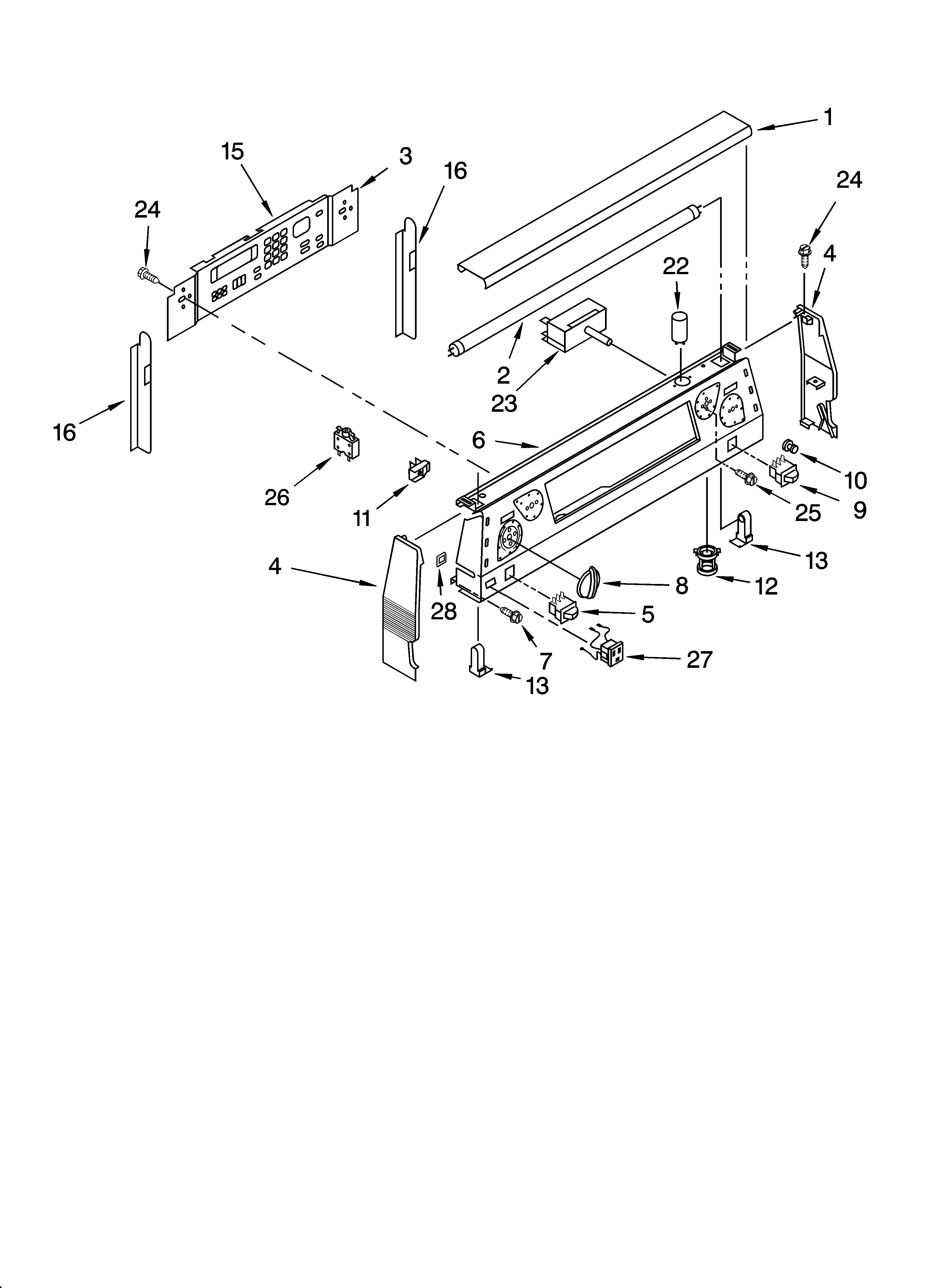
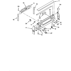
Control panel Parts diagram
YKERC507HW2 Free Standing Electric Range Control panel Parts diagram
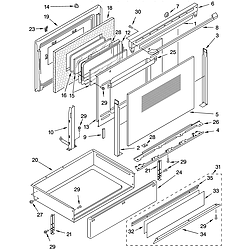
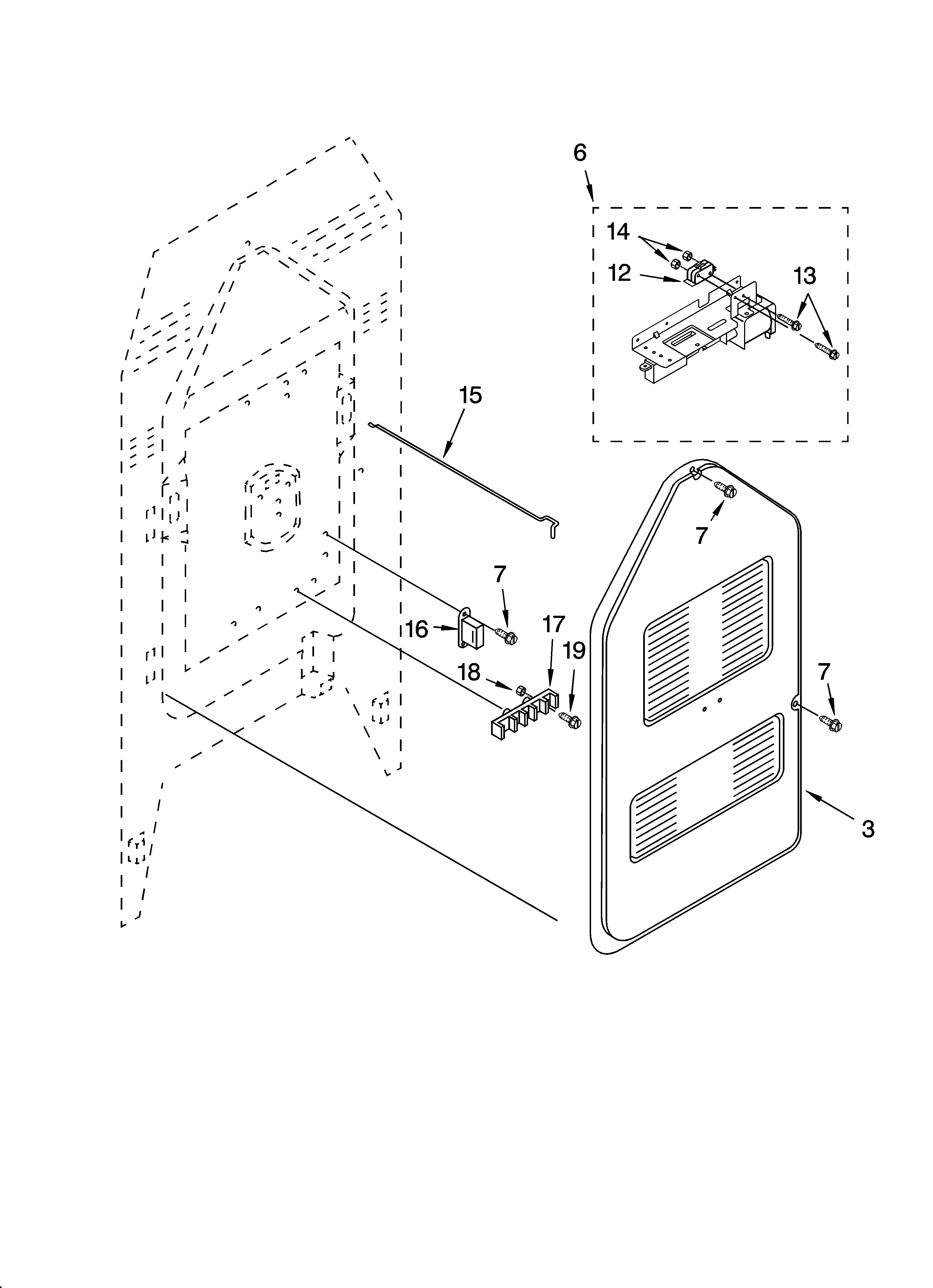
Door and drawer Parts diagram
YKERC507HW2 Free Standing Electric Range Door and drawer Parts diagram
Oven chassis Parts diagram
YKERC507HW2 Free Standing Electric Range Oven chassis Parts diagram
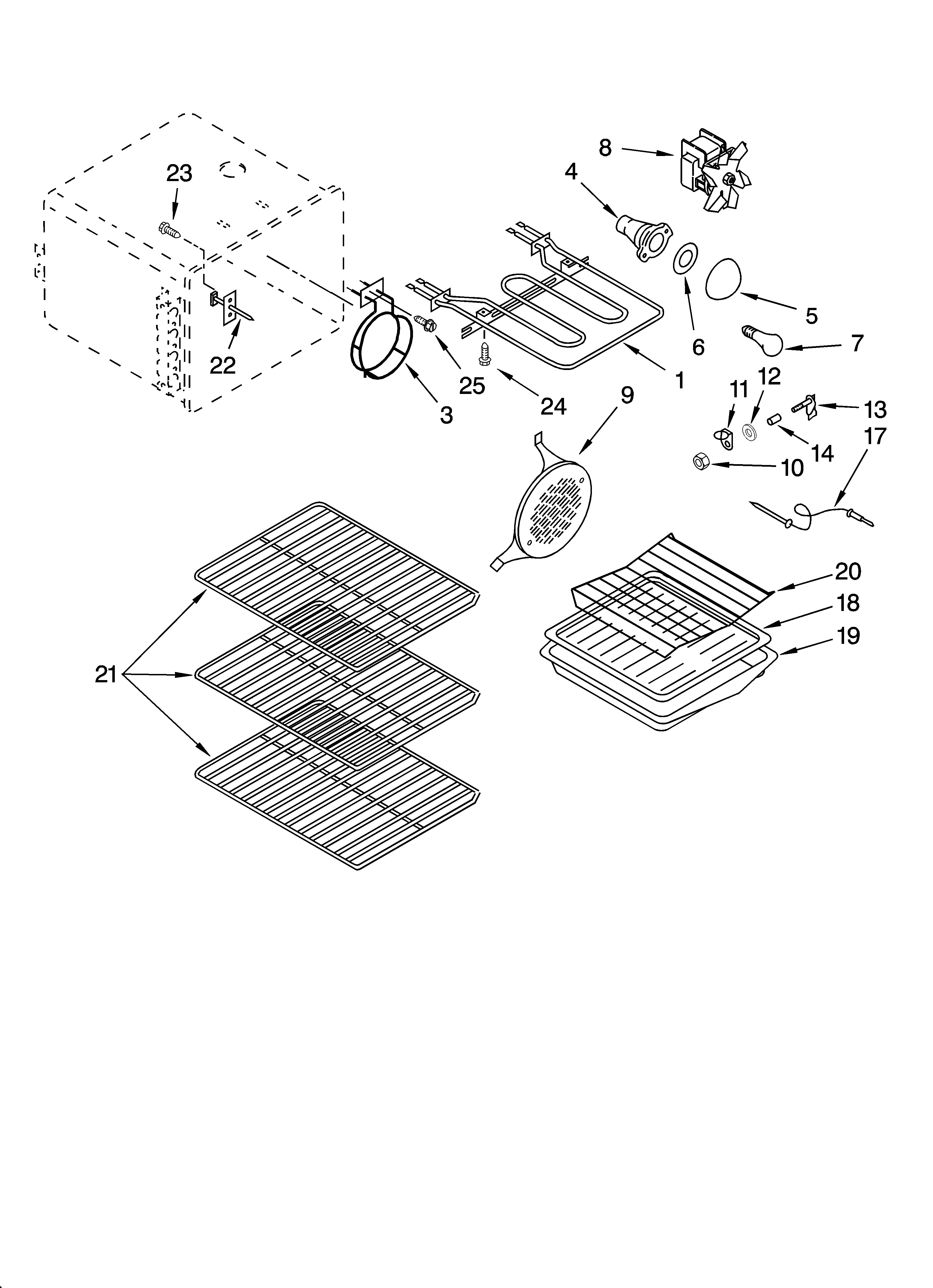
Oven Parts diagram
YKERC507HW2 Free Standing Electric Range Oven Parts diagram
Rear chassis Parts diagram
YKERC507HW2 Free Standing Electric Range Rear chassis Parts diagram
Hidden bake Parts diagram
YKERC507HW2 Free Standing Electric Range Hidden bake Parts diagram

Recent Service Requests

CityProblem DescriptionResolution
Leduc, Albertaoven temp once set will sometimes work and heat up the oven and other times it does not. Or the oven will heat up and then loss temperature during cook cycle...or it may not even heat at all...very unpredictable!!Repaired
North Gower, OntarioStuck key or shortedAwaiting receipt of timer
St Albert, Albertaplug in pins were loose. Tried to repair, but with the wrong tools possibly wrecked itBeyond Repair
Boisbriand, Québecoften in the middle of baking PF comes on and the cycle stops, you have to restart the timerAwaiting receipt of timer

Common problems for Whirlpool Free Standing Electric Range YKERC507HW2 Timer Repair

Are you encountering a similar problem as them? Contact us now and we will try to help you fix your YKERC507HW2 timer-related problem.
i
Hi, the large dual element burner on my GE oven (cooktop) only stays at the highest level, even when the know is turned to the mid or lower settings (it does not cut off) - Do you know if this can be fixed and approximately how much are the parts? Thanks
kitchenaid range [SUPERBA] MODLE # XXXXX SERIAL# XXXXX REQUIRE OPERATORS MANUL SELF CLEAN NOT WORKING CODE ON clock DESPLAY READS "FOEO"
The dual element on the rangetop of my KitchenAid oven YKERC500EW1 no longer has any temperature control - either single or double it stays on full power. The other elements still have control. I comparison of the voltages on the Limiter Temp terminals between functional and non- functional units showed no difference. How can I test to see whether it is the Infinite Switch or the Limiter Temp which is the problem?
Electric range Model #YKERC507HW2 serial #IML0719161 Type 30 PQuestion: can tinfoil be used in the oven?
My 9 year old Kitchenaid YKERC507HW2 oven has started to reset with the ''PF'' message on the screen. It seems to occur when the oven is in use(during or after the oven power is on).
Can someone describe how the dual element, infinite replacement switch, part # as 8203538 works? What circuits are inside? KitchenAid Model # YKERC507HW2 is Canadian, but is there a possibility it is similar to a model KER507HW2?
My 10 year old Kitchen Aid convection smooth surface oven has a broken dual element switch on LF element. My Canadian Whirlpool contact provided a replacement switch # as 8203538, which I purchased. The present defective switch was replaced more than once by Sears service and I now find they were using part# 8203529. The sears part more accurately matches the schematic on range (p/n 9753688) in wiring and it has a duel element step that the whirlpool doesn't. Which is correct and how do I connect the switch? Model # YKERC507HW2