Maytag WU704 Timer Repair

What is the timer/clock part number for the Maytag WU704 Dishwasher?

Timer part number Kingston Model 275 for Maytag WU704

The WU704 Dishwasher uses timer part number Kingston Model 275.

Do you have a failed Maytag WU704 control panel? Click here:

Request Appliance Timer Service

We can repair or replace your faulty Maytag WU704 timer.

WU704 are also sometimes referred to using these Alternative Names/Model numbers

Whirlpool WU704 Dishwasher

WU704 Schematic and Wiring Diagrams

Control panel (wu504) (wu504) Parts diagram
WU704 Dishwasher Control panel (wu504) (wu504) Parts diagram
Control panel (wu704) (wu704) Parts diagram
WU704 Dishwasher Control panel (wu704) (wu704) Parts diagram
Control panel (wu804) (wu804) Parts diagram
WU704 Dishwasher Control panel (wu804) (wu804) Parts diagram
Front & access panel Parts diagram
WU704 Dishwasher Front & access panel Parts diagram
Door assembly Parts diagram
WU704 Dishwasher Door assembly Parts diagram
Door assembly (latch & rinse dispenser) Parts diagram
WU704 Dishwasher Door assembly (latch & rinse dispenser) Parts diagram
Pump & motor assy. Parts diagram
WU704 Dishwasher Pump & motor assy. Parts diagram
Tub support (right) Parts diagram
WU704 Dishwasher Tub support (right) Parts diagram
Tub support (left) Parts diagram
WU704 Dishwasher Tub support (left) Parts diagram
Racks Parts diagram
WU704 Dishwasher Racks Parts diagram
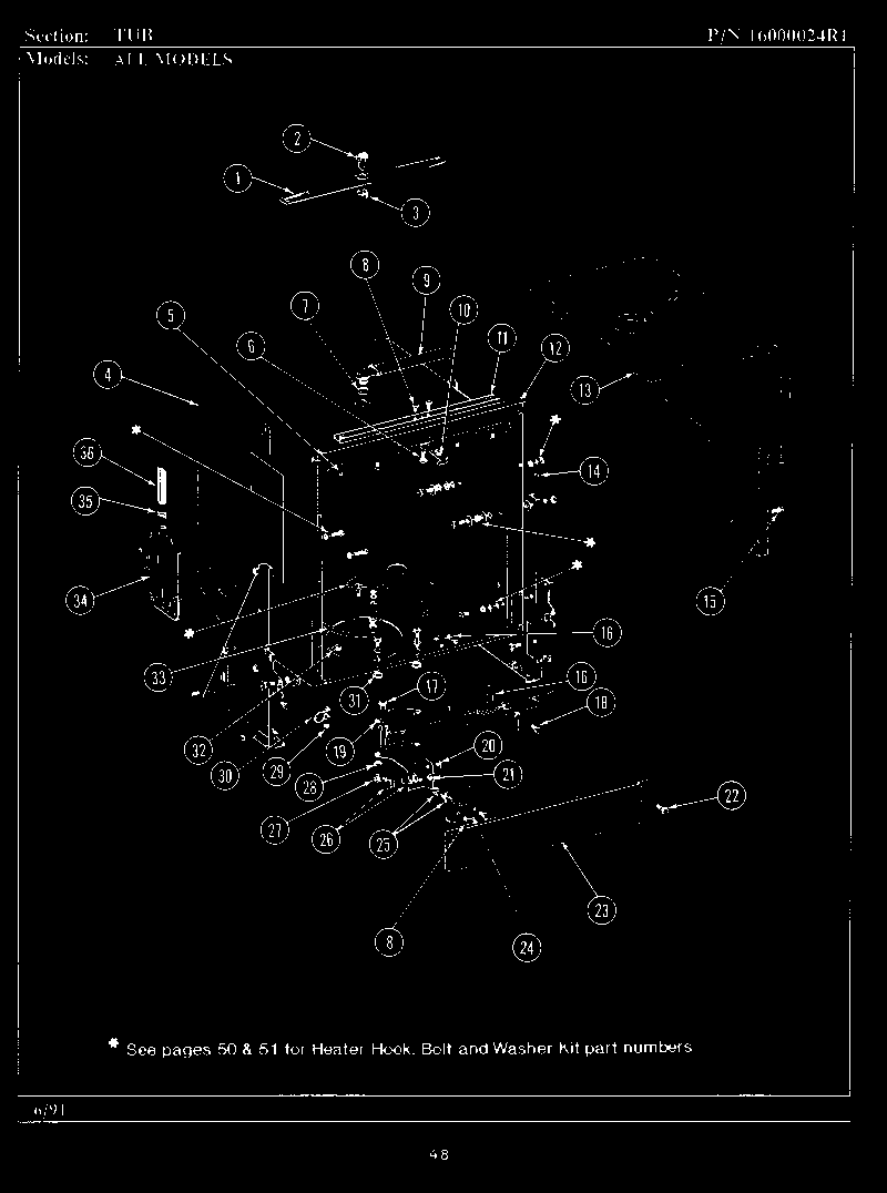
Tub Parts diagram
WU704 Dishwasher Tub Parts diagram
Tub assembly Parts diagram
WU704 Dishwasher Tub assembly Parts diagram
Blower air inlet & water level float (wu804) Parts diagram
WU704 Dishwasher Blower air inlet & water level float (wu804) Parts diagram
Installation accessories (sect. 1 of 2) Parts diagram
WU704 Dishwasher Installation accessories (sect. 1 of 2) Parts diagram
Installation accessories (sect. 2 of 2) Parts diagram
WU704 Dishwasher Installation accessories (sect. 2 of 2) Parts diagram

Common problems for Maytag WU704 Timer Repair

Are you encountering a similar problem as them? Contact us now and we will try to help you fix your WU704 timer-related problem.
Model W11704 or W U 704m Serial # XXXXX Purchased 08-16-1991 the problem now is the right cover on the detergent dispenser does not open automaticly after the first wash. Do you have a picture of the door breakdown of parts? If so this would help. Thanks for any help. Raydell Hightower
I have a Maytag dishwasher Model WU704 and glasses and other glassware is coming out cloudy even after repeated washings with two different brand of detergent. It appears to be going through all of the scheduled cycles. Any suggestions will be appreciated. Thank you.
i have a maytag dw model wu704 serial no. 105963dd. it has always giving us great service. my problem today, is on the first regular wash, the water does not go out. then on the second light wash more water goes in and overflowes on the floor.???? i have a feeling the float on the left side is not working , but i don't know how to take it off and clean it.