Jenn-Air W131W Timer Repair

What is the timer/clock part number for the Jenn-Air W131W Range?

Timer part number 7601P214-60 for Jenn-Air W131W

The W131W Range uses timer part number 7601P214-60.

Do you have a failed Jenn-Air W131W control panel? Click here:

Request Appliance Timer Service

We can repair or replace your faulty Jenn-Air W131W timer.

W131W are also sometimes referred to using these Alternative Names/Model numbers

Maytag W131W Range, Whirlpool W131W Range, W131W, W131B-C, W131W-C, W131B

W131W Schematic and Wiring Diagrams

Control panel Parts diagram
W131W Range Control panel Parts diagram
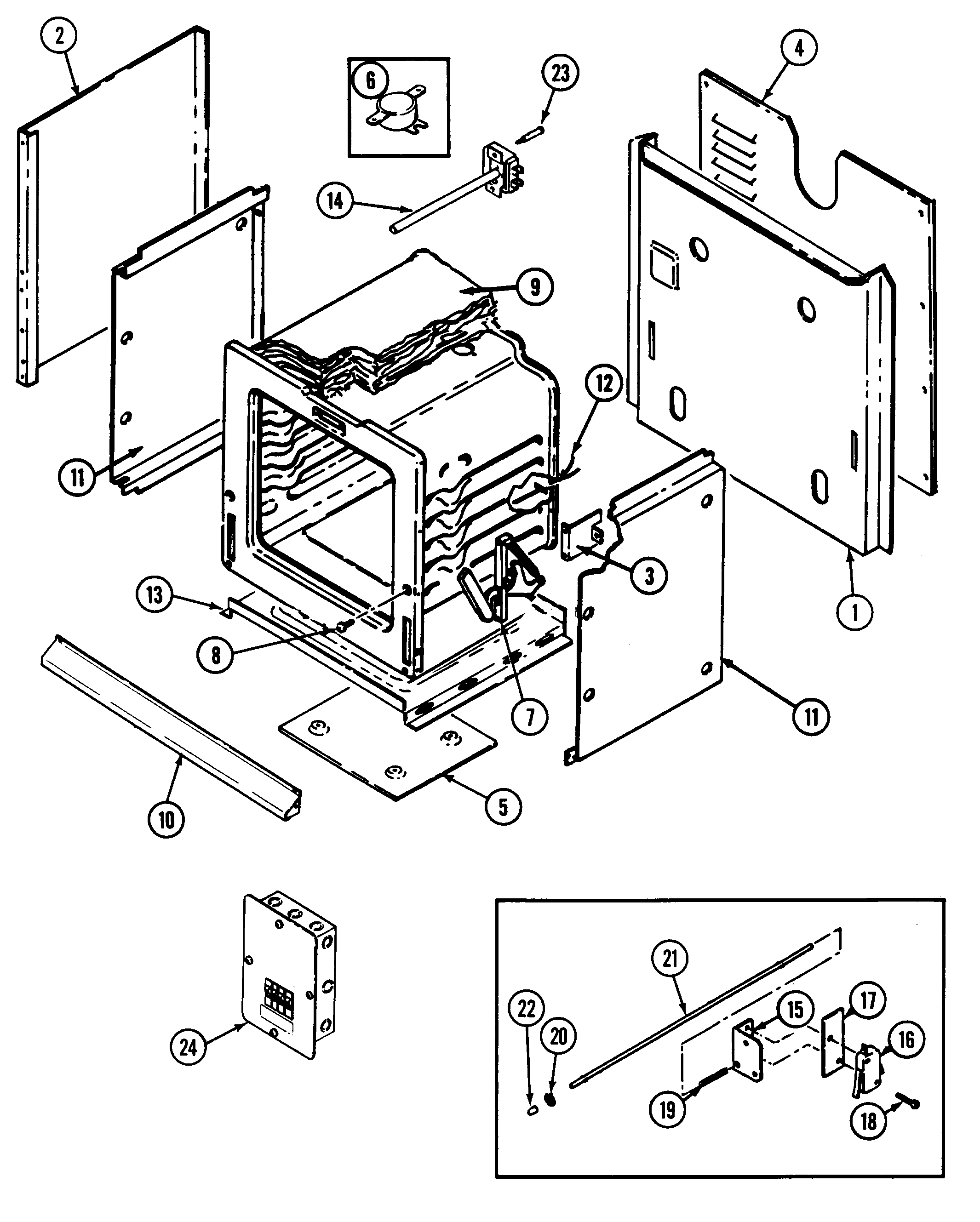
Internal controls Parts diagram
W131W Range Internal controls Parts diagram
Body Parts diagram
W131W Range Body Parts diagram
Oven Parts diagram
W131W Range Oven Parts diagram
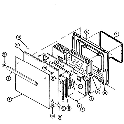
Door Parts diagram
W131W Range Door Parts diagram

Recent Service Requests

CityProblem DescriptionResolution
Toronto, Ontarioerror F5 upon preheat using bake or broil
Issue was more intermittent and became more frequent.
Sometimes using broil to preheat and then stiching to bake was helpful. Not it does it on either setting.
Repaired
Etobicoke, Ontarionot working at allRepaired
Fredericksburg, TexasOven randomly turns on and will not turn off via panel controlsAwaiting receipt of timer
Edwards, ColoradoOven works until a F3 code is triggered, then a warning beeper comes on and the stove shuts down the heating elementsAwaiting receipt of timer
Shawnee, KansasLCD display no longer works. Oven still works just no display.Repaired
Pella, IowaFlickering display and inability to adjust time or oven set temperature.Awaiting receipt of timer
Plano, TexasOven turns on. Attempts to reach desired temperature. 30 seconds later F5 Error CodeAwaiting receipt of timer
Castlegar, British ColumbiaF1 error code with loud beeping.Repaired
Eagle, IdahoOven temperature will not heat beyond a low temp regardless of setting. Boiler and all other functions work fineAwaiting receipt of timer
budd lake, New JerseyOven Beeps and board flashes F-1Awaiting receipt of timer
Frisco, TexasNO DISPLAY AT ALL./..Awaiting receipt of timer
REDFORD MI. 48240-0232, MichiganNOT HOLDING THE TEMP.Replaced with reconditioned timer
Sewickley, PennsylvaniaBeeping that does nt stop intermittently throughout day with F1 codeAwaiting receipt of timer
Sagle, IdahoOven does not turn off. Already replaced the sensor without resolving issue.Repaired
Nepean, OntarioLower (baking) element will not heat. No code sent. Upper (broiling) element does heat and control panel seems to work in all other functions. Technician identified the timer/control panel as problem.Repaired
Shiner, Texasoven errors out with F5Repaired
Shiner, TexasWhen turning on the oven the oven gives a F5 error. It will not heat up.Repaired
Madison, MississippiBeeps when not in use. Cooks fineTimer inspected, no repairs necessary
SILVER SPRING, MarylandWhen oven is in use, heating element doesn't heat up to desired temperature.
When oven is not in use, F1 code showing and it's making beeping sound.
Awaiting receipt of timer
Orlando, FloridaWhen we turn the oven on and it gives the F5 error code and does not heat up.Repaired

Common problems for Jenn-Air W131W Timer Repair

Are you encountering a similar problem as them? Contact us now and we will try to help you fix your W131W timer-related problem.
Jenn Air W131W-C single electric oven. It is an older unit I bought new off of Craigslist. It was stored in a shed and had some mice issues. The unit is wired correctly, but not powering on. The wiring up top looks fine (not chewed) and insulation is all in place. How should I best start troubleshooting components to fix? What items are most likely the culprit?
I have an older Jenn Air under-counter oven W131W-C which will not heat up beyond 350 F even if the temperature is set to max 550 F. Both elements are working and the Broiler function and clean cycles still work fine. The thermostat appears to be working correctly. I am told that I may have to replace the entire electronic control module. What part should I be looking to replace?
I have a Jenn Air wall oven, model w131w. The oven temperature is off...I set it at 350* and it gets up to 200*. I turn it all the way up to 550* and it will get to about 325*. I have replaced bake and broil heeating elements as well as the oven sensor. I am thinking that the oven calibration is incorrect. I found a post that told about holding the "bake" button down until "00" or "--" shows on the readout. That does not happen on my oven. Is there another calibration procedure or am I doing it incorrectly?
I have a Jenn-Air electric wall oven, model W131W. Does not bake well, heats up but not to the indicated temperature. Replaced the oven sensor, but no difference. Elements look good, they will turn red when heating. What else could cause this problem.
our wall oven - modelW131W, serial # XXXXX Is beeping and showing "F-1". The beep stops when "Cancel" is pushed. Then after several minutes the beeping and F-1 starts again. How can we stop it?
W131W Fault code F1, annoying, but the oven would work, has morphed into F5 and oven will not turn on any more. Will replacing the touchpad/clock fix this?
Frigidaire oven won't stop beeping and has no error code.
Bottom element sparked and melted into 2 pieces, glowing red hot. Put in a new element. It takes 3-4 hours to get up to a max of 265 degrees. The top element (broiler) works just great so I thought it wasn't the fuse box in the garage, but the THERMAL FUSE behind the oven. The cust svc guy there said my model has no thermal fuse??? Thx all.
Can a Jenn Air Oven Model No. W131W Temp control be calibrated I set it a 400 but the temp doesn't go above 280. To get 375 I have to set it on 375.
The heating element comes on and goes to set temperature at which time the element shuts off. The element will not activate to maintain the set temperature. Even with the door open, the element does not respond. If the temperature is increased after the initial set temperature is reached (and the element shuts off), the element activates and raises the temperature to the new set point. Could this be a reley? Suggestions?
how to set cook time on a jenn aire electric wall oven model # W131W
Our JennAir W131W oven starts beeping and shows F1 on the temp window.
F1 on my Jenn-air wall oven W131W-C
Hello, I have a Jenn-Air W131W, double wall ovens Hello, I have Jenn-Air W131W electric ovens. They look like a double oven, but I think they are 2 separate ovens - as they have different serial numbers. The oven doesn't heat to the displayed temperature. I purchased several oven thermometers to test the temperature and the oven only heats to approximately 50 degrees of the stated temperature. I had someone come out, but they only replaced a worn out wire connection, is there some way for me to fix this myself? Thanks for your help.