Jenn-Air Electric Slide-In Range SVE47600 Timer Repair

What is the timer/clock part number for the Jenn-Air SVE47600 Electric Slide-In Range?

Timer part number 71001799 for Jenn-Air SVE47600

The SVE47600 Electric Slide-In Range uses timer part number 71001799.

Do you have a failed Jenn-Air SVE47600 control panel? Click here:

Request Appliance Timer Service

We can repair or replace your faulty Jenn-Air SVE47600 timer.

SVE47600 are also sometimes referred to using these Alternative Names/Model numbers

Maytag SVE47600 Electric Slide-In Range, Whirlpool SVE47600 Electric Slide-In Range, SVE47600W, SVE47600B, SVE47600BC, SVE47600WC

SVE47600 Schematic and Wiring Diagrams

Control panel Parts diagram
SVE47600 Electric Slide-In Range Control panel Parts diagram
Top assembly Parts diagram
SVE47600 Electric Slide-In Range Top assembly Parts diagram
Oven Parts diagram
SVE47600 Electric Slide-In Range Oven Parts diagram
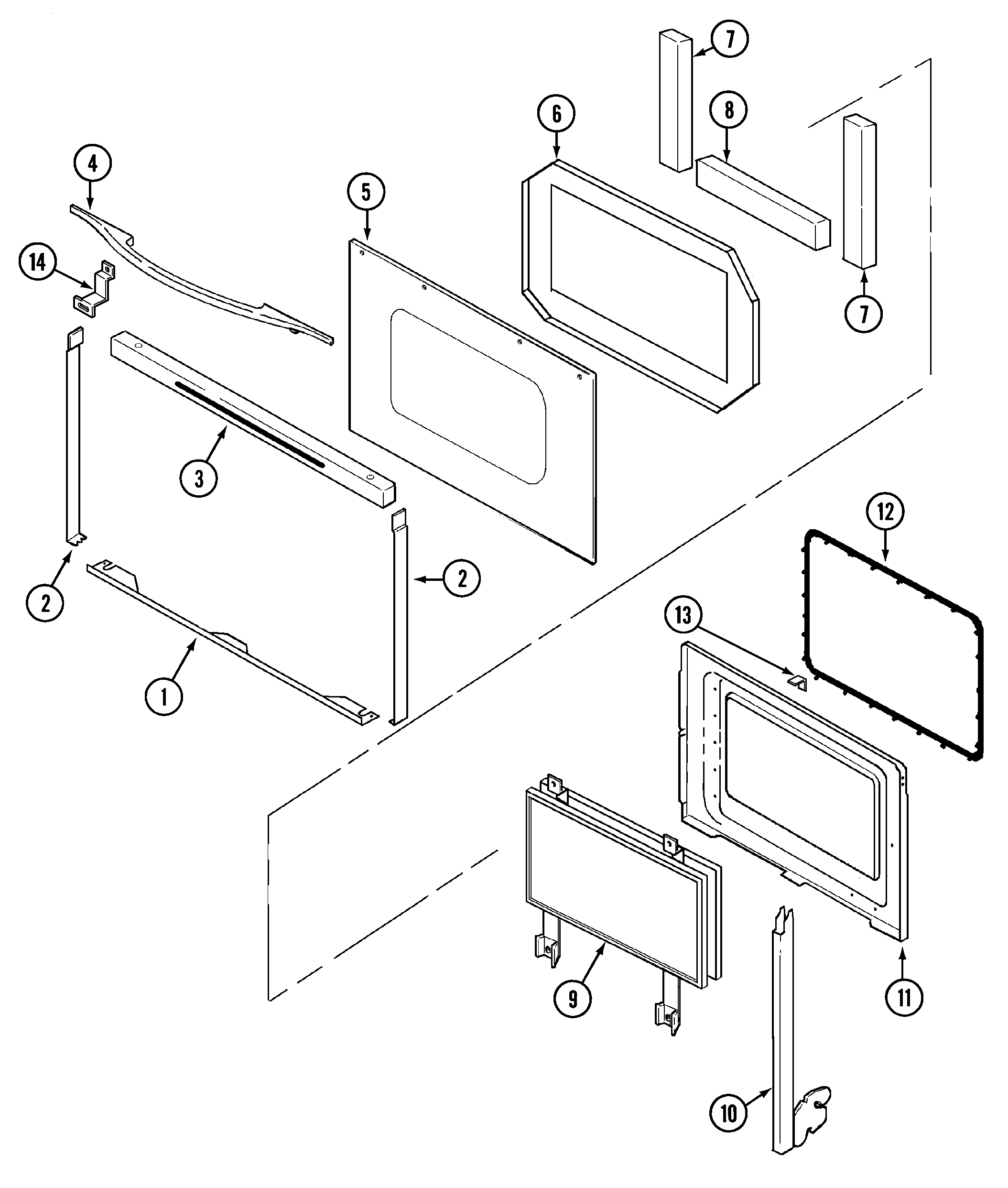
Door Parts diagram
SVE47600 Electric Slide-In Range Door Parts diagram
Blower assembly (plenum) Parts diagram
SVE47600 Electric Slide-In Range Blower assembly (plenum) Parts diagram
Access panel Parts diagram
SVE47600 Electric Slide-In Range Access panel Parts diagram
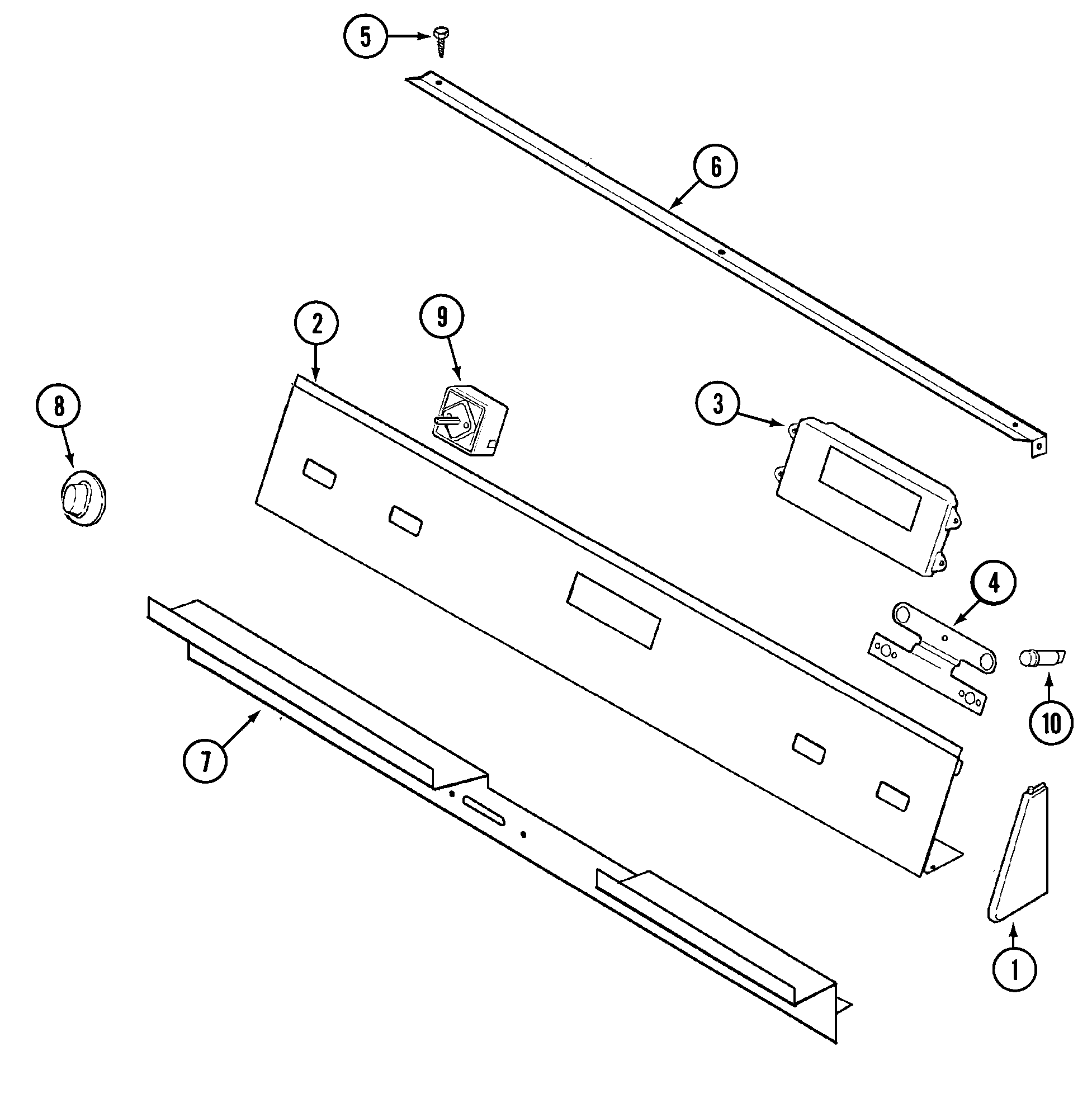
Body Parts diagram
SVE47600 Electric Slide-In Range Body Parts diagram
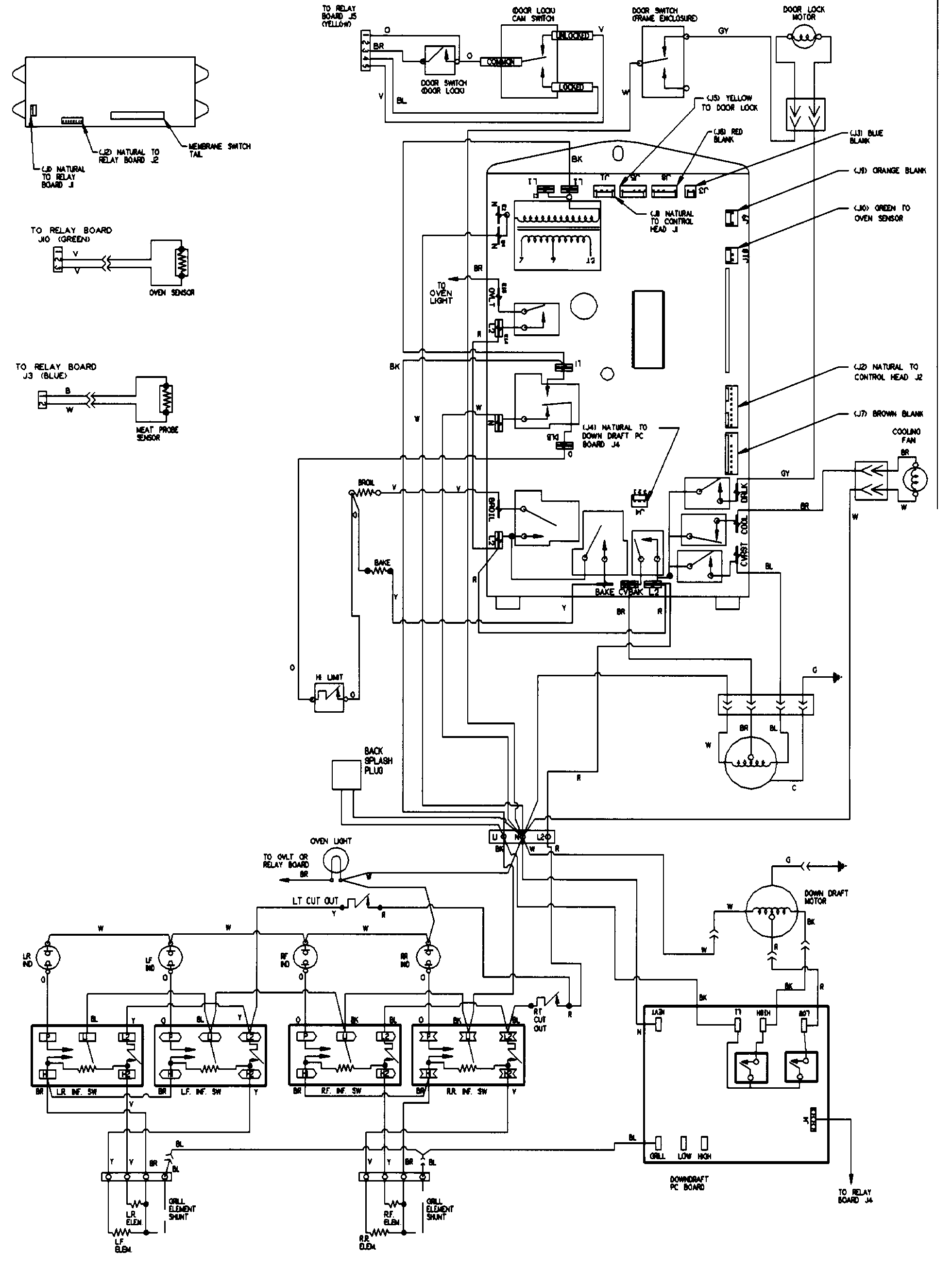
Wiring information Parts diagram
SVE47600 Electric Slide-In Range Wiring information Parts diagram

Recent Service Requests

CityProblem DescriptionResolution
Mobile, AlabamaRange/oven works timer just doesn’t illuminate. Want to purchase refurbished swap out and return core if thats an option. Thanks jerryAwaiting receipt of timer
St Louis, Missouridisplay doesn't work. Control panel functions work.Awaiting receipt of timer
Chapel Hill, TennesseeCan set oven settings use oven timer - just no display lights up
The timer/display board is a Robertshow brand 100-00695-20
CN:7601P483-60
SN:228857
Interested in a reconditioned or new part
Awaiting receipt of timer
Ste Hélène de Chester, QuébecNothing shows on the screen.
I can set the oven temp and it work but I can not see anything on th screen ( it is completely black)
Repaired
Raleigh, North CarolinaI will be sending in my old timer for return of my core charge once I receive your timerReplaced with reconditioned timer
Oregon City, OregonOven functions normally, but have no display of numbers.Replaced with reconditioned timer
Ripley, West VirginiaNo light in clock or settingsReplaced with reconditioned timer
Novato, Ca 94947, Californiadoes not indicate any time, temperature but oven worksRepaired
Hanover, IndianaDisplay does not work. Touch-pad seems to function but is hard to tell without the display.Awaiting receipt of timer
Novato, Ca 94947, Californiadoes not indicate any time, temperature but oven worksRepaired
Snoqualmie, WashingtonTHIS PART WENT OUT ON OUR JENN-AIR DOWNDRAFT ELECTRIC RANGE ABOUT A YEAR AND A HALF AGO. WE FOUND A REPLACEMENT CONTROL ONLINE, PURCHASED IT AND PUT IT ON OUR RANGE AND IT WORKED FINE UNTIL A MONTH AGO. ALL OF A SUDDEN THE RANGE STARTED MAKING A CONSTANT BEEPING SOUND AND THE F7 CODE CAME ONE THE CONTROL. WE UNPLUGGED/PLUGGED IN THE STOVE AND IT WORKED FOR A WHILE. THEN ONCE THE F1 CODE CAME UP. NOW IT IS JUST A CONSTANT BEEP AND CODE.Beyond Repair
Ottawa, OntarioSometimes comes up with a failure code. Other times, doesn't respond to press, other times doesn't heat oven to requested temperature. Burners checked and OK.Timer inspected, no repairs necessary
La Crescent, MinnesotaBlank Face. Oven does not work.Awaiting receipt of timer
Knoxville, TennesseeBlank LED display. Keypad works.Replaced with reconditioned timer

Common problems for Jenn-Air Electric Slide-In Range SVE47600 Timer Repair

Are you encountering a similar problem as them? Contact us now and we will try to help you fix your SVE47600 timer-related problem.
Hi ~~ I own a Jenn-Air slidein oven Model # XXXXX I came home to Wisconsin,from Florida, for the Holidays. I discovered that the display window for the clock/oven controls no longer has a display. I am still able to set the oven temperature and use the oven and clocks, but of course I can not read the temp/or time, etc. Any idea what I need to do to correct this problem?? Thank you !! Pat XXX@XXXXXX.XXX
Our Jenn-Air SVE47600 started beeping and showing error codes on the display. These codes are not always the same, nor would they start during a particular operation of the oven. Sometimes the oven would start beeping in the middle of the night. We called a technician and after testing it, he replaced the oven control panel. The problems started again the next day and we called the technician back. He determined that he had installed a faulty panel and ordered a new one. Today he came back and installed another new panel but after he left, the problems re-appeared. Any idea what the problem is?
Have a Jenn-Air oven SVE47600. Control module keeps failing. First one lasted 11 years. Original board was by Robertshaw, Replacement boards are by Invensys but are direct replacement. Robertshaw were thru hole components . new board is SMT but looks like the IC main chip keeps failing getting F-7 failure code. Have replaced board 4 times in 7 months with same failure symtoms. Board fails without oven operating. Will work for a while then go into the F-7 failure mode. IC chip is similar to original and has Robertshaw name on it but is by another chip mfg. which I can't identify. I can't seem to get a schematic. AppliancePartspro.com is replacement parts vendor who doesn't have any info to help. Looking for experience and assistance. Know anything?
I have a Jenn-air sve47600 slide in oven. My display stopped working. Everything else except the self cleaning worked ok. I purchased a new display and after I installed it only a few of the buttons on the membrane panel even make a beep and I have no response from most of the buttons including all of the numeric buttons. I inspected the ribbon conductor from the membrane pad and trimmed a slight amount off to clean up the edge that was damaged a bit from installation, but of no help. Any ideas of what to do next.
I have a jenn-air grill-oven model sve47600, and the display does not work. How do I fix it? Can it be fixed?
My oven is Model SVE47600, purchased in 2000. Last night it started beeping and the digital panel displayed "F C" while using the oven (350, had been on for 2 hours) I hit the cancel touch pad, the time displayed, but immediately the FC message reappeared and I could not turn off the beeping. I called the 800 number, they told me to turn off the power at the circuit breaker (it is on its own circuit). They had not heard of this message or problem. Help! Mary XXXXX XXXXX XXX-XXX-XXXX
I have a Jenn-Air model SVE47600 grill-oven. I bought and installed an electronic oven control assembly part # XXXXX to fix the fault codes that kept coming up. After installation the panel would only flash 12:00 and would not respond to any command. The oven light and fan are on. I replaced the assembly with the original one and the same response occured. The original one worked before I did the installation. Is there a reset swith or something?
We have a Jenn-Air SVE47600 slide in that is about 9 yrs old. My wife tried to preheat the oven to 450 degrees. 3 hrs later it had reached a temp of 315 degrees. We tried to preheat on bake, convection bake and convection roast with the same results. There were no "F" codes. We tried the oven on broil and the top heating element worked fine. About two yrs ago we had the master control replaced. Hopefully this is not the problem. Does the bottom heatin element need to br replaced? Everything else seems to work fine. Thanks for your help. XXXXX XXXXX
Jenn-Air electric oven I have an old (more than 20 years) Jenn-Air grill-oven, self-cleaning convection oven, model SVE47600. Two months ago the front display panel (clock, etc.) faded out and I had it replaced by a Jenn-Air repairman. Last night the oven suddenly started beeping and flashing F-3. I pressed the cancel off pad, and the oven shut down. After an hour I turned the oven on again, but the same thing happened. Two hours later I tried again -- same result. I even unplugged the unit -- still no luck. So, I plugged it back in and left the oven alone. Then, at 11 pm, the oven fan came on by itself and wouldn't shut off by the panel. I unplugged the unit for good. Could you tell me what F-3 means and whether this is fixable? Is it worth repairing and re-repairing, or should I consider buying a new oven?
Jenn-Air JES9750 Electric grill/oven - Touchpad control replacement part# [FONT='Arial','sans-serif']AP4094903[/font] Two of the touchpad buttons stopped working so I wasn’t able to turn the oven or broiler on/off. As all else was fine, and the oven is only about 5 yrs old, I was pretty sure the touchpad had failed. It’s a DIY project, but be prepared for some tough disassembly and reassembly. The touchpad is part of the entire front panel that contains the heater control knobs and the little red on-buttons. The entire unit is made of cast iron and comes only with the touchpad, so you must take everything off the old panel and reattach it to the new one. The unit sells for $200-$300 online. I bought my unit from AppliancePartsPros.com. Their price was the lowest and their service was terrific. A local repair shop quoted me $500 to do what cost me about $210 (and a little sweat.) Here’s what I did to complete the repair. I hope this will be helpful to any of y
Getting an Error code 55C7? Replaced a burned out bake element in the main oven.Small oven works and the digital clock works but can not be reset. Main oven is dead. ??
Having trouble with jennair oven preheating oven. When set to preheat to say 400deg. it will heat to around 250-300deg. and stop. If you push convection roast button preheating resumes for a while but will stop again. Each time the button is pushed heating continues until the set temp is finally reached. Any idea what could cause this?
F-3 signal on Jenn-Air SVE47600, grill-oven, self-cleaning convection oven I have an old (more than 20 years) Jenn-Air grill-oven, self-cleaning convection slide-in oven, model SVE47600. Two months ago the front display panel (clock, etc.) faded out and I had it replaced by a Jenn-Air repairman. Last night the oven suddenly started beeping and flashing F-3. I pressed the cancel off pad, and the oven shut down. After an hour I turned the oven on again, but the same thing happened. Two hours later I tried again -- same result. I even unplugged the unit -- still no luck. So, I plugged it back in and left the oven alone. Then, at 11 pm, the oven fan came on by itself and wouldn't shut off by the panel. I unplugged the unit for good. Could you tell me what F-3 means and whether this is fixable? Is it worth repairing and re-repairing, or should I consider buying a new oven?
I turned on oven and after a few minutes the oven started beeping and Fault Code 7 appeared. I hit the cancel off key and the beeping subsided for a minute or so then came on and started beeping again. I believe it the control panel. Is it difficult to replace and what is the correct part number and cost.
sve47600 display panel lights have gone super dim The LED panel on my jenn air sve47600b have dimmed to the point that you can only see that the clock is working if the panel is shadowed. All the functions work; I can set the oven to do a task and hear the slight click and it goes to work, just so dim that you don't know; ie, my wife is having a bit of a problem with this....any ideas on a fix???ThanksBob
The display on the front is completely out. oven works fine but can not use clock or see that you have set correct temperature. Anyone know how to determine what the problem is and how to change/fix part?
jenn-air slide in oven/convection the burners on and work fine but the oven isn't working - the lights are out on the clock - they came on once in a while, but now mostly off..when the lights are on, the oven works...how can i check for a loose wire?Have a JENN-AIR SVE47600 and the display lights are going dim. Hasn't affected the use.
tell me what jenn-air model sve47600 10 year old range is worth ive come across two of these ranges in very good condition very clean, a family member wants to sell them but i dont know what a fair price would be