Jenn-Air S120C Timer Repair

What is the timer/clock part number for the Jenn-Air S120C Range?

Timer part number 712024 for Jenn-Air S120C

The S120C Range uses timer part number 712024.

Do you have a failed Jenn-Air S120C control panel? Click here:

Request Appliance Timer Service

We can repair or replace your faulty Jenn-Air S120C timer.

S120C are also sometimes referred to using these Alternative Names/Model numbers

Maytag S120C Range, Whirlpool S120C Range

S120C Schematic and Wiring Diagrams

Control panel assembly (s120) Parts diagram
S120C Range Control panel assembly (s120) Parts diagram
Control panel assembly (s120-c) (s120-c) Parts diagram
S120C Range Control panel assembly (s120-c) (s120-c) Parts diagram
Top assembly Parts diagram
S120C Range Top assembly Parts diagram
Internal controls Parts diagram
S120C Range Internal controls Parts diagram
Internal controls (s120-c) Parts diagram
S120C Range Internal controls (s120-c) Parts diagram
Body (s120) Parts diagram
S120C Range Body (s120) Parts diagram
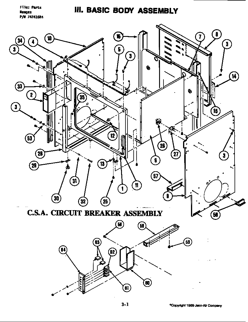
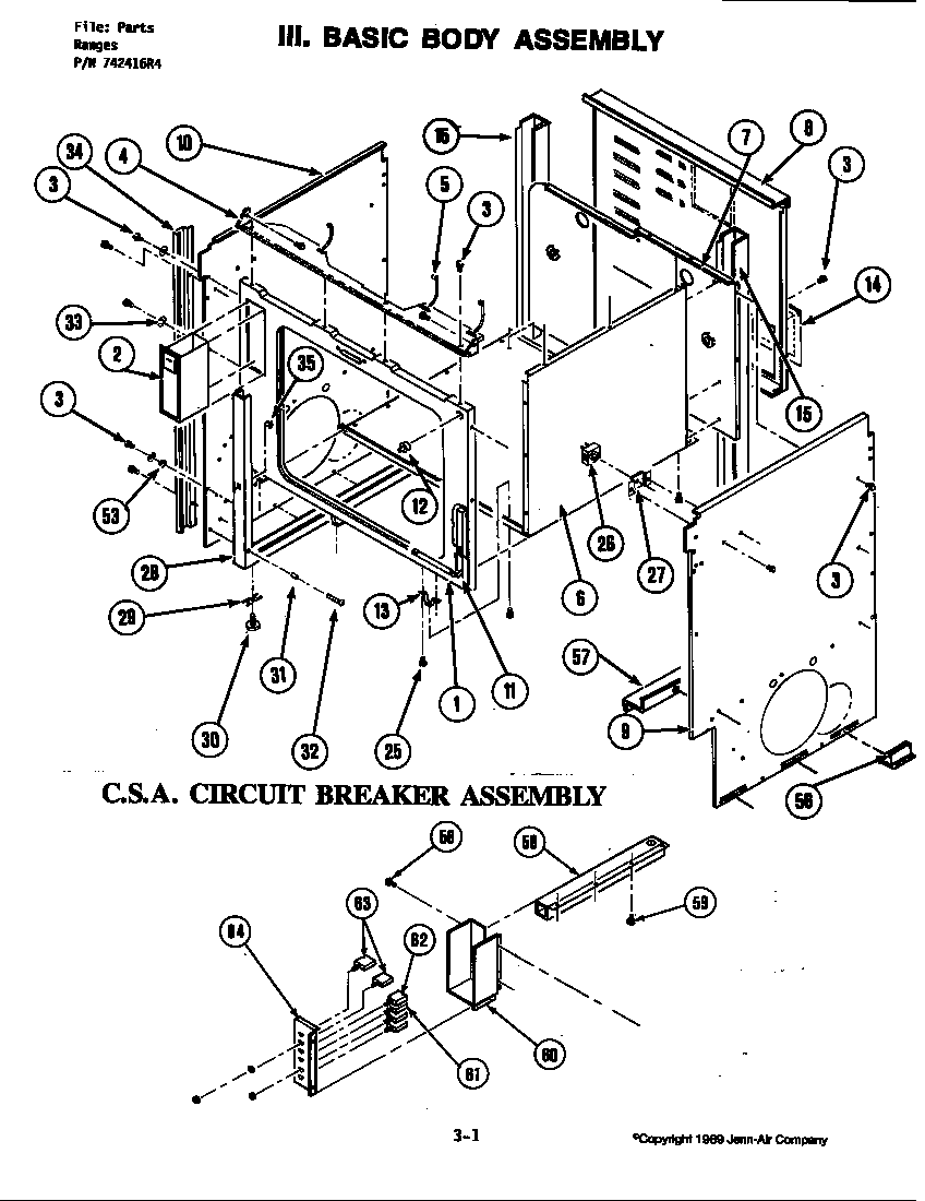
Basic body assembly (s120-c) (s120-c) Parts diagram
S120C Range Basic body assembly (s120-c) (s120-c) Parts diagram
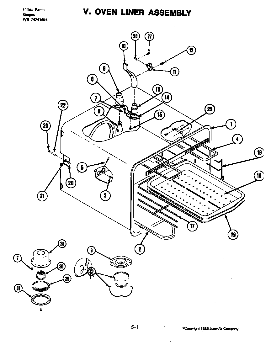
Oven Parts diagram
S120C Range Oven Parts diagram
Cooling fan (s120) (s120) Parts diagram
S120C Range Cooling fan (s120) (s120) Parts diagram
Cooling fan (s120-c) (s120-c) Parts diagram
S120C Range Cooling fan (s120-c) (s120-c) Parts diagram
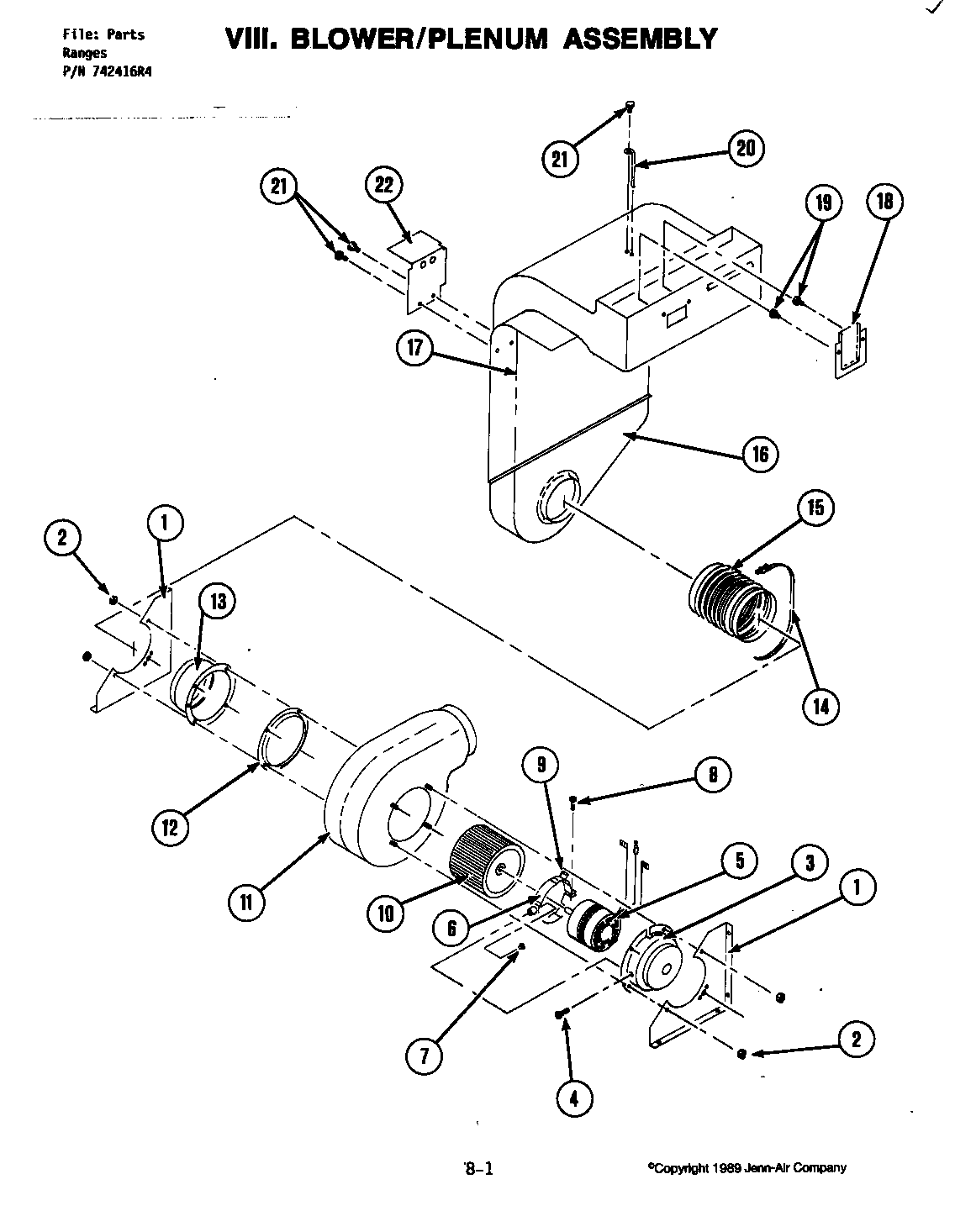
Blower assembly Parts diagram
S120C Range Blower assembly Parts diagram
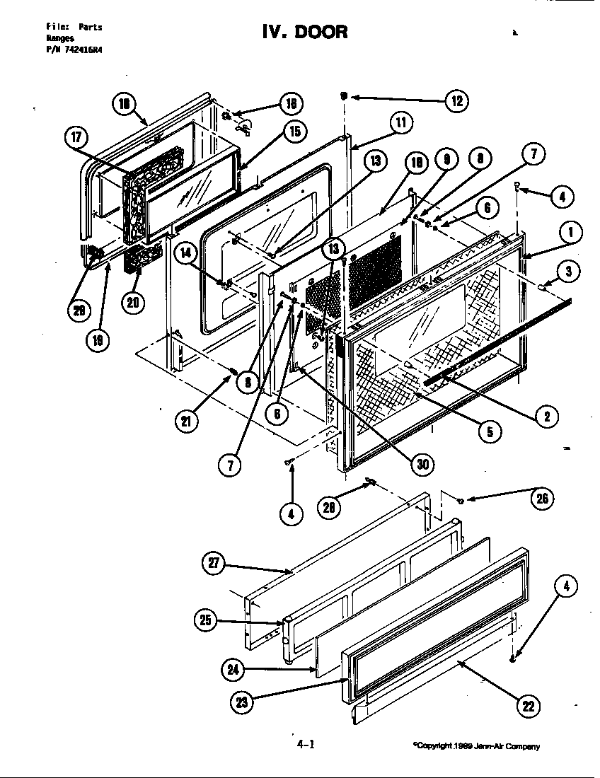
Door (s120) Parts diagram
S120C Range Door (s120) Parts diagram
Door (s120-c) (s120-c) Parts diagram
S120C Range Door (s120-c) (s120-c) Parts diagram

Recent Service Requests

CityProblem DescriptionResolution
Selkirk, ManitobaClock stopped. Also minute timer setting shaft is broken short. Please replace if possible. I can live with it as is if no replacement is available. Getting the clock working is more important.Repaired

Common problems for Jenn-Air S120C Timer Repair

Are you encountering a similar problem as them? Contact us now and we will try to help you fix your S120C timer-related problem.
I have a model S120 Jenn-AIR electric oven with a broken clock. Five online part services indicate that a replacement part (either #712024 or #515823) is no longer available. Can the old analog clock be replaced with a digital clock or is there anyway to make the self- cleaning oven work with a broken clock?