Whirlpool Electric Built-In Oven With Microwave RM288PXV Timer Repair

What is the timer/clock part number for the Whirlpool RM288PXV Electric Built-In Oven With Microwave?

Timer part number 3148272 for Whirlpool RM288PXV

The RM288PXV Electric Built-In Oven With Microwave uses timer part number 3148272.

Do you have a failed Whirlpool RM288PXV control panel? Click here:

Request Appliance Timer Service

We can repair or replace your faulty Whirlpool RM288PXV timer.

RM288PXV are also sometimes referred to using these Alternative Names/Model numbers

RM288PXV1, RM288PXV0, RM288PXV5, RM288PXV4, RM288PXV6, RM288PXV3, RM288PXV7

RM288PXV Schematic and Wiring Diagrams

Front cover Parts diagram
RM288PXV Electric Built-In Oven With Microwave Front cover Parts diagram
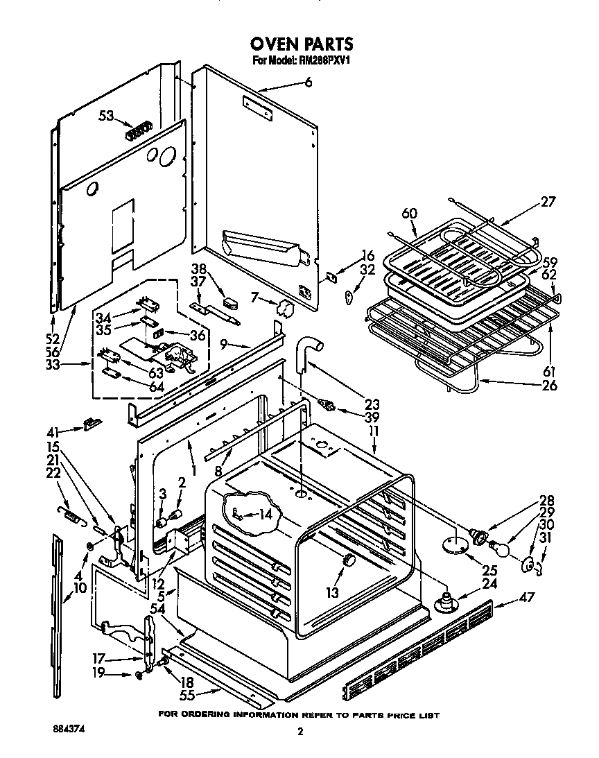
Oven Parts diagram
RM288PXV Electric Built-In Oven With Microwave Oven Parts diagram
Oven door Parts diagram
RM288PXV Electric Built-In Oven With Microwave Oven door Parts diagram
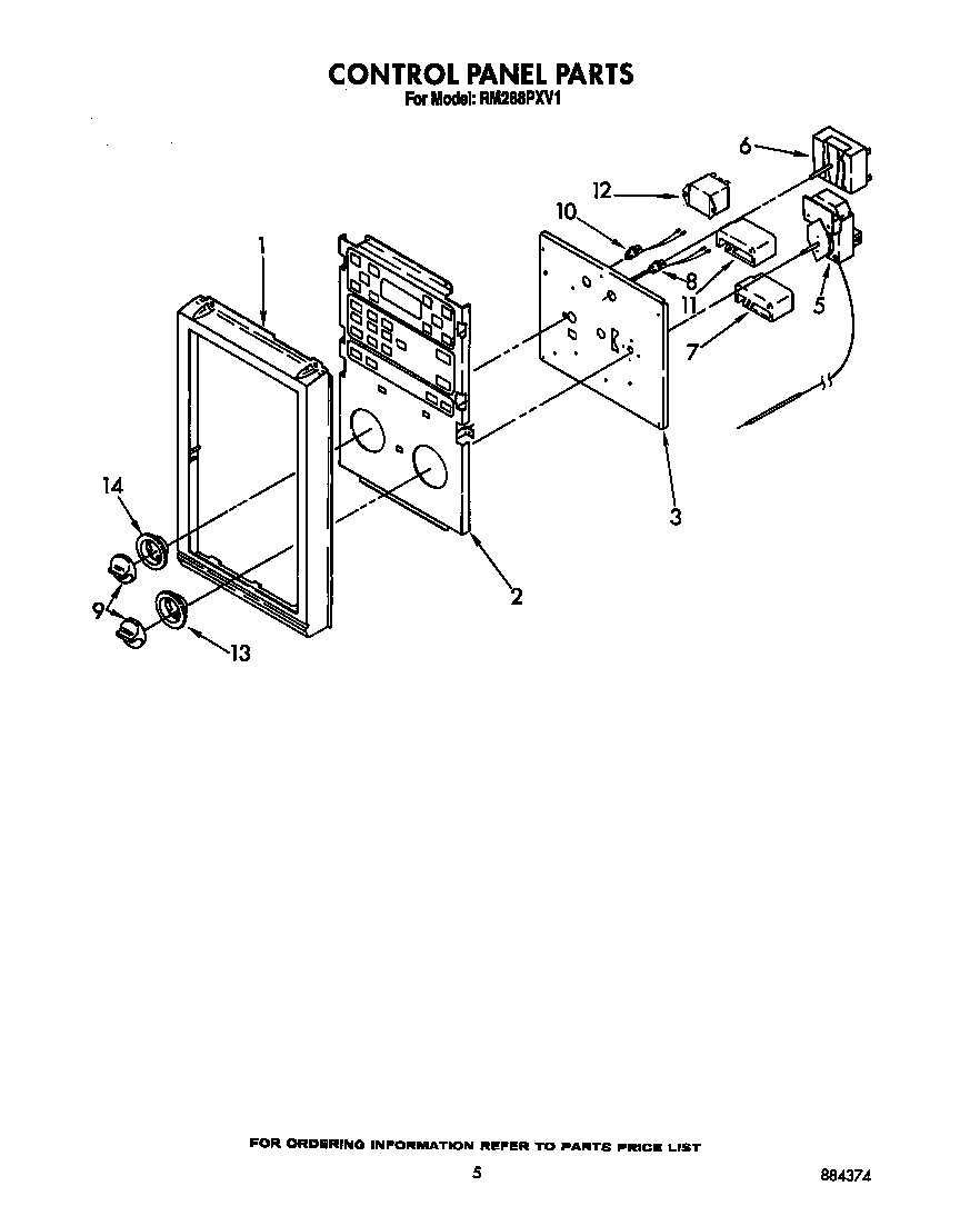
Control panel Parts diagram
RM288PXV Electric Built-In Oven With Microwave Control panel Parts diagram
Magnetron and air flow Parts diagram
RM288PXV Electric Built-In Oven With Microwave Magnetron and air flow Parts diagram
Microwave and stirrer Parts diagram
RM288PXV Electric Built-In Oven With Microwave Microwave and stirrer Parts diagram
Microwave door Parts diagram
RM288PXV Electric Built-In Oven With Microwave Microwave door Parts diagram
Microwave cabinet Parts diagram
RM288PXV Electric Built-In Oven With Microwave Microwave cabinet Parts diagram
Wiring harness Parts diagram
RM288PXV Electric Built-In Oven With Microwave Wiring harness Parts diagram

Recent Service Requests

CityProblem DescriptionResolution
Salinas, CaliforniaI have a 30 Y/o Built-in Mircowave (Whirlpool Model RM288PXV), it is the upper part of a built it. The micro no longer has power and the the keypad does not light-up, but the lower conventional over works fine. Is there a fuse on this unit that I am unaware of or something else I can to to get the mircowave to work again?Awaiting receipt of timer
Pittsburgh, PennsylvaniaNo power to control keys or clock.
. All other parts of the microwave and oven are functioning (lights, heating elements etc.)
Repaired
EL DORADO HILLS, CaliforniaTransformer is buzzing, no display. sounds like it or the power supply components.Awaiting receipt of timer
Lawrenceville, GeorgiaController for microwave no longer works (oven works fine).Awaiting receipt of timer
Honea Path, South CarolinaMircrowave oven want work, but oven still works. I can cut power for a while, cut back on and buzzing will stop.Awaiting receipt of timer
Sun Lakes, Arizonadoes not reflect information (dead)Awaiting receipt of timer

Common problems for Whirlpool Electric Built-In Oven With Microwave RM288PXV Timer Repair

Are you encountering a similar problem as them? Contact us now and we will try to help you fix your RM288PXV timer-related problem.
The control panel seems to be working fine. I can select cook cycle and seconds and the clock will count down and triple beep when complete. I have checked all the door switches and they seem to be good. I have checked ohm readings on the 20 amp fuse and the thermal fuses and they seem to check OK. I am puzzled as to why the microwave refuses to radiate even though all these areas have been checked to be operational. What other parts could cause the microwave not to heat if the parts I described are in good working order? What other checks should I do and what other parts could be the culprit? I checked circuit board and there are no burn spots or evidence of bad components. in addition, I have viewed all parts such as transformer and magnetron and not able to see any visual problems.
Whirlpool question....I have to replace my Whirlpool RM288PXV and the microwave is not repairable. My home warranty company is willing to replace the unit but I have to tell them what I want. 1) which whirlpool combo is the best (stainless) and will it fit with minor modifications to the open space of the previous model? I can't add a wood surround finish but have found a company called microtrim.com to fill height gaps if needed.
I'am looking for apart for model rm288pxv-4, fan motor part number 313641 or a cross ref. number for a different motor that would work.
I have a 20 Y/o Built-in Mircowave (Whirlpool Model RM288PXV), it is the upper part of a built it. The micro no longer has power and the the keypad does not light-up, but the lower conventional over works fine. Is there a fuse on this unit that I am unaware of or something else I can to to get the mircowave to work again? James
I have a Whirlpool Microwave/Oven Model RM288PXV-4, Serial #XX270311 in which the oven works but the microwave is simply dead. The front panel will not light, all sensors are dead, etc.. I realize this is an old unit thus it seems step #1 would be a service call but due to age I may be simply wasting money. If you recommend replacement, what Whirlpool unit would replace it ? Remember, this is a built-in unit thus dimensions are crucial. Thanks, David
I have a whirlpool RM288PXV-4 Combo (microwave, oven) oven that needs a temp controller and probe. The whirlpool p/n is(NNN) NNN-NNNN item 5 on control panel exploded view. Part is listed as obsolete and no alternate identified. Tried all of the national distributors as well as whirlpool canada. Any tips on who might have stock sitting on the shelf?
Thanks for your help. I have a micro/oven combo, approx 20 years old. Oven works great, micro just recently quit. No lights, digital readout, nothing works. 2 questions... 1. Is it a goner or could it be fixed? 2. If it cannot be fixed (for a realistic and reasonable amount of $), can a replacement micro be obtained that has the same exact footprint/dimensions, etc that this one has? Model RM288PXV 5 Serial XA4004746 manufactured 11/1991 thanks! Scott
When I hit the start button, the oven kicks on then off imediately. If I lower the power or set the defrost it will try for a few more seconds before shutting off. The clock clears and needs resetting everytime. It got bad a few weeks ago and now shuts off immediately.Any help appreciated.
I have an RM288PXV-4 built-in oven/microwave combo. The microwave works, but the oven will no longer heat, although I can hear the thermostat click when I turn it up. I assume that either the thermostat or relay is defective, but can't find a source for either. Any ideas? Don Rosen