Frigidaire Wall Oven REG74BL3 Timer Repair

What is the timer/clock part number for the Frigidaire REG74BL3 Wall Oven?

Timer part number 5303272457 for Frigidaire REG74BL3

The REG74BL3 Wall Oven uses timer part number 5303272457.

Do you have a failed Frigidaire REG74BL3 control panel? Click here:

Request Appliance Timer Service

We can repair or replace your faulty Frigidaire REG74BL3 timer.

REG74BL3 are also sometimes referred to using these Alternative Names/Model numbers

Electrolux REG74BL3 Wall Oven, 5995209474

REG74BL3 Schematic and Wiring Diagrams

Cover page- text only Parts diagram
REG74BL3 Wall Oven Cover page- text only Parts diagram
Control panel Parts diagram
REG74BL3 Wall Oven Control panel Parts diagram
Door Parts diagram
REG74BL3 Wall Oven Door Parts diagram
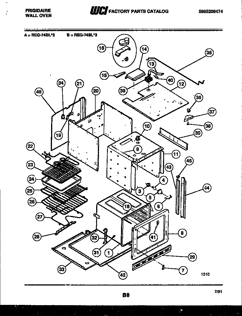
Body Parts diagram
REG74BL3 Wall Oven Body Parts diagram

Common problems for Frigidaire Wall Oven REG74BL3 Timer Repair

Are you encountering a similar problem as them? Contact us now and we will try to help you fix your REG74BL3 timer-related problem.
My Sisters Oven clock Goes Off At Random And The Oven Sometimes Shuts Off By Itself. These Things Are At Random. Usually When Cooking For Longer Periods Of Time.
frigidaire wall oven reg74bl3 f2 and f3 code. I think it is a sensor but I don't know if it is still available. This happens after the oven is on for 20 minutes or so.
Frigidaire oven model #REG74BL3. I keep getting codes F3 and F2. Is there any way to fix this problem?