Thermador Range RDSS30 Timer Repair

What is the timer/clock part number for the Thermador RDSS30 Range?

Timer part number 486752 for Thermador RDSS30

The RDSS30 Range uses timer part number 486752.

Do you have a failed Thermador RDSS30 control panel? Click here:

Request Appliance Timer Service

We can repair or replace your faulty Thermador RDSS30 timer.

RDSS30 are also sometimes referred to using these Alternative Names/Model numbers

Bosch RDSS30 Range, RDSS30Q

RDSS30 Schematic and Wiring Diagrams

Gas burner box assembly Parts diagram
RDSS30 Range Gas burner box assembly Parts diagram
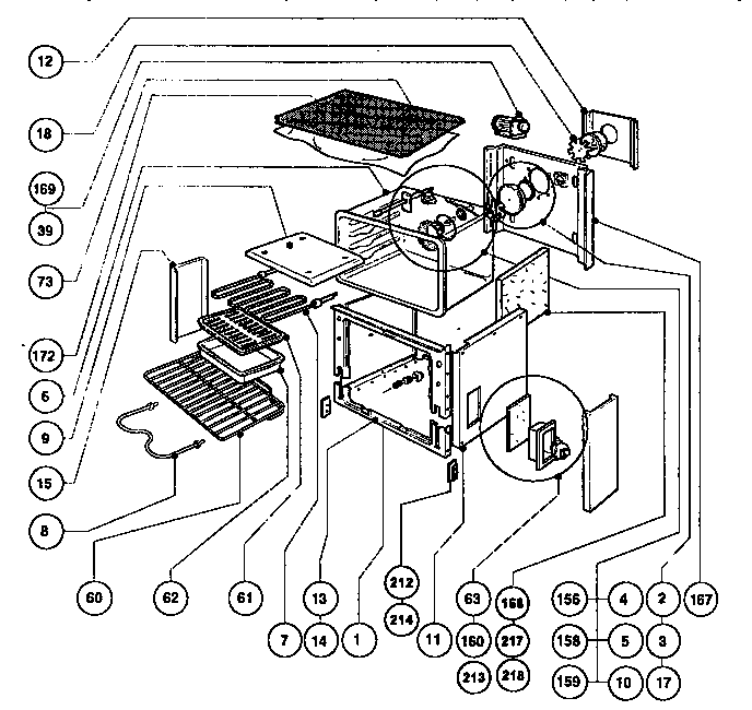
Main oven liner and module Parts diagram
RDSS30 Range Main oven liner and module Parts diagram
(slide-in) main body Parts diagram
RDSS30 Range (slide-in) main body Parts diagram
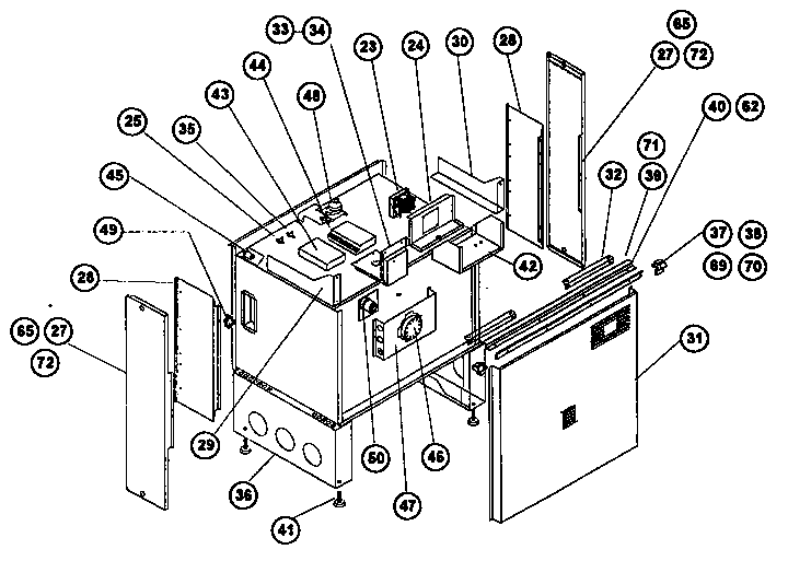
Downdraft and vtn30rq blower Parts diagram
RDSS30 Range Downdraft and vtn30rq blower Parts diagram
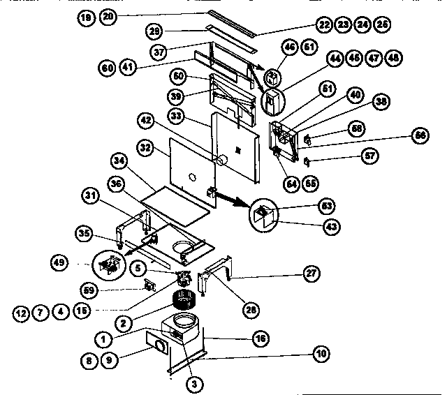
Main oven door assembly Parts diagram
RDSS30 Range Main oven door assembly Parts diagram

Recent Service Requests

CityProblem DescriptionResolution
coquitlam, British ColumbiaOven produces heat but will turn off at random - sometimes in just minutes and sometimes after 30 or more minutes. At times it can be restarted immediately and other times it needs to sit for a bit before it can be restarted. We have tried turning breaker off and letting sit for a while to see if that would reset it, but the oven continued to perform intermittently.Repaired
Edmonton, AlbertaThe temperature display on my Thermador dual fuel range is too dim to read.Awaiting receipt of timer
Woodbury, ConnecticutDisplay very dim, possible poor oven temp controlAwaiting receipt of timer
Smyrna, TennesseeOven temperature Red light is no longer readable.Awaiting receipt of timer
Manassas, VirginiaCan’t see displayAwaiting receipt of timer
Columbus, OhioN/AAwaiting receipt of timer
Santa Rosa, Californiaoven quits working after initial warming, shows F1 codeRepaired
Lakeville, MinnesotaALL FUNCTIONS ARE GOOD AND IN NORMAL WORKING ORDER. ONLY ISSUE IS WITH THE DISPLAY. IT IS DIM AND NOT VERY BRIGHT. HARD TO SEE DIGITS.Awaiting receipt of timer
Lakeville, Minnesotaeverything works. just have a dim display.Awaiting receipt of timer
Philadelphia, PennsylvaniaDim displayRepaired
RAHWAY, New Jerseyoven not heating up past 200 degreesAwaiting receipt of timer
Wyncote, PennsylvaniaOven temp is too dim to read.Repaired
Terra Cotta Ontario, OntarioThe electronic range control board is unreadable. Setting the oven temperature is difficult (best guess). The oven works fine but it doesn't hold the temperature very well due to issue with the controls. It is the original stove version 000, purchased 11/1/98, delivery taken 11/1/99. I have emailed Howard Simons about this unit and he has been very helpful.Repaired
Roanoke, VirginiaI can no longer see the temperature readings on my display. Do you have any reconditioned readers in stock?Repaired
Rochester, New YorkDim display
Sometimes control needs to be reset (Power removed) in order to operate oven. (I think the previous owner said the code was F1, but not sure)
Repaired
Minneapolis, MinnesotaCan't see temperature display, extremely dim. Sometimes the timer readout out won't stop when you let go of up or down button. Have had a code display a few times over the years but hasn't really ever been a problem. Has been like this for many, many years. Can still use the oven just need to count out every time you push button to sent temp.Repaired
Malden, MassachusettsLED Display is very faint, almost unreadable. Everything else works fineRepaired
BOULDER, ColoradoDisplay of the Thermador Oven Control Board is too dim to read, oven and range function normally.Awaiting receipt of timer
Seattle, WashingtonDim display, bake element not getting power, right front burner spark missingRepaired
Burnaby, British ColumbiaLed is very dim and hard to read.
Lately oven temperature too hot with top burner kicking in burning food.
Repaired

Common problems for Thermador Range RDSS30 Timer Repair

Are you encountering a similar problem as them? Contact us now and we will try to help you fix your RDSS30 timer-related problem.
We have already been charged $200 to 'fix' the burner. Basically, the technician said that in order to fix it, he would have to take everything apart and we were risking making all the burners.. not just the slow one .. not work. We are very frustrated as we love the range, but cannot seem to (a) find anyone to repair it (b) anyone who even knows what part it needs (c) we need help from Thermador to see what are our next steps as we are stuck in that the range is in a penisula with a downdraft so don't have alot of choices unless we want to redo our kitchen configuration which we do NOT want to do. The model is RDSS30RS . Thanks for any advice.. Marianne in Chattanooga, TN
We are unable to use the self-cleaning feature on our Thermador freestanding oven, model RDSS30RS. We follow the instructions in the care and maintenance manual that came with the oven, and the word "door" unexpectedly comes on and the oven cleaning fails to start. The book refers to a page 47 on "solving operational problems," but explanation of our problem is not dealt with. What should we be doing? We purchased the oven in 2000 and have used the self-cleaning feature many times since then without any problem.
we have a ten year old thermadore Model RDSS30RS gas/electric oven. The indicator light for temperature control is extremely dim. Can you tell me if this is adjustable? Also, thermadore does not make this control and directed me to CoreCentric, they will rebuild the part, can you tell me how to disassemble the front panel and and remove this indicator section. Thanks
I have a Thermador Model Number RDSS30RS, Serial Number 99040137 that has a defective control unit part Number 486752. Apparently that part is no longer in production. My range is only 11 years old. Is there any way to repair it or do I just have to discard the oven. This just seems crazy to purchase the BEST oven on the market only to find out Thermador does not provide parts for repair!
I have a thermador RDSS30RS. The front left (XLO) burner doesn't operate I can't read the digital readout-it is too dim
How do I removve the cooktop on my Thermador RDSS30 dual fuel oven to locate and replace the 'Spark Module'? Also, Is there any details I should know about replacing the Spark Module? Thanks.
We have Thermador RDSS30 Dual Fuel Downdraft Slide In. After power outage, we got F1 error code when power returned. We have hit cancel button, made sure no other buttons were stuck. Still getting F1. Can you help?
We have a Thermador RDSS30 30" Dual-Fuel oven. One burner will not light. We've tried the suggested fixes given in the owners' manual, but no luck. The other burners all work, and the electric spark is working on the bad burner, but apparently no gas is getting delivered to that burner. Is there anything else we can try before calling a repairman?
I have a Thermador gas RDSS30 oven and keep getting an "F3" error display. I have tried everything in the manual, and nothing worked. My friend checked as much as he could and discovered the element is good, the bottom sending unit is good. We had 11 volts to the white wire, and 72 volts to the red wire. The cooktop works fine, all of the buttons on the oven panel ie. the bake, broil, etc. give me the F3 error. Is the control panel bad? Is the mother board fried? I have been on line trying to find the elcetronic board but to no avail. Please help.
I have a Thermador 30" dual-fuel slide-in oven, model #RDSS30 that's about 10 years old. I now have a problem. The digital readout panel does not work, and the oven & broiler will not work. The gas range works fine, and the oven light works fine. Please tell me how to get this fixed. Thanks Kevin Keeffe Seattle Washington USA
Hi. I have a 30 Thermador Convection Oven (RDSS30 I believe). The control panel just went blank and although the light button still works, the burners light and I can hear clicks when I pust the other control buttons, the oven wont work. Any ideas? I see in the manual it says to reset the control but there is no information on how to do thios. Any help is appreciated.
I have a thermador RDss30 oven. For one of my burners, I have to turn the knob about 1/4 turn before the gas goes on and the spark starts. The others work correctly. What part do I need to replace for this? I have already replaced the electronics for the oven with the new part several years ago.
I have an RDSS30 stainless steel Thermador - the arm bracket of the downdraft is broken and I cannot find a replacement or the part number. The downdraft will not go up or down - blower works fine.
I ordered a replacement control module and it came with some nice instructions. The first step is loosening the main top. Well, 3 of the venturi tubes screwed out but the left front WILL NOT come out. Of course, now it's stripped beyond repair (and I've ordered a new one.) Any ideas about how to get it out? -- Dave
Greetings All, My Thermador RDSS30 has begun to act up again. If i set it to bake, it starts at 100 and very slowly climbs up but doesn't go over 200 degrees. The bake element never gets red and the oven keeps clicking. The broil element works fine though. The last time this happened I replaced the bake element and it came back on, however this time replacing the bake element has not solved the problem. Possibly a defective element? Can someone tell me how to test the element and possibly advise on what else besides the element could be wrong.
Hi, We have a Thermador RDFS30QB oven with gas burners (two with the extra-low option). Recently, the left front burner began exhibiting an unusual behavior - after being on for say ten minutes or so, it will turn itself off and the ignitor will immediately start clicking as it tries to relight the burner. There is no gas flowing at this time so it obviously won't succeed in relighting. This happens during normal operation, that is, the burner is not in its extra-low mode. If I turn off the burner and let it cool for a bit, it relights just fine and behaves normally, until it gets hot enough and repeats its antics. Clearly, this is a thermal-related problem somewhere in the burner's control system. Any ideas as to where to begin? I would appreciate any advice on this as it's driving my wife nuts (which in turn...trickle-down theory). Adnan
My Thermador gas& ELECTRIC (RDSS30) oven cook top has one of the 4 burners that is not getting any gas coming out of it. All 4 click with the electronic ignition but can only hear gas from the other three, which all light.
Our Thermador RDF30QW oven (Ser# 95120118) has three problems, and I'd like advice on what's easily repairable (and new part numbers if known). First, the right front burner no longer lights from its own control, but will light if I turn on a second burner at the same time. Second, the convection fan no longer runs on "Convect" mode - it's been starting up slowly until recently, but now not at all. Finally, like other posts, the digital display can't be seen anymore - it's been a problem for several years. Is part number AP2836528 the correct replacement? Is it still available? Appreciate any help you can offer...
turned off master CB for house, Thermador RDSS30 gas came back on with F1 (stuck swx) fault code...pulled oven CB to turn off beeping...would not reset with powwer on/off/on cycle...all push buttons are in normal postion...any advice?
My Thermador oven clicking problem is odd. Every day, the first time you try to use the oven (six star burners, two are xlo) the igniters click perfectly, but there is NO gas flow to any burner. Sometimes for a few minutes of clicking. Finally, the gas starts to flow to all "on" burners. Then, we are good for the rest of the day--turn the knob, 1 or two clicks and gas flows and lights perfectly. What to do???????
Thermador RDSS30 Cooktop works fine. Oven will not turn on. Any button pushed says ''OFF''
thermador rdss30rs xlo burners don't light and right side burners don't light either. can light right side with lighter. while burners are on igniter spark continously.
Hi everyone, Another year, another appliance to fix Seems like lots of posts on Thermador XLO burners -- had the back right go out maybe a month or so ago, and now the front right doesn't work. By not work, I mean I turn on the burner (knob), hear clicking/see spark, but the gas valve isn't opening. After combing the forums here, it seems a typical problem and quite likely the potentiometer kit, possibly solenoid. The plan will be to attempt to remove the grill top venturi tubes, see if I can eliminate the solenoid as the culprit (my hunch is that it's the pot). If the solenoid is good, I'll swap w/ the pot kit. Does this sound reasonable? I have two hesitations: one is breaking the venturi tubes, in which case the wife will be irritated that there would be NO working burners , the other is that the kit indicates modification may be necessary. (Kit is AP3872616) Anyone who has done this: Are we talking pinpoint precision modification or duct tape and bailing wire? I can handle some sim
digital display won't light up... RDSS30RS I can't get the digital display(clock,oven temp, ect.) to come on. when I push the bake button I hear a click and then another. is there a fuse to replace? Thanks.
The display on the control module of our RDSS30RS oven is too dim to read. Thermador says the replacement is no longer available. Where can I get a replacement?