Thermador Range RDFS30QW Timer Repair

What is the timer/clock part number for the Thermador RDFS30QW Range?

Timer part number 486752 for Thermador RDFS30QW

The RDFS30QW Range uses timer part number 486752.

Do you have a failed Thermador RDFS30QW control panel? Click here:

Request Appliance Timer Service

We can repair or replace your faulty Thermador RDFS30QW timer.

RDFS30QW are also sometimes referred to using these Alternative Names/Model numbers

Bosch RDFS30QW Range

RDFS30QW Schematic and Wiring Diagrams

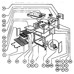
Gas burner box assembly Parts diagram
RDFS30QW Range Gas burner box assembly Parts diagram
Main oven assembly Parts diagram
RDFS30QW Range Main oven assembly Parts diagram
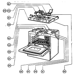
Cooling and electrical control Parts diagram
RDFS30QW Range Cooling and electrical control Parts diagram
Main oven door assembly Parts diagram
RDFS30QW Range Main oven door assembly Parts diagram
Storage drawer and base Parts diagram
RDFS30QW Range Storage drawer and base Parts diagram

Recent Service Requests

CityProblem DescriptionResolution
Talent, OregonToo faded to see well.Awaiting receipt of timer
Vancouver, British ColumbiaButton gets stuck - this time trying to press for high temperature in Convection Oven. I have removed the button at this time. The read-out is also very hard to see, and has been for some time! The F1 and F3 have happened several times over the last several months. I turn off the stove at the breaker and it is then able to be used again. However, this time, I removed the "up" button completely.
I have really appreciated your explanations!
Repaired
Loveland, ColoradoDim LEDs, can't see numbers. Checking to see if you have a replacement, new or one with LEDs repalced with new LEDs.Repaired
Montreal, QuebecThe clock / timer shows the code F1, and there is an alarm sound emitted every few seconds. As stated in the owner manual, I closed the electricity and restarted it, and gigled all the buttons with no avail. Now, the oven (electric) does not work, but the two standard burners do (but not the 2 XLOs). Everything was working fine before the clock / timer started displaying the F1 code, except for the rather dimmed display.Awaiting receipt of timer
Sudbury, Ontarioerror f1 cleared by power off then on. lights dimRepaired
Bellbrook, OhioVery dim displayRepaired
Burbank, CaliforniaThe main heating element does not warmup or reach temperature.
Possible relay problem in board....for bottom heating element.
This has occurred several years ago & it was repaced with a rebuilt board then.
The heating element in the bottom of stove is & temperature sensor are 100% functional & new.
Please advise if you have a replacement available or.. you dont have item in stock...If I need to send the defective part for repair first.
In the past I've returned the defective board after receiving a rebuilt board.
Repaired
Mountain View, MissouriTemperature is erratic. Seems to reach low temps (350 & below) fine. However, when setting board to higher temps, board doesn't want to reach temperature. You can set board to 400 degrees it will get to 360-375. If you set board to 550, control never reaches over 400 degrees.Replaced with new in-stock timer
GARDEN GROVE, CaliforniaVERY DIMAwaiting receipt of timer
Fairport, New YorkOven temperature cannot be controlledReplaced with reconditioned timer
Salem, OregonDigital numbers of oven temperature are fading and difficult to see. We want to replace the unit with a new unit before it fails completely.Replaced with reconditioned timer
Durham, North Carolinadisplay is dim. irratic oven temperatureReplaced with new in-stock timer
Garden Grove, CaliforniaDigital display is very dim. Able to press bake/broil/clean but cannot read the temperature.Awaiting receipt of timer
Nepean, OntarioLED lights are very dim or not working
Require NEW timer.
Replaced with new in-stock timer
Butler, IndianaBoard will be mailed from customer K. Swaim. Original diagonsis from CoreCentric Solutions was the "relay board arced to the logic board" beyone drpair.Replaced with reconditioned timer
Nepean, OntarioRequire a repaired/reconditioned serviceable timerReplaced with new in-stock timer
Nepean, OntarioLED lights are very dim or not working
Require NEW timer.
Replaced with new in-stock timer
Nepean, OntarioRequire a repaired/reconditioned serviceable timerReplaced with new in-stock timer