Thermador Range RDFS30Q Timer Repair

What is the timer/clock part number for the Thermador RDFS30Q Range?

Timer part number 486752 for Thermador RDFS30Q

The RDFS30Q Range uses timer part number 486752.

Do you have a failed Thermador RDFS30Q control panel? Click here:

Request Appliance Timer Service

We can repair or replace your faulty Thermador RDFS30Q timer.

RDFS30Q are also sometimes referred to using these Alternative Names/Model numbers

Bosch RDFS30Q Range

RDFS30Q Schematic and Wiring Diagrams

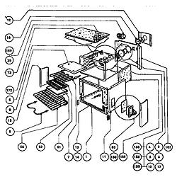
Gas burner box assembly Parts diagram
RDFS30Q Range Gas burner box assembly Parts diagram
Main oven assembly Parts diagram
RDFS30Q Range Main oven assembly Parts diagram
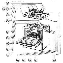
Cooling and electrical control Parts diagram
RDFS30Q Range Cooling and electrical control Parts diagram
Main oven door assembly Parts diagram
RDFS30Q Range Main oven door assembly Parts diagram
Storage drawer and base Parts diagram
RDFS30Q Range Storage drawer and base Parts diagram

Recent Service Requests

CityProblem DescriptionResolution
Troy, MichiganDim DisplayRepaired
Waynesville, North CarolinaCan barely read clock numbers and can not read oven temperature numbers at all.Repaired
Waynesville, North CarolinaOven won't heat.Repaired
Talent, OregonToo faded to see well.Awaiting receipt of timer
Issaquah, WashingtonOven won't heat. Display has been dim for years.
Repairman said it's probably the control board.
Awaiting receipt of timer
Southampton, MassachusettsDim display - not sure all buttons are responding, bake seems to work fine, but broil and convection may not work, etc. - since display can hardly be read, we have no way of knowing more. Range works fine as far as cooktop and "bake" seems to work, although hard to use with no displayAwaiting receipt of timer
Arlington, VirginiaDisplay faded and unreadable.Repaired
Carmel, IndianaDisplay is dim.Awaiting receipt of timer
Vancouver, British ColumbiaButton gets stuck - this time trying to press for high temperature in Convection Oven. I have removed the button at this time. The read-out is also very hard to see, and has been for some time! The F1 and F3 have happened several times over the last several months. I turn off the stove at the breaker and it is then able to be used again. However, this time, I removed the "up" button completely.
I have really appreciated your explanations!
Repaired
andover, MassachusettsDim displayRepaired
Loveland, ColoradoDim LEDs, can't see numbers. Checking to see if you have a replacement, new or one with LEDs repalced with new LEDs.Repaired
Kansas City, MissouriF1 code - oven doesn't workAwaiting receipt of timer
Chilliwack, British ColumbiaDisplay too dull to readRepaired
Flint, MichiganNo LED Display the oven works as everything does too.Repaired
Montreal, QuebecThe clock / timer shows the code F1, and there is an alarm sound emitted every few seconds. As stated in the owner manual, I closed the electricity and restarted it, and gigled all the buttons with no avail. Now, the oven (electric) does not work, but the two standard burners do (but not the 2 XLOs). Everything was working fine before the clock / timer started displaying the F1 code, except for the rather dimmed display.Awaiting receipt of timer
Rohnert Park, CaliforniaOven inop
Broiler & timer functions seem ok
Heating element tested good continuity @22 ohms.
Repaired
Rohnert Park, CaliforniaOven inop
Broiler & timer functions seem ok
Heating element tested good continuity @22 ohms.
Repaired
Watertown, MassachusettsBottom heating element is not getting up to temperature, but element continuity is good.Repaired
Sudbury, Ontarioerror f1 cleared by power off then on. lights dimRepaired
Bellbrook, OhioVery dim displayRepaired

Common problems for Thermador Range RDFS30Q Timer Repair

Are you encountering a similar problem as them? Contact us now and we will try to help you fix your RDFS30Q timer-related problem.
I disassembled my Thermador oven to replace capacitors that are causing the oven control display to go dim and finally to go out almost completely. While doing this a wire slipped out of the J1 connector. I am not sure which slot it goes back into. I believe it is pin #1, 2, or 3. Judging from wear on the pins of the connector it looks like it goes to pin #3. However, I would like to confirm this with a wiring diagram or a picture. Can anyone find a diagram for this unit? It uses a Robertshaw Controls unit. When I called Robertshaw they said they did not have the diagram since it is an OEM part. Thermador is hopeless.
when I try & turn on my oven, it says "off" on any button I press. The oven lights are on & the top is working. I cannot get the oven to turn on
I have a thermador oven rdfs30wq and need help to remove the side panel. I have opened thetop of the oven and removed the 3 screws from the side wall. The side panel feels loose but still seems to be attached to the oven about half way down. Can you provide any guidance? Is there a way to get a manual online? Thanks in advance for your thoughts! David
Is the tempered glass back splash costmetic or do we have to have it. Ours shattered tonight and i am trying to figure out whether i have to replace it or if we can just take the shattered glass out and continue to use our range