Thermador Freestanding Dual Fuel Range RDF30RS Timer Repair

What is the timer/clock part number for the Thermador RDF30RS Freestanding Dual Fuel Range?

Timer part number New 486752 for Thermador RDF30RS

The RDF30RS Freestanding Dual Fuel Range uses timer part number New 486752.

Do you have a failed Thermador RDF30RS control panel? Click here:

Request Appliance Timer Service

We can repair or replace your faulty Thermador RDF30RS timer.

RDF30RS are also sometimes referred to using these Alternative Names/Model numbers

Bosch RDF30RS Freestanding Dual Fuel Range, RDF30RS (9707 & UP), RDF30RS(PRIOR-9707)

RDF30RS Schematic and Wiring Diagrams

Gas maintop component Parts diagram
RDF30RS Freestanding Dual Fuel Range Gas maintop component Parts diagram
Non-sequence manifold assembly Parts diagram
RDF30RS Freestanding Dual Fuel Range Non-sequence manifold assembly Parts diagram
Burner box assembly Parts diagram
RDF30RS Freestanding Dual Fuel Range Burner box assembly Parts diagram
Gas control valve detail Parts diagram
RDF30RS Freestanding Dual Fuel Range Gas control valve detail Parts diagram
Jet holder assembly detail Parts diagram
RDF30RS Freestanding Dual Fuel Range Jet holder assembly detail Parts diagram
Free standing Parts diagram
RDF30RS Freestanding Dual Fuel Range Free standing Parts diagram
Main oven liner and module Parts diagram
RDF30RS Freestanding Dual Fuel Range Main oven liner and module Parts diagram
Storage drawer and base Parts diagram
RDF30RS Freestanding Dual Fuel Range Storage drawer and base Parts diagram
Main oven door assembly Parts diagram
RDF30RS Freestanding Dual Fuel Range Main oven door assembly Parts diagram
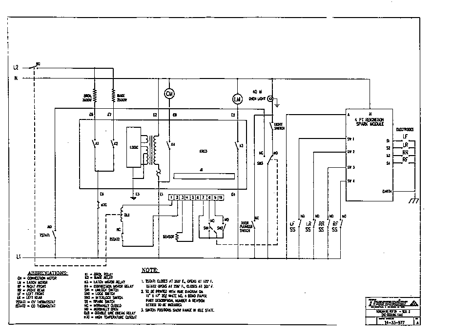
Schematic Parts diagram
RDF30RS Freestanding Dual Fuel Range Schematic Parts diagram
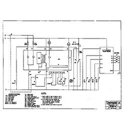
Wiring diagram Parts diagram
RDF30RS Freestanding Dual Fuel Range Wiring diagram Parts diagram

Recent Service Requests

CityProblem DescriptionResolution
Wakefield, MassachusettsBaking heating element is not working if set for baking.
Heating element was replaced and same problem.
Awaiting receipt of timer
Toronto, OntarioOven display cannot be readRepaired
Lower Burrell, PennsylvaniaThis old timer was damaged when the broil element failed and arced to the case of the oven. The timer displays the entire display character set but never boots the oven control. I talked to Howard Simons about this earlier today, we talked about shipping that would get this here before the end of this week, I suspect that is the one I selected if not please ship it via the method that will get it here before the end of this week. Questions? call my cell 724-493-2321. I will send you the old timer when I get it out of the client's range.Replaced with new in-stock timer
North York, OntarioOven temperature numbers faded.
Clock numbers faded.
Repaired
Quebec, QuebecDead - Hoping for a replacement - Do You Have IT?Awaiting receipt of timer
Mississauga, Ontariodisplay was dim now not operational at allAwaiting receipt of timer
WEST MILFORD, New JerseyDim displayAwaiting receipt of timer
Ferndale, MichiganThe main oven bake element will not heat at all. Prior to this failure, the control would sometimes reset/turn off in the middle of a baking cycle, or would randomly enter a blinking mode.Awaiting receipt of timer
Dow, IllinoisOven Doesn't heat, but broiler worksReplaced with reconditioned timer
x, IllinoisLEDs are too dim to see properlyAwaiting receipt of timer
Atlanta, GeorgiaF1 , Beeping, No displayRepaired
Downingtown, PennsylvaniaWas going dim/ now no function at all.Repaired
Voorhees, New JerseyHeating element blew and single blackout moment now control timer does not go on at all. Replaced heating element but still nothing. Need to replace.Awaiting receipt of timer
Barrington, Rhode IslandF1 code; beeping alarm which does not turn off.Awaiting receipt of timer
Suwanee, GeorgiaWhen oven is set it cuts off. F1 error code comes on intermittently.Awaiting receipt of timer
Pitttsburgh, PennsylvaniaThe light was very dim and the temperature readout was not visible.Replaced with new in-stock timer
Midland Park, New Jerseyoven does not start.
Failure code and chime.
Repaired
seattle, WashingtonOven will not heat. 240 volts not being sent to lower heating element from oven controller.Awaiting receipt of timer
EAST TROY, WisconsinTHIS PART MAY BE REPAIRABLE. WE THINK WE WILL USE NEW.Replaced with new in-stock timer
Westfield, New YorkOven will not heat and beeps until the breaker is shut off.Replaced with reconditioned timer

Common problems for Thermador Freestanding Dual Fuel Range RDF30RS Timer Repair

Are you encountering a similar problem as them? Contact us now and we will try to help you fix your RDF30RS timer-related problem.
how do i loosen the main top to replace clock clock on thermador model#rdf30rs ser.#96060027
Just tried to turn on our Thermador oven, model number RDF30RS. It has a gas oven and an electric oven. When we push any button to start the oven (ie. Bake, Convection, Broil, etc.) the only thing that displays is OFF. Any thoughts? The gas oven works fine. Thanks.
No Comment Added
RDF30RS MODEL ELECTRIC CONNECTION FOR THIS MODEL IS 220 OR 110 v? , WHAT IS THE AMP SERVICE FOR THIS MODEL ?
We have a Thermador 30" free-standing duel-fuel oven. (RDF30RS and Serial # XXXXX). We have had it for around 10 years. Just recently, the oven started to heat up and not stop heating up, then the broiler came on. We have not been able to control this process and no one locally is able to address it. They said it is a clock problem, which I took to mean that the electronic panel has some kind of a problem. Can you help? Dan