Thermador Range RDDS30V Timer Repair

What is the timer/clock part number for the Thermador RDDS30V Range?

Timer part number 486752 for Thermador RDDS30V

The RDDS30V Range uses timer part number 486752.

Do you have a failed Thermador RDDS30V control panel? Click here:

Request Appliance Timer Service

We can repair or replace your faulty Thermador RDDS30V timer.

RDDS30V are also sometimes referred to using these Alternative Names/Model numbers

Bosch RDDS30V Range

RDDS30V Schematic and Wiring Diagrams

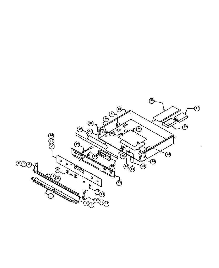
Gas maintop Parts diagram
RDDS30V Range Gas maintop Parts diagram
Manifold assembly sequence Parts diagram
RDDS30V Range Manifold assembly sequence Parts diagram
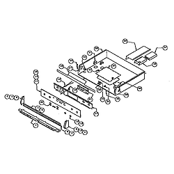
Burner box assembly Parts diagram
RDDS30V Range Burner box assembly Parts diagram
Gas control valve detail Parts diagram
RDDS30V Range Gas control valve detail Parts diagram
Jet holder assembly detail Parts diagram
RDDS30V Range Jet holder assembly detail Parts diagram
Drop-in Parts diagram
RDDS30V Range Drop-in Parts diagram
Snorkel assembly Parts diagram
RDDS30V Range Snorkel assembly Parts diagram
Base assembly Parts diagram
RDDS30V Range Base assembly Parts diagram
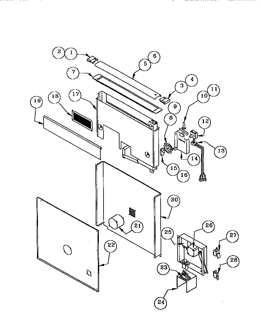
Main oven liner and module Parts diagram
RDDS30V Range Main oven liner and module Parts diagram
Storage drawer and base Parts diagram
RDDS30V Range Storage drawer and base Parts diagram
Main oven door assemby Parts diagram
RDDS30V Range Main oven door assemby Parts diagram

Recent Service Requests

CityProblem DescriptionResolution
Broomfield, ColoradoClock and oven inoperable.Repaired
Milwaukee, WisconsinAwaiting receipt of timer
Pinellas Park, FloridaBroiler works fine. Oven does not sense when has reached set degree than F1 error occurs. Example cookies burn within minutes.
Closing on house need first available part refurbished or new.
Awaiting receipt of timer
Bountiful, UtahThe Oven will not turn on and the temperature adjustment is not displayed.Awaiting receipt of timer
Littleton, ColoradoDisplay went dim and now out completely.Repaired
Boston, MassachusettsError code F1 and oven wouldn't turn on or operate.Awaiting receipt of timer
Langley, Washington1) LCD is dim, cannot read it. And 2) Upper right button does not catch and stay in; falls out during cleaning, black plastic nib is broken. And 3) If any button stuck F1 appears.Repaired
Los Altos, CaliforniaI had my Thermador timer repaired by you back in March 2017. It has worked well since but this February unfortunately the appliance failed again and was beeping constantly. We are not currently at the house but a repairman diagnosed a failed control board. The tenants had to disconnect power to the appliance stop the beeping. The repairman wants to replace the appliance but I would prefer to replace the timer/control board. I will be at the house the weekend of May 13th-14th and can do it then. I can return the broken timer afterwards to you. Can you ship me a reconditioned model to install?Awaiting receipt of timer
St. Petersburg, FloridaDisplay very dimAwaiting receipt of timer
Jericho, VermontDisplay has slowly become so dim that the display is hard to readRepaired
Bethesda, MarylandF1Awaiting receipt of timer
West Linn, OregonUnit is functional. Problem; display is very dim . . . very difficult to see numbers.Repaired
Woodstock, GeorgiaF1 and F3 errors codes, timer and display very dim, heating in oven is not consistent.Awaiting receipt of timer
Helena, Montanaoven will not heat beyond 280 degrees .Replaced with new in-stock timer
Spruce Grove, Albertadisplay so dim cannot seeAwaiting receipt of timer
santa cruz, CaliforniaThe oven controller in my range works perfectly, except the digits displaying the oven temperature are visible but very dim.Repaired
Short Hills, New JerseyTimer is too dim to be usedAwaiting receipt of timer
Alameda, CaliforniaF1 ErrorAwaiting receipt of timer
Lake Forest Park, WashingtonThe orange temperature display on my control panel is very dim and hard to read. The part number is based on your webpage (I have not accessed the part directly yet to confirm the part number). I'd consider either a refurbished part or a repair to my present part. I can send back my old timer after I replace it with one from you (we'd rather do this than send back mine first to minimize how lIg our oven is unusable)/Awaiting receipt of timer
Woodland Hills, Californiadisplay is mostly unreadable other than the (very dim) time.Repaired

Common problems for Thermador Range RDDS30V Timer Repair

Are you encountering a similar problem as them? Contact us now and we will try to help you fix your RDDS30V timer-related problem.
I have a Thermador RDDS30VRS. One burner stopped a month ago (no gas flow), I replaced the solenoid, still no flow. Now another burner has stopped (no gas flow), and the oven bake element (bottom one) no longer heats (yes, I tried a new one - still no heat). I assume it's all related to some internal, electronic part. Any ideas, or troubleshooting hints? Thanks, CRB
Unit: ~2002 Thermador RDDS30VRS drop-in, dual fuel oven with aft remote down draft Problem: Up/Down button switch on downdraft broken off. Vent system in the down position. Question: how do I replace the switch? (I found the switch on line) Thanks, Rich
I have a dual fuel Thermador range. Model RDFS30RS, S/N 99030074 built in 1999. I have two questions: 1-On the front right burner, the igniter is loose, not enough gap to light the burner. You can hold the igniter such that there is a gap and the burner will light. 2- The oven window has double glass. I need to remove the glass and clean the inside of the two pieces of glass. I think the basic need is how to remove the oven door and then the door can be taken apart
my ge cafe dual fuel oven is stuck show LOC cANNOT CLEAR TO USE OTHE CONTROLS
Follow up question for this Thermador oven. RDDS30VRS. My parts store cant find the control module for the burner solinoid. Can you give me a part number or name of the part. They say it doesnt have one.
I have a dual fuel Thermador with electric oven. The oven wont switch "On". When you push the On button(s) the control panel flashes "Off" signal. How to remedy this, please?
I have a Thermador model RDDS30VRS the left front burner sparks but wont light. There is no gas coming out. Thought it had a bad in line electric solinoid but its good. The solinoid is not getting power. Wondering if it could be the micro switch at the burner knob or at the control module. I know there is a spark module and another module that im not familiar with. Any guesses?
I have a RDDS30V and you can barely ready the digital red temp gauge. The green clock is almost as bad. Past warranty and need instructions on how to remove the burner top to get to the unit that is defective. If I can get to it, where would be a good place to order the defective unit.
I have a Thermador RDDS30V. Baking element does not come on, and seems to barely warm up at all. I removed it, checked impedance, and it is conductive, very near zero, which seemed pretty low to me. The broiler comes on, no prob. Do you think it is the baking element, or the control board? Any advice? Tx... -dbi.
How Do I loosen the maintop on a RDDS30V?
I have a Thermador range model RDDS30V that approx 9 yrs old. Two problems. Both on left side burners. We ran the range for a while with just three burners( one left side and two on right). I tried to fix myself a while back. I had spark at the ignitors but no gas was coming out of the front burner. I tried to replace the valve but still nothing. I kind of gave in to just using three burners. Now I've got nothing on the left side. No spark on either burner on the left side. I'd like to fix both problems once and for all. Thanks John
Thermador rdds30v-bottom element not heating. We replaced it. Still not heating. What should we do next?
dual fuel drop in RDDS30V oven can't reach temperature. Cooktop works and broiler. Set oven for 350, it acts like it is starting. 100 comes up on the display, the bottom element does not turn on. The oven heats to 125 in 10 minutes. The only heat source appears to be the top element
I have a thermador RDDS30V oven that was giving F3 & F1 readouts on the panel, which is supposed to indicate a stuck button. The repair man replaced the control module yesterday and afterwards I tried to bake bread. After about 40 minutes ht eF# XXXXX F1 messages appeared again and the beeper wouldn't stop
Which Thermador model is the replacement for the DROP-IN Model RDDS30V ?
I am trying to remove (to repair) the Oven clock Controller from the front of the range. Must I remove the top of the range to complete the task or can I slightly force up the range top to remove the Controller ?
My 8 yr old oven has numerous sudden problems. Only 2 burners work and the others spark continuously when one is on. My friend looked at it and said the gas isn't flowing to the left side. The oven looks like it's working, but doesn't heat up and the exhaust fan raises, but won't run. Can all these problems be caused by one part? I had the ERC replaced 3 years ago and it's worked fine since. If I do need to replace, any suggestions? Any help is appreciated!!!!!
The display on our oven is very dim, the only part of the display that shows anything is the clock, the oven still seems to work, but some of the numbers on the keypad do not function. I was going to order the control kit, which includes the display head, main power relay, and the harness keypad. If I change all that, the problem should be fixed? TIA
I have 2 codes that have come up on my oven panel. E6 and F2. Can you please tell what is wrong with my double ovens? I would like to have the ovens fixed by
My Thermador RDDS30VRS only heats up to 230 degrees
I just found this forum and decided to join. Boy I just don't like Thermadors. I'm working on an RDDS30VRS. clock won't power up the oven or broiler. I did the obvious thing and ordered a replacement clock and installed it. New clock installed, doing the same thing, but now giving me an F1 alert. F1 is stated as an ERC (clock) board failure. I've also noticed that the broil element is blown out. I'm going to be ordering another clock an a broil element. My brain frazzler is that I'm hearing a "clicking" noise from the back of the oven as I try to fire up the oven or broiler with the current clock. I hit the bake or broil button, It won't allow me to select a temp. OFF is displayed and I hear the click. OFF goes off, clicks again. My real blurry wiring diagram shows no relays back there that I can decipher. Another oven that was a similar model I looked at didn't appear to have any relays back there. This oven is a slide-in that was tiled in front of it, so it will need to be lifted 4 t
thermador model rdds30v,bottom oven element 120 v only. require 240 v.
oven shuts off Thermador built-in model # RDDS30V (APPROX. 10 YEARS OLD): We have several problems with our Thermador as listed below. Any help would be greatly appreciated! 1. The front simmer burner does not work. 2. When the oven is on and we turn a simmer burner on the oven shuts off and the clock blinks (as if there were a power outage). 3. After the oven has been on and the unit is off the oven ignitors make noise as if they are trying to light the burners. 4. The electronic read-out lights are dim.
Re: Whirlpool double oven Mod. RBD276PDB12 Problem: Display went out, keypad keys still cause a beep when pressed, "Light" key still controls oven lights, "Start" key still locks and unlocks keypad. Periodically display comes back on for a few seconds (10-20) and then goes off again. When the display comes back on it will sometimes display "E6 F2" and sometimes it will display normally (clock/time of day). Sometimes when I am not looking I will hear 2-3 beeps. By the time I get in front of the oven the display is blank so I don't know if the display came on and then went off again when the beeps occurred. What do you suggest - replace control board, control panel, control power transformer or something else?
OK, I'm stuck. The repairman came out and replaced the control board in my oven (whirlpool double oven/RDB275PDB14), but now I'm being told I may need several other parts (control panel and/or smaller circuit board on the left of control board$$$ . I'm seeing error codes F5/E1 initially then two beeps followed by error E1/F2. After reading other posts, I’m beginning to second guess this “repairman”. Any thoughts ? I really need help!!!
I was replacing a bake element on Thermador unit model RDDS30VRS and the wire attached to the element came off and didn't come through the wall and I can't locate it . How can I get access to it?
On the gas rangetop with the XLO side one burner works the other doesn't. It sparks but will not create any flame. It seems there is no gas coming out of it. It is the front burner. The back burner works fine. The range is super clean, no obstructions, just will not take the spark and light. Why isn't it giving any gas? On a side note, the front panel all of a sudden stopped working, no clock, no bake, no broil. Had a certified service guy out. Said the front control panel needed to be fixed. Said to junk the range, it wasn't worth fixing. A $5000 range not worth fixing? So, googled the problem. There was a forum with many of the same problems. One guy said shutting down the power to the unit for 5 minutes usually will reset the controls. Nothing to loose, so shut it down. When I powered it back up, magic, it works like a charm... Anyway, appreciate any input on this seemingly little problem of the burner not getting gas...
I was replacing the element and the wire with the terminal didn't come out through the wall and I can't find it . How can I acess the wire . I have a RDDS30V unit.
Thermador 30" Dual-Fuel oven 0FF error When I push any of the function buttons on the oven console (clock, Bake, Broil, clock) the display shows 0FF in red next to the clock. The oven will not turn on and the clock will not work. I can not find any troubleshooting information on this problem. The oven is a model RDDS30V. Any help would be greatly appreciated! I have the same problem... my oven has been working fine for two years then today just no function
Thermador 30" Dual-Fuel oven 0FF error When I push any of the function buttons on the oven console (clock, Bake, Broil, clock) the display shows 0FF in red next to the clock. The oven will not turn on and the clock will not work. I can not find any troubleshooting information on this problem. The oven is a model RDDS30V. Any help would be greatly appreciated!