Frigidaire Electric Range PLES389ACC Timer Repair

What is the timer/clock part number for the Frigidaire PLES389ACC Electric Range?

Timer part number 318183620 for Frigidaire PLES389ACC

The PLES389ACC Electric Range uses timer part number 318183620.

Do you have a failed Frigidaire PLES389ACC control panel? Click here:

Request Appliance Timer Service

We can repair or replace your faulty Frigidaire PLES389ACC timer.

PLES389ACC are also sometimes referred to using these Alternative Names/Model numbers

Electrolux PLES389ACC Electric Range

PLES389ACC Schematic and Wiring Diagrams

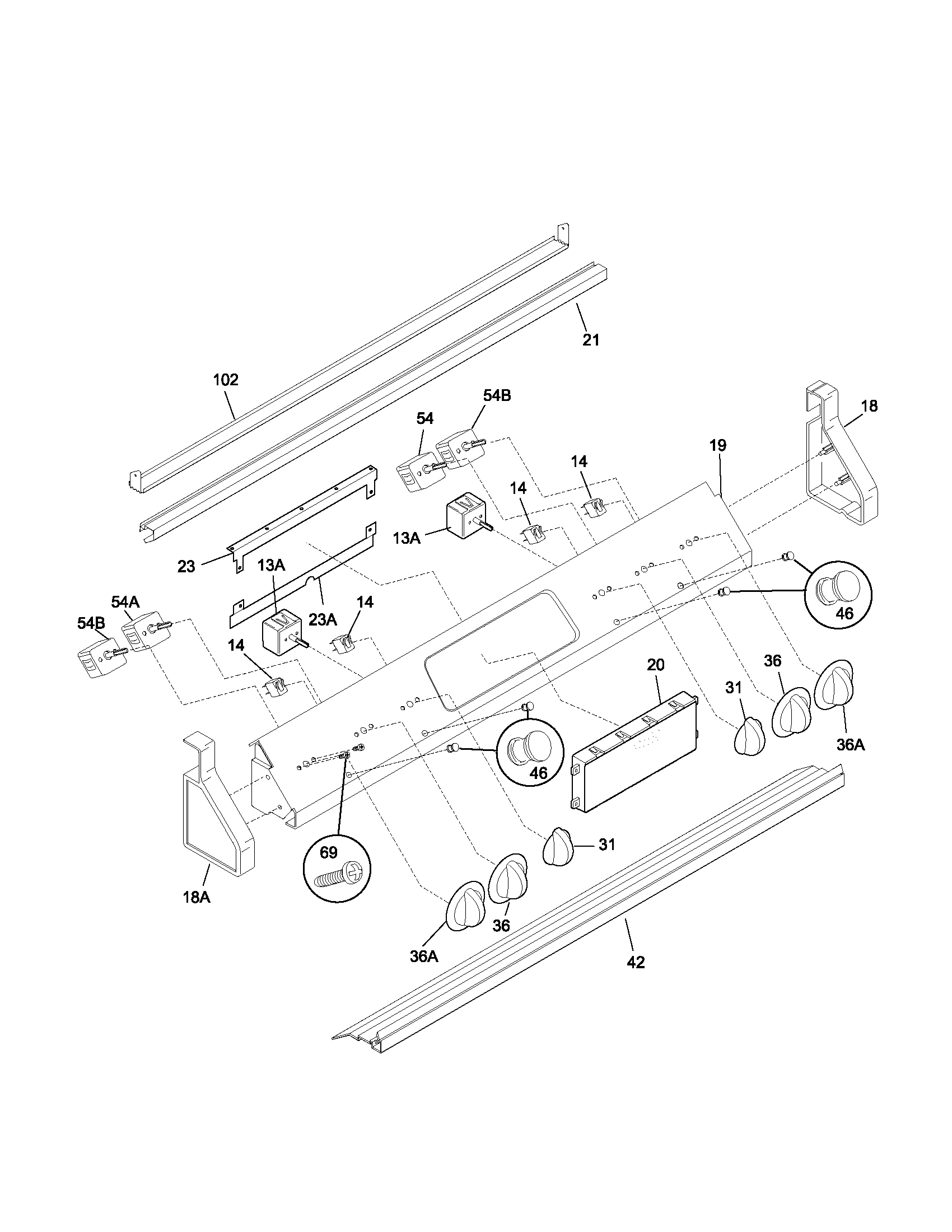
Backguard Parts diagram
PLES389ACC Electric Range Backguard Parts diagram
Body Parts diagram
PLES389ACC Electric Range Body Parts diagram
Top/drawer Parts diagram
PLES389ACC Electric Range Top/drawer Parts diagram
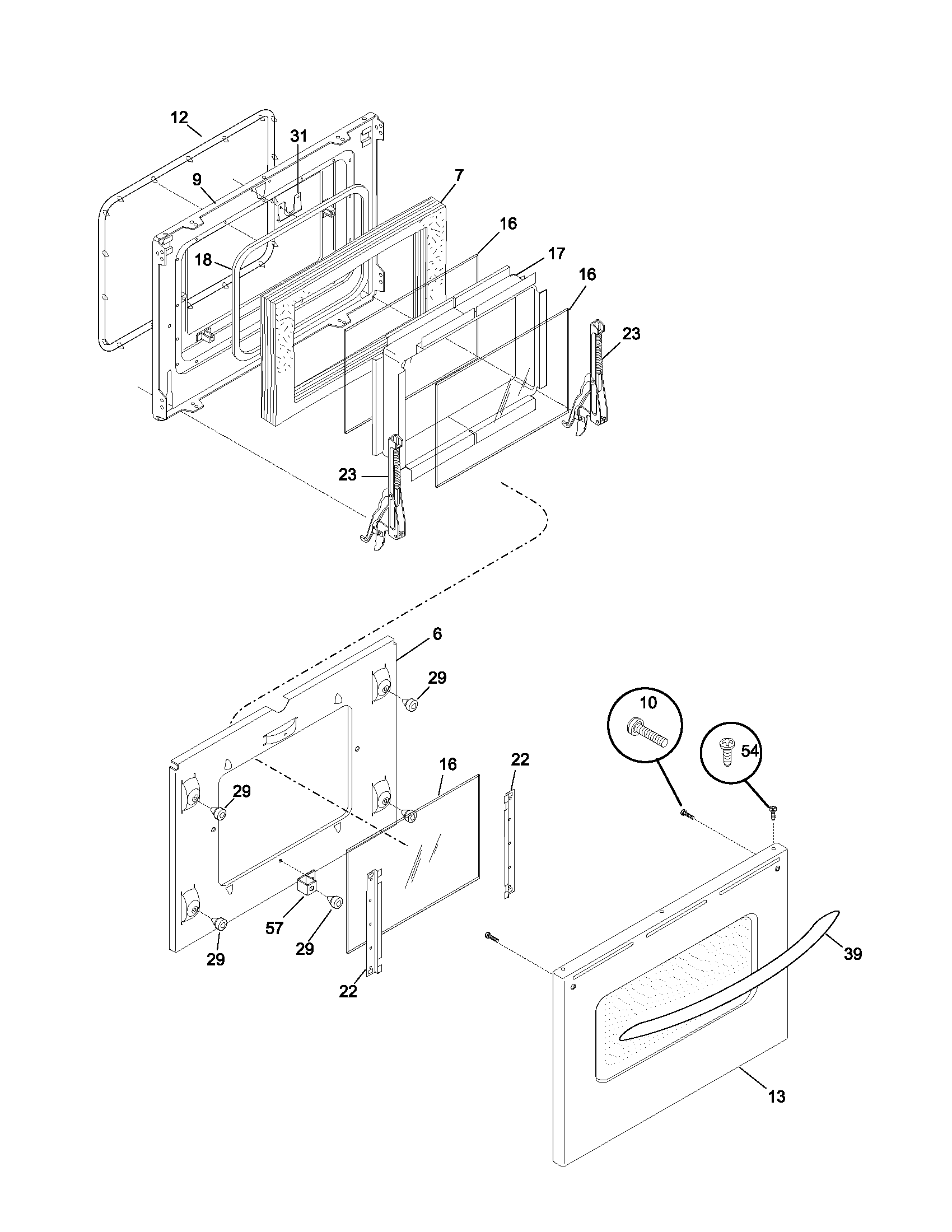
Door Parts diagram
PLES389ACC Electric Range Door Parts diagram
Wiring diagram Parts diagram
PLES389ACC Electric Range Wiring diagram Parts diagram

Recent Service Requests

CityProblem DescriptionResolution
Laurel, MississippiWhen trying to cook using oven it will work until the oven gets hot then it will start beeping and shoe F3Awaiting receipt of timer
Dearborn Heights, Michiganit started acting up on the top and went down to the bottm of buttons the top 3 still workAwaiting receipt of timer
Sarasota, Florida1st could not adjust clock setting
2nd number "3" ceased to function
3rd "start" button ceased to funtion

as per telephone conversation with Howard Simmons
Repaired

Common problems for Frigidaire Electric Range PLES389ACC Timer Repair

Are you encountering a similar problem as them? Contact us now and we will try to help you fix your PLES389ACC timer-related problem.
AM SERVICEING A FRIGIDAIRE oven M#PLEFM399DCB. IVE ALREADY REPLACED THE clock ASSEMBLY AND THE POWER SUPPLY/RELAY BOARDS. I GET ERROR CODES F7,F20,F22.THE PREVIOUS SEVICEMAN BEFORE THAT CAME OUT TO FIX ANOTHER PROBLEM WHILE UNIT WAS STILL UNDER WARRANTY TOOK THE TECH SHEET WITH HIM AND FRIGIDAIRE SAID THEY CANT SUPPLY ANOTHER. THE PROBLEM SEEMS TO BE INTERMITTANT. THE LONGEST TIME THE UNIT WENT WITHOUT BEEPING WAS APPROX 48 HRS AT
made the mistake of attempting to clean the oven on christmas eve nothing happened but now the lock light is on door will open but oven will not work lock is not engaged F8 code and alarm sounds disconnected power tried to reset no luck! pushed both upper and lower cancel buttons with no luck any ideas
the left front burner switch on my frigidaire ples389ecc range has pushed in and the spring on the switch must be broken. How do I get the front control panel off to get behind it and replace the switch? I have removed the 4 screws from beneath it and it won't budge.
We have a frigidaire cooktop model# XXXXX The top burners are working fine but when we try to use the oven in anyway we get a F30 ERR code on display. Is there a fix that I can apply myself home or is this a problem I need an outside tech. for?
Hello. I have a Frigidaire oven Oven...model # XXXXX is an error message F30...what are the possible causes for this error message F30. range manufactured in 2005, according to the label
We have a slide in oven model # XXXXX One of the knobs that control the surface burner has been broken off. (the result of a very heavy Thanksgivig Turkey) How can we replace it ourselves? How can we remove the front panel to access and replace the control switch and knob? Thank you. Jean
We have a Frigidaire slide in oven (PLES389ECC) and recently replaced one Control,electronic ,dual element w/potentiometer (Dual Element) and now the main control panel is not working. There is no power to the /clock/oven light or oven. So the only part of the oven that is working now are the burners. Nothing else. What could be wrong?
Fridgedaire ples389ecc started a self clean cycle, changed mind but range top still locked out
We have a frigidaire electronic oven model ples389ecc that will not let us bake/broil. It is flashing Err F30. We can stop the beeping when this message comes up but can't reprogram. How do you reprogram it? (PS can't reset clock either. Tried turning off and on power source)
My frigidaire ples389ecc oven is displaying and error code F30 what do I need to check