Frigidaire Electric Range PLEF398ACA Timer Repair

What is the timer/clock part number for the Frigidaire PLEF398ACA Electric Range?

Timer part number 316248000 for Frigidaire PLEF398ACA

The PLEF398ACA Electric Range uses timer part number 316248000.

Do you have a failed Frigidaire PLEF398ACA control panel? Click here:

Request Appliance Timer Service

We can repair or replace your faulty Frigidaire PLEF398ACA timer.

PLEF398ACA are also sometimes referred to using these Alternative Names/Model numbers

Electrolux PLEF398ACA Electric Range

PLEF398ACA Schematic and Wiring Diagrams

Backguard Parts diagram
PLEF398ACA Electric Range Backguard Parts diagram
Body Parts diagram
PLEF398ACA Electric Range Body Parts diagram
Top/drawer Parts diagram
PLEF398ACA Electric Range Top/drawer Parts diagram
Door Parts diagram
PLEF398ACA Electric Range Door Parts diagram
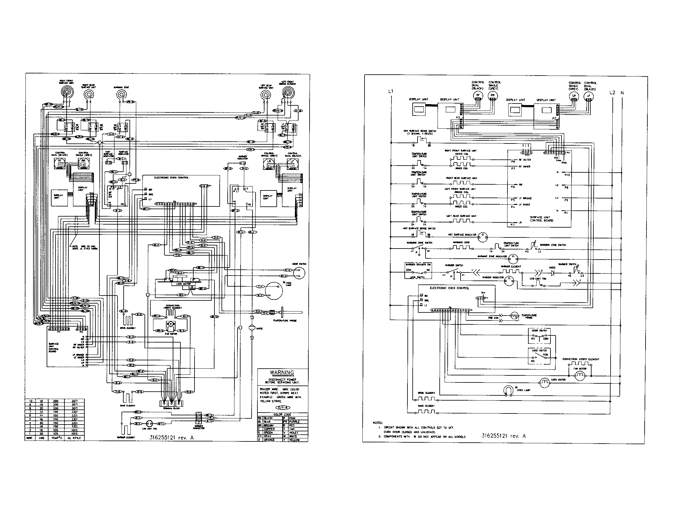
Wiring diagram Parts diagram
PLEF398ACA Electric Range Wiring diagram Parts diagram

Recent Service Requests

CityProblem DescriptionResolution
brampton, OntarioI pick up a timer from you today but it is incorrect.
The board that was change was replace with the incorrect board.
when the serviceman put in the new timer he had an extra wire but no were to plug it in. My original timer had the connections on the right side of the board. However all the connection on this board is on the bottom of the board. I would like to come in early in the morning and exchange for the correct one. Please call me at 7am 905-654-5950. Thanks Howard
Awaiting receipt of timer
Sanford, FloridaRight front 6/9 inch burner not working, F7 fault code flashes when trying to use that burner.Awaiting receipt of timer
Miami, FloridaBracket is brokenAwaiting receipt of timer
Lumby, British ColumbiaONE CORNER LED LIGHTS UP BUT NOTHING ELSE...THE OVEN DOESN'T WORK, NOR THE CONVECTION FAN ETC. THE STOVE TOP WORKS FINE, ALL BURNERSAwaiting receipt of timer
maple ridge, British Columbia4,5,and 6 buttons not workingAwaiting receipt of timer
GuaynaboF1, F7 blinking in all screens nothing workAwaiting receipt of timer
toronto, OntarioIf I use left side burner I get F7 or f1 beeping. It stop when I unplug and wait few hoursAwaiting receipt of timer
Chattanooga, TennesseeWe'll out of the blue starts flashing ER on every control and with an alarm then change to E7, want quite till u unplug Sometimes leave unplugged for hours it will stop for awhile after u plug back up then start again . Took back off a few times and unplugged oven elements along with probe and still goes off SoAwaiting receipt of timer
Stratford, OntarioProcessor overheated and burned motherboard - clock is beyond repair. Everything else is fine.Awaiting receipt of timer
Lachine, QuébecStopped working altogetherReplaced with new in-stock timer
Montreal, QuébecF7 error keeps being displayed.Replaced with new in-stock timer
Repentigny, QuébecDurant le nettoyage du four, un gros bruit est venu du timer. Une pièce a été change et maintenant, j'ai le code d'erreur F9. Le door lock barre la porte puis la débarre. Il fait ce cycle quelque fois puis il se met à beeper et le code d'erreur F9 apparait. En pressant sur le clear, il recommence son cycle de barrer et débarrer la porte.Awaiting receipt of timer
Bristol, Rhode IslandFirst the start button was not working, now many other buttons not workingRepaired
Bristol, Rhode IslandFirst the start button was not working, now many other buttons not workingRepaired
Montréal, QuébecAs per email inquiry, I would like to order a new timer since mine is beyond repair and since you don't have any reconditioned ones.Replaced with new in-stock timer
Whitby, OntarioOven does not heat up. Timer turns on but does not work.Repaired

Common problems for Frigidaire Electric Range PLEF398ACA Timer Repair

Are you encountering a similar problem as them? Contact us now and we will try to help you fix your PLEF398ACA timer-related problem.
oven PLEF398ACA had one burner would not shut off right RF turned off power worked fine now getting F7 reading and no top burnners are working oven works fine
I have a Frigidaire electric Single Convection Oven, in-cabinet mount, model PLEB30S8ACA. It randomly stops baking mid-cycle. Also, the beeper starts going off at random times. It had this problem before, and the control panel was replaced for around $300. This time around I can do the repair myself, but I want to know a) would I need to replace the whole control panel, or just some parts of it? And b) the original, and this replacement each only lasted about 3 years. Is this typical, or is it a frequent problem for which Frigidaire offers some acknowledgment and/or redress?
Appliance Parts Pros, After doing extensive research on posts it was recommended I replace The Surface Unit Control board (AP4499660) to fix Fault Error Code F1. I had carefully replaced this board without any luck. I had checked the board and it's connections twice over, also mapping the wiring diagram with its connections etc... again no luck. Can you smart folks suggest any other causes of this problem? Did I replace the correct part? Please let me know ASAP as 1. Christmas is in 2 days and my wife wants to chew my head off 2. The part was $185 with shipping, and I'd like to double check my options before I send it back....
I have a Frigidaire electric double oven Model PLEB30T8CCB where the top oven bake element will not heat (the broil element works fine). We have tested out the bake element which works fine - however one leg of the power feeds to the bake element does not have 120vac. In trying to trace back to the next component in the line - we are unable to determine if the lack of power is due to the clock/control or some rely board on the top of the oven. Any ideas on how to isolate this or what the problem may be?
frigidaire gallery model#PLEF398ACA The computer touch don't work The oven don't work because the touch pad any button i push gives error message F-1 err
is there a recall on this oven plef398aca that I is there a recall on this oven plef398aca that I missed?? I am having the F7 problem too
My large burner will not shut off on my frigidaire range. The burner which has a small burner and large burner in one will not shut off when the switch is turned to off. The small burner setting on the knob will only work on the larger setting also. We have to turn off the breaker at fuse box to shut this burner off. Frigidaire smooth top oven model #PLEF398ACA
Oven will not cut off I just bought a PLEF398ACA and the oven is of but it seems to be still hot
I have a Frigadire Gallery range, the front right small electric burner will not shut off, I replaced p/n 31623961, the model number of the range is plef398aca..... still no help...
Frigidaire ES400 oven, front right small burner wont shut off without playing with control knob
We have a frigidaire mod plef398aca elec oven this oven. This has an element that isnt working. it is the front right . there is also on occasion times when f7 flashes across the control panel if you turn off all elements usually it goes out and stops flashing. my wife called the local repair man a couple of months ago . he came up to look at the range he pulled off the back of the range did some testing and told my wife that it was a bad control board. He estimated that the part would cost about 300 plus to fix she told him that it was not worth that much to fix this range. well i am at the point where i want to get it fixed i cant afford to buy a new one . Any thought on what part this guy was talking about????
We have a Frigidaire Slide in oven/oven Model #PLEF398ACA....the range top "eyes" were on and suddenly began flashing erratically (2 of them were on and then we turned a 3rd one on and it began to flash as well) F7 and beeping continuously. We can't locate our manual to determine the issue...we went to our main fuse box and turned the power off but when we turned it back on it just continued to beep and flash either F7 or HE...(we know HE stands for heat/hot)
have Frigidaire Model #PLEF398ACA CERAMINC GLASS COOKTOP oven. One of the elements will not shut off, the control knob is not sticking.