Thermador Combination Oven MTR217 Timer Repair

What is the timer/clock part number for the Thermador MTR217 Combination Oven?

Timer part number 35MF1202B2 for Thermador MTR217

The MTR217 Combination Oven uses timer part number 35MF1202B2.

Do you have a failed Thermador MTR217 control panel? Click here:

Request Appliance Timer Service

We can repair or replace your faulty Thermador MTR217 timer.

MTR217 are also sometimes referred to using these Alternative Names/Model numbers

Bosch MTR217 Combination Oven

MTR217 Schematic and Wiring Diagrams

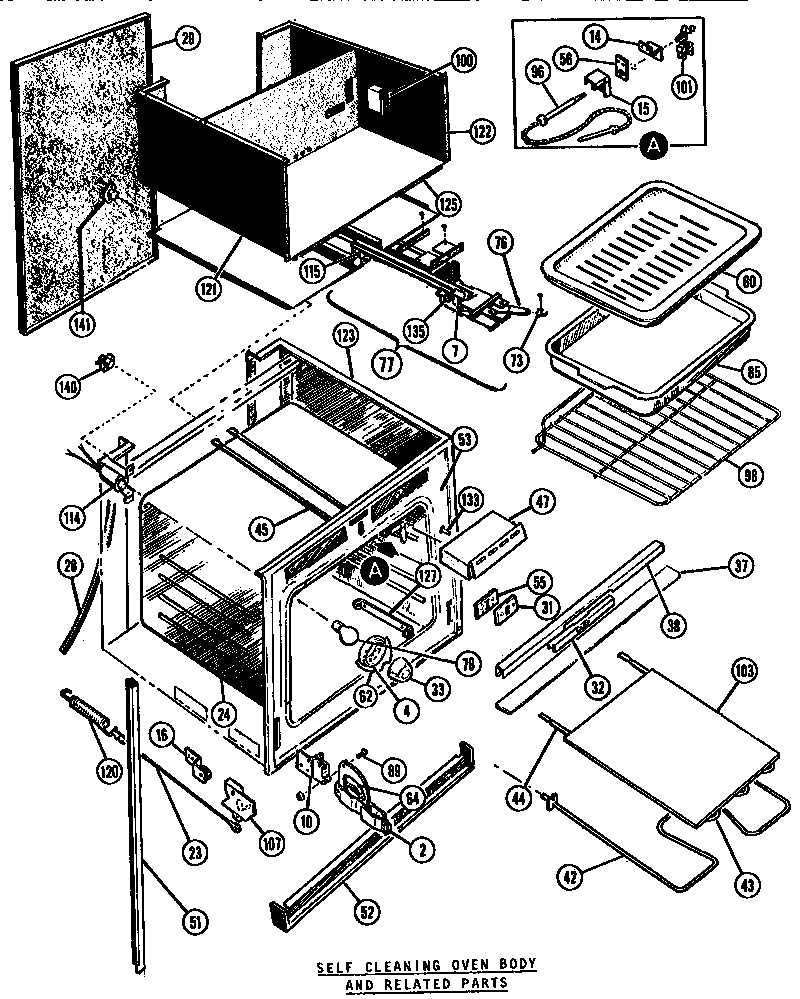
Self cleaning oven body Parts diagram
MTR217 Combination Oven Self cleaning oven body Parts diagram
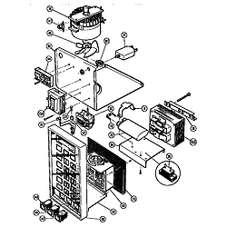
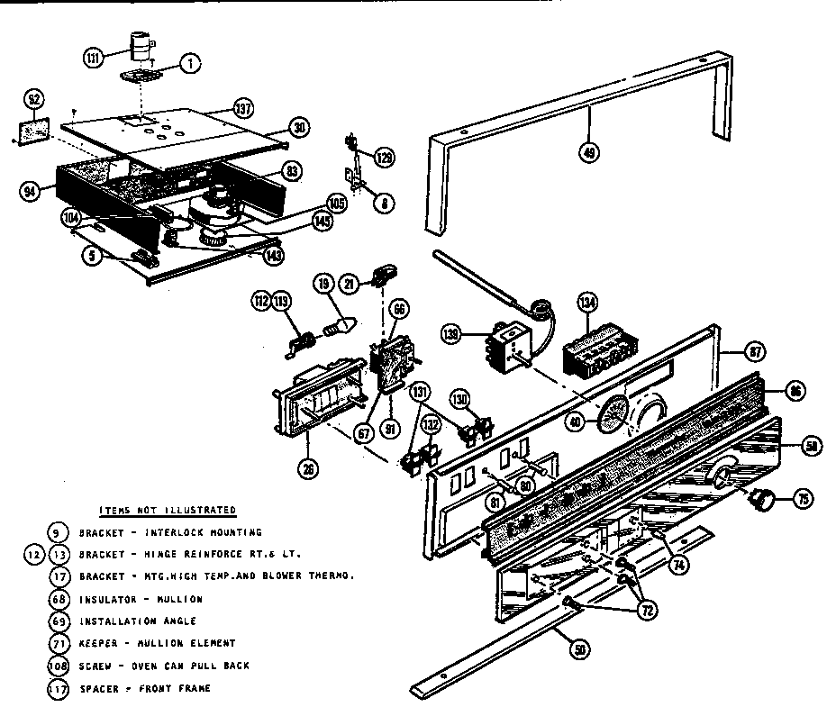
Self cleaning oven control section Parts diagram
MTR217 Combination Oven Self cleaning oven control section Parts diagram
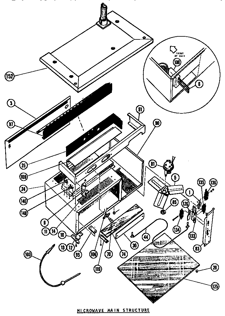
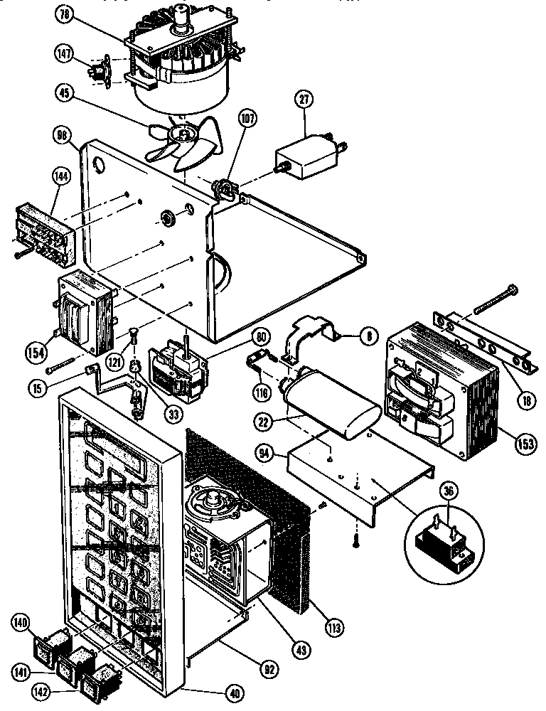
Microwave main structure Parts diagram
MTR217 Combination Oven Microwave main structure Parts diagram
Microwave power compartment door Parts diagram
MTR217 Combination Oven Microwave power compartment door Parts diagram
Microwave power section Parts diagram
MTR217 Combination Oven Microwave power section Parts diagram
Microwave food cavity door Parts diagram
MTR217 Combination Oven Microwave food cavity door Parts diagram

Common problems for Thermador Combination Oven MTR217 Timer Repair

Are you encountering a similar problem as them? Contact us now and we will try to help you fix your MTR217 timer-related problem.
I have a Thermador Thermatronic combo microwave/oven unit (old) and yesterday the interior glass cracked on the oven door. Is this fixable? Do I replace glass, or door, or find a new unit? Opinions? thanks seran
Am trying to locate a (black plastic) microwave replacement handle for a Thermador MTR217. Have Thermador part # (I think) and/or replacement Bosch part number. I have tried both Thermador and Bosch and BOTh say discontinued. Am trying to locate a Thermador junk yard or source to find cannibilized parts from old units that were torn out, broken, etc. Operationally works fine, just hanfle to open microwave door cracked in 2 pieces years ago, so only a half broXXXXX XXXXXdle is on the oven right now.
I have an old oven microwave combination, model MTR217. I would like to replace it without changing cabinet. help please
Am trying to locate a (black plastic) microwave replacement handle for a Thermador MTR217. Have Thermador part # (I think) and/or replacement Bosch part number. I have tried both Thermador and Bosch and BOTH say discontinued. Am trying to locate a Thermador junk yard or source to find cannibilized parts from old units that were torn out, broken, etc. Operationally microwave works fine, just handle to open microwave door cracked in 2 pieces years ago, so only the metal lever that the handle (wooden or plastic) attaches to/screws into is missing. I am ONLY willing to pay for answer that is able to deliver a part. Sourcing me to a place that says part # XXXXX an so is discontinued from manufacturer is of no help to me. I have tried through the years and twice on your service got nowhere...nice people just unable to deliver the solution I need.