Maytag Range MER6772BCW Timer Repair

What is the timer/clock part number for the Maytag MER6772BCW Range?

Timer part number 74006213 for Maytag MER6772BCW

The MER6772BCW Range uses timer part number 74006213.

Do you have a failed Maytag MER6772BCW control panel? Click here:

Request Appliance Timer Service

We can repair or replace your faulty Maytag MER6772BCW timer.

MER6772BCW are also sometimes referred to using these Alternative Names/Model numbers

Whirlpool MER6772BCW Range

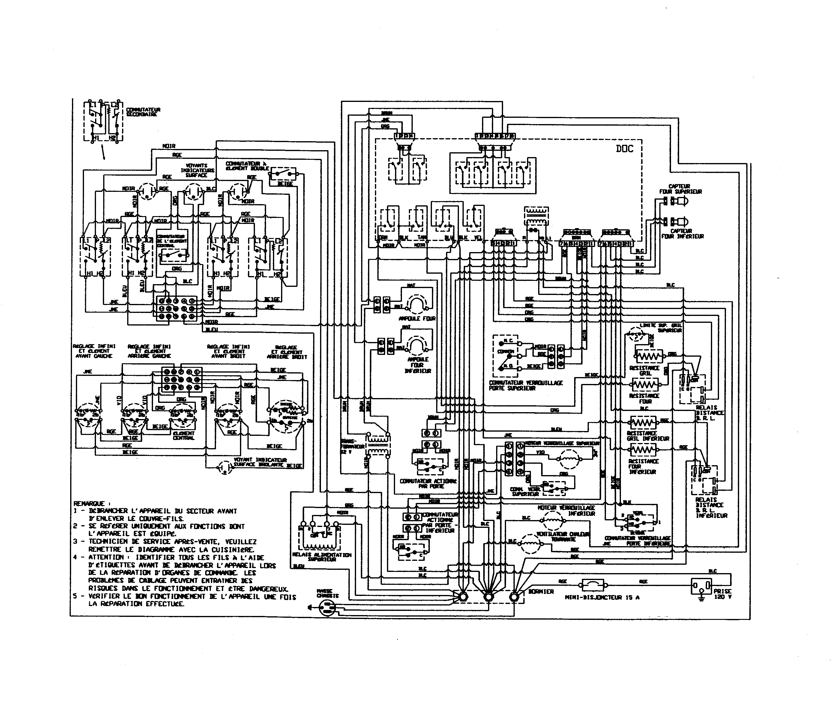
MER6772BCW Schematic and Wiring Diagrams

Control panel Parts diagram
MER6772BCW Range Control panel Parts diagram
Wiring information Parts diagram
MER6772BCW Range Wiring information Parts diagram
Wiring information (fch) Parts diagram
MER6772BCW Range Wiring information (fch) Parts diagram
Top assembly Parts diagram
MER6772BCW Range Top assembly Parts diagram
Door (lower-bcb/bcq/bcw) Parts diagram
MER6772BCW Range Door (lower-bcb/bcq/bcw) Parts diagram
Door (upper-bcb/bcq/bcw) Parts diagram
MER6772BCW Range Door (upper-bcb/bcq/bcw) Parts diagram
Body Parts diagram
MER6772BCW Range Body Parts diagram
Oven Parts diagram
MER6772BCW Range Oven Parts diagram

Recent Service Requests

CityProblem DescriptionResolution
Goulais River, OntarioThe bottom oven lower element is not getting power. The broil element, top oven and stove all work. I've traced it back to no voltage on the control board terminal for the dead element. The only other issue I've had is that the control board has had a hum/buzz since we've owned the oven (but that has now stopped, maybe the suspect relay?). I've checked the resistance of the element which is in spec at 21ohms. Also, the temperature display for both ovens is dim.Repaired
Orleans, OntarioCooking chicken legs at 400F, quite a bit of steam and the oven started giving us the F1-2 error and beeping non-stop and the keypad wasn't working. I removed the unit and cleaned the ribbon cable connectors as I had read that oxidation can cause the keypad to fail. That fixed the keypad and it worked for a bit. Now the keypad works but it will throw F3-2 or F1-2 errors while baking. I have tested the sensor and it is at 1080 ohm at 20 degree celcius. While testing I used a thermometer and the oven temperature was accurate. The F1-2 error will also come on a few minutes after the oven has been turned off.Awaiting receipt of timer
ORLEANS, OntarioDual oven unit:

Upper oven & numerical touchpad function buttons not responsive.

Bottom oven touchpad function buttons & display are still operational.
Timer inspected, no repairs necessary
Burnaby, British ColumbiaReplaced with reconditioned timer

Common problems for Maytag Range MER6772BCW Timer Repair

Are you encountering a similar problem as them? Contact us now and we will try to help you fix your MER6772BCW timer-related problem.
Hi, do you have any technician serving Toronto/Markham area in Ontario, Canada? I bought a Maytag Gemini double oven oven about 5 years ago with warranty just expired. Now some of the buttons on the panel are not responding, so the clock now displays the time but we cannot adjust it as the button to control this clock is not responding as well as the buttons for the top oven. Could you please let me know what possibly went wrong with it. Can it be recorrected by itself if you could show me the steps to fix it? Much appreciated, Ellen Cheung Markham, ON - Canada
I know what the problem is F-2 i need to know how to Fix it. I do not have access to a maytag repair shop and live in a isolated town. Please give me the directions on how to fix. Thank you