Maytag Range MER6772BCB Timer Repair

What is the timer/clock part number for the Maytag MER6772BCB Range?

Timer part number 74004542 for Maytag MER6772BCB

The MER6772BCB Range uses timer part number 74004542.

Do you have a failed Maytag MER6772BCB control panel? Click here:

Request Appliance Timer Service

We can repair or replace your faulty Maytag MER6772BCB timer.

MER6772BCB are also sometimes referred to using these Alternative Names/Model numbers

Whirlpool MER6772BCB Range

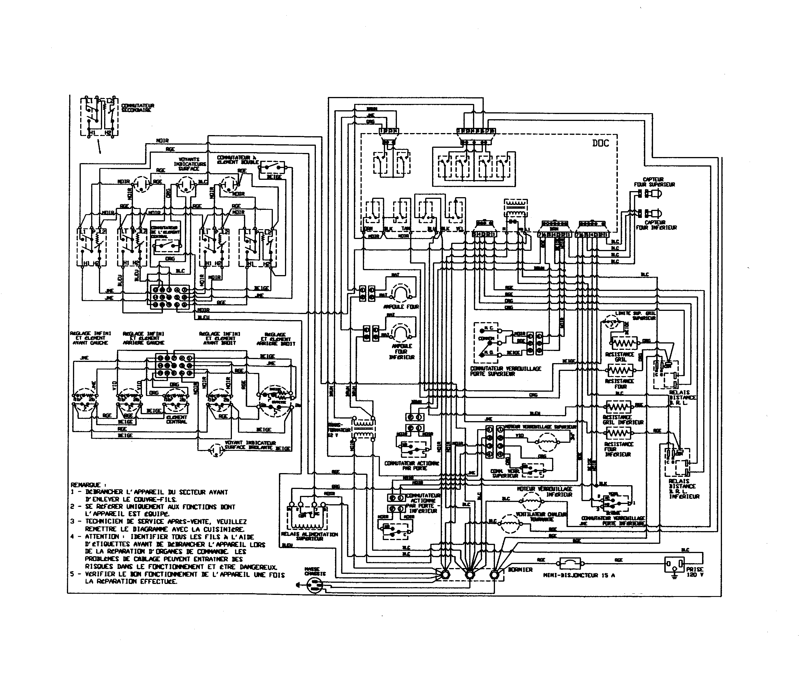
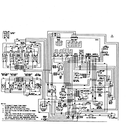
MER6772BCB Schematic and Wiring Diagrams

Control panel Parts diagram
MER6772BCB Range Control panel Parts diagram
Wiring information Parts diagram
MER6772BCB Range Wiring information Parts diagram
Wiring information (fch) Parts diagram
MER6772BCB Range Wiring information (fch) Parts diagram
Top assembly Parts diagram
MER6772BCB Range Top assembly Parts diagram
Door (lower-bcb/bcq/bcw) Parts diagram
MER6772BCB Range Door (lower-bcb/bcq/bcw) Parts diagram
Door (upper-bcb/bcq/bcw) Parts diagram
MER6772BCB Range Door (upper-bcb/bcq/bcw) Parts diagram
Body Parts diagram
MER6772BCB Range Body Parts diagram
Oven Parts diagram
MER6772BCB Range Oven Parts diagram

Recent Service Requests

CityProblem DescriptionResolution
Edmonton, AlbertaWarranty repair per HowardRepaired
Edmonton, AlbertaTimer is dead, no display, no responseRepaired
Edmonton, AlbertaCancel button for top oven does not cancel the oven operation. To turn it off we have to turn off the breaker for the range and let it sit for a bit to reset.Beyond Repair
Edmonton, AlbertaAfter the broil elemet shorted the timer has stopped functioning completly, there is power at the timer. Please ship by FedEx on our account number 124 69 3527
Thanks
Replaced with reconditioned timer

Common problems for Maytag Range MER6772BCB Timer Repair

Are you encountering a similar problem as them? Contact us now and we will try to help you fix your MER6772BCB timer-related problem.
Maytag Gemini, MER6772BCB. Top oven broil element blew, sparks, a little fire, right at the support. Shut everything down, Removed element, repowered unit, no display, no clock, no oven controls. rangetop works, burners, but nothing else. Power is on, checked at connection on back of range 220 V coming in. I can't see anything in the drawings or manual about a fuse or reset?
Maytag Gemini Freestanding Electric oven - double oven. Tenant using it and it went totally black and does not work - no tripped circuit breakers