Maytag Range MER6772BAS Timer Repair

What is the timer/clock part number for the Maytag MER6772BAS Range?

Timer part number 74006215 for Maytag MER6772BAS

The MER6772BAS Range uses timer part number 74006215.

Do you have a failed Maytag MER6772BAS control panel? Click here:

Request Appliance Timer Service

We can repair or replace your faulty Maytag MER6772BAS timer.

MER6772BAS are also sometimes referred to using these Alternative Names/Model numbers

Whirlpool MER6772BAS Range

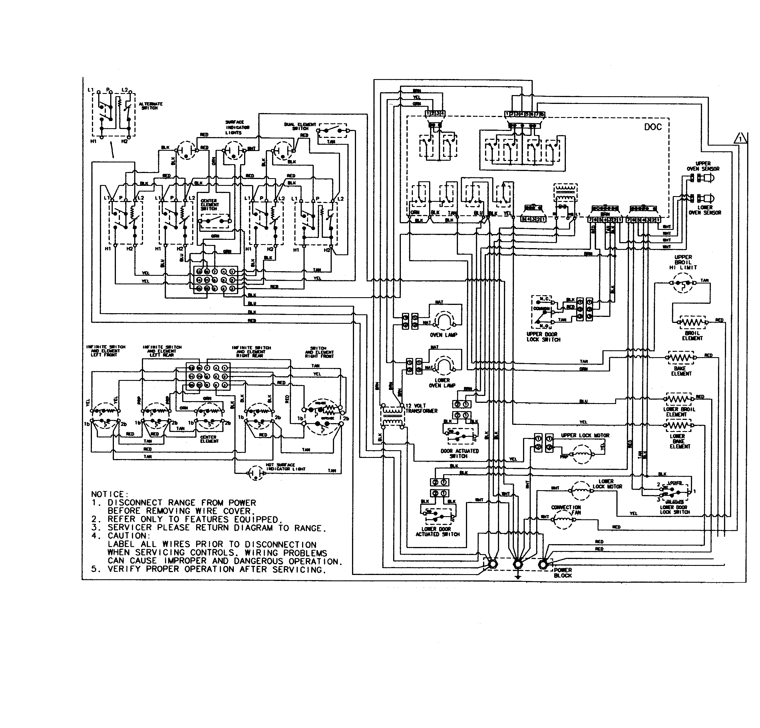
MER6772BAS Schematic and Wiring Diagrams

Control panel Parts diagram
MER6772BAS Range Control panel Parts diagram
Top assembly Parts diagram
MER6772BAS Range Top assembly Parts diagram
Door (upper-bac/bas) Parts diagram
MER6772BAS Range Door (upper-bac/bas) Parts diagram
Body Parts diagram
MER6772BAS Range Body Parts diagram
Oven Parts diagram
MER6772BAS Range Oven Parts diagram
Door (lower-bac/bas) Parts diagram
MER6772BAS Range Door (lower-bac/bas) Parts diagram
Wiring information Parts diagram
MER6772BAS Range Wiring information Parts diagram
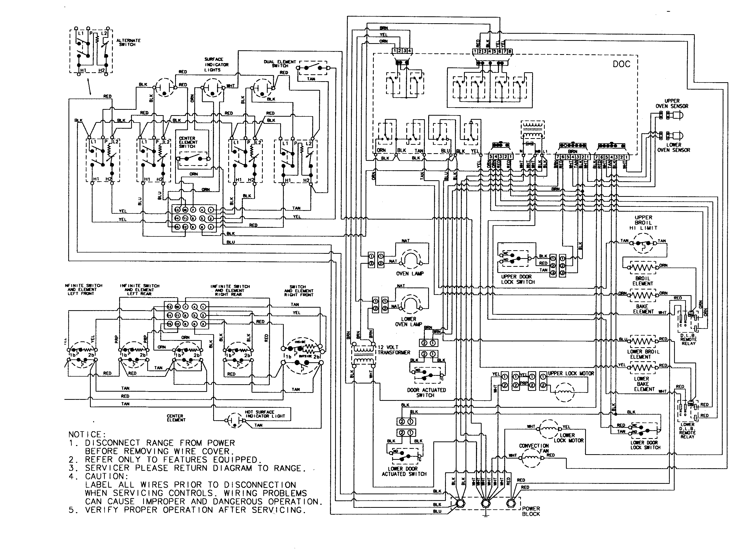
Wiring information (at various series) Parts diagram
MER6772BAS Range Wiring information (at various series) Parts diagram

Recent Service Requests

CityProblem DescriptionResolution
Fort Worth, TexasLower oven doesn't heat. Temp comes on at 100 then goes to 105 but the heating element isn't warm at all. Ohms on the lower heating element are 22.Repaired
Media, PennsylvaniaHi, I would like to purchase a reconditioned clock control unit. Once i have it replaced, I can send you the old unit.Awaiting receipt of timer
baldwin, New YorkLOWER OVEN ONLY REACHES 100 DEGREES ON OVEN SETTING. BROILER WORKSReplaced with reconditioned timer
Guilford, ConnecticutTop oven and surface burners work. Bottom oven does not work at all. I have checked the heating element and it is ok.

I can't find the number above on a part in my oven. I got that number from your reference page.
Awaiting receipt of timer
POMPANO BEACH, FloridaERROR MESSAGE SCROLLING ON CONTROL PANEL, OVENS DO NOT WORKReplaced with reconditioned timer

Common problems for Maytag Range MER6772BAS Timer Repair

Are you encountering a similar problem as them? Contact us now and we will try to help you fix your MER6772BAS timer-related problem.
The oven takes forever to heat up. The Broil seems to work no problem, it turns red and heats up. The regular bake takes about 15 minutes to go up 5 degree's. The clock makes its clicking sounds but no heat.
I have a Maytag Gemini double oven with the above model #, I believe that the control panel went out because the clock/clocks and all don't work. When we turn the ovens on, no matter what temp we set them to, it goes way above what even a seperate oven temp gauge will read. I tried ordering a replacement part from whirlpool in the middle of Jan, and they told me that it would be available on Feb 18th, I called this morning and was informed that it would be the end of April before they would have the part. I am going to try and take it apart and see if maybe something else could be the problem, any suggestions? I really would like to keep the double oven if possible, or should we just get a new one?
Why I get code F1-6
i have a mer6772bas. the lower and upper oven controls don't react to anything. disconnecting it didn't work either. the cook top controls work fine. it just the digital display were the clock, adjustments, clock, bake, etc..
f-9 code with lock sign coming on maytag gimini oven that displays f-9 and then lock sign appears on control board, model mer6772bas cant use oven
Need an owners manual for a maytag gemini model MER6772BAS.
oven displays error code f9-5 maytag gemini 6872 oven displays error code F9-5
Have an electric cooker MER6772BAS need to get the front right side element. Could you direct me as to where I can find this item?
We have a Maytag Gemini model MER6772BAS. The other night, we heard a quick loud 'BRRT' noise. Now the top oven won't maintain temp. It appears to come up to the correct temp, and will display that temp, but its clearly off by 100+ degrees. There are no error codes, and no unusual beeps. The bottom oven appears to work fine.
We have a Maytag Gemini oven, Model: MER6772BAS. We came home after being gone a couple of days and the control panel was off. (It appeared that the power had gone out because the clock on a separate microwave was flashing.) We don't appear to have any power to the control panel, although the oven burners do work. We can't turn on the ovens, because they are controlled by the panel. Is there a reset button somewhere? I checked the breakers at my electrical panel and they were OK. I did flip them off and then on again, but it didn't have any effect.
I have a maytag oven model # XXXXX I cant get the oven function to work. The surface cooking works. The only temp that the oven will work on is 350 degrees. I think the computer might be messed up. Can I reset or replace this?
I have a maytag oven model MER6772BAS Serial NumberNNN-NN-NNNN The oven cleaner will not work,. Push clean button, then auto set..the LOC light comes on but after a few minutes and clicks it beeps message F9-4 comes up with the message call authorized user. Very much appreciate any help. THANK YOU!
Lower "bake" element checks good but won't heat up / dave Jan 11, 2012 9am - Maytag Gemini range - model MER6772BAS - Serial 2019 7915 EJ 2005 pruchase -