Maytag Free Standing Electric Range MER6770AAW Timer Repair

What is the timer/clock part number for the Maytag MER6770AAW Free Standing Electric Range?

Timer part number 7004542 for Maytag MER6770AAW

The MER6770AAW Free Standing Electric Range uses timer part number 7004542.

Do you have a failed Maytag MER6770AAW control panel? Click here:

Request Appliance Timer Service

We can repair or replace your faulty Maytag MER6770AAW timer.

MER6770AAW are also sometimes referred to using these Alternative Names/Model numbers

Whirlpool MER6770AAW Free Standing Electric Range

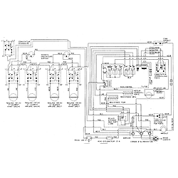
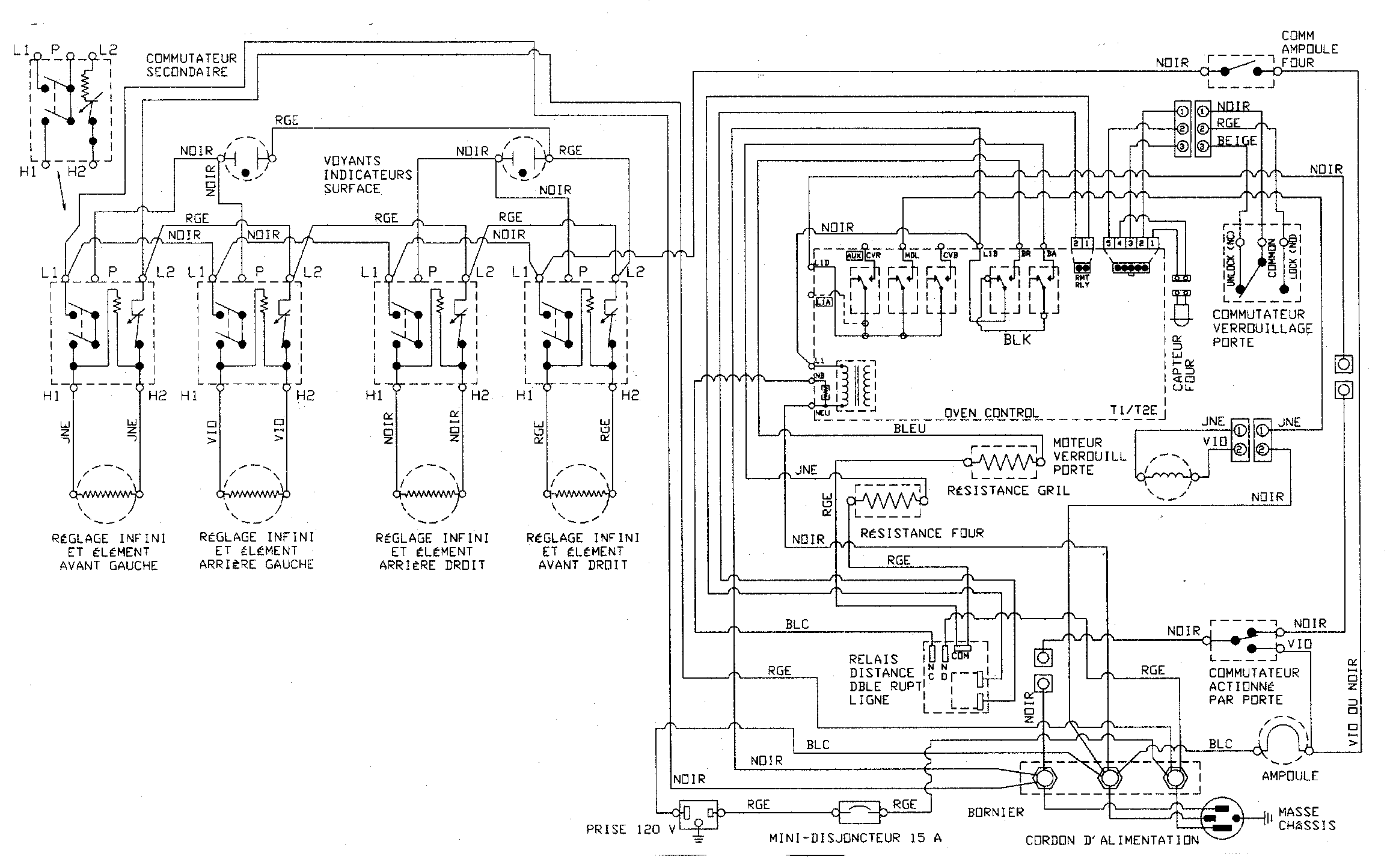
MER6770AAW Schematic and Wiring Diagrams

Control panel Parts diagram
MER6770AAW Free Standing Electric Range Control panel Parts diagram
Top assembly Parts diagram
MER6770AAW Free Standing Electric Range Top assembly Parts diagram
Body Parts diagram
MER6770AAW Free Standing Electric Range Body Parts diagram
Oven Parts diagram
MER6770AAW Free Standing Electric Range Oven Parts diagram
Door (upper) Parts diagram
MER6770AAW Free Standing Electric Range Door (upper) Parts diagram
Door (lower) Parts diagram
MER6770AAW Free Standing Electric Range Door (lower) Parts diagram
Wiring information Parts diagram
MER6770AAW Free Standing Electric Range Wiring information Parts diagram

Recent Service Requests

CityProblem DescriptionResolution
Campbell River, British ColumbiaLower oven element (not the broiler element, but the main one) does not come on. When activated, the element draws power for a second or two, then kicks out. The cause of this may have been that the lower element was resting on the bottom of the oven (and not on the support legs) for a period of time. The element itself shows a bit of burning where it was resting on the over floor, but it has tested OK. Questions? Please call Tim at 1-250-202-8344.Repaired
Barre, MassachusettsExcessive voltage to house after storm.
The clock/timer is completely blank, nothing lights. The top of the range works fine.
Awaiting receipt of timer
Henderson, NevadaLower element of upper oven doesn't heat.

All other functions of both ovens operate.
Repaired
LaGrange, GeorgiaOven faults with over tempAwaiting receipt of timer
Merton, WisconsinIntermittent F1-1 overheating ovensRepaired
Westminster, ColoradoStove keeps turning itself off and flashing the above codes. Sometimes we can press cancel and it will start working, but sometimes not. If we unplug the stove, it will sometimes work, but eventually goes back to turning itself off.Awaiting receipt of timer
Medina, MinnesotaTop oven totally inoperative.
Lower oven: If a new temp lower than current temp is commanded, temperature drops much lower than set point, and heating element doesn't come on. Also, when operating at fixed temp (say around 400 deg. F), the oven temperature eventually exceeds set point by as much as 50 degrees as measured by two accurate oven thermometers.
Repaired
buffalo, New Yorkligts up,f1 also,runaway,Awaiting receipt of timer
Milwaukee, WisconsinFrequent, intermittent alarming coinciding with F1-1 code, and occasionally F3 code. Elements and temp sensors tested and functioning properly. Please replace with a new/refurbished clock/timer if this one is found to be unfixable.

Thanks!
Repaired
Scarborough, MaineGet F1-1 Code, beeping and oven shuts off. Occasionally get F3-1 code as well.Awaiting receipt of timer
Webster, WisconsinUpon baking in lower oven unit shuts down and displays f1-2. Replacing sensor didn't repair it.Repaired

Common problems for Maytag Free Standing Electric Range MER6770AAW Timer Repair

Are you encountering a similar problem as them? Contact us now and we will try to help you fix your MER6770AAW timer-related problem.
I have a Maytag Gemini oven. I am getting an F1-2 error code (Runaway cook lower oven) when using the top oven and the lower oven is off. The best guess that I have seen trolling the internet is that the control panel, part # AP204841, may be failing. As it is a quite expensive part, can your experts offer an opinion as to likelihood of this? Many
Maytag Gemini Electric oven Model MER6770AAW. Upper oven broiler element will not heat up. Took the element to a parts appliance store where they tested it, and the element tested that it was still good/nothing wrong with the element. I turned off the circuit breaker then back on, reconnected the element, still does not work.
maytag MER6770aaw the 9 inch burner will stay on. this element has the option of being a 6 inch or 9 inch. But the 6 inch only work for few times, and didn't light up at all.
Getting error code 9-6 on MER6770AAW maytag gemini double oven oven...what and how to fix?
the upper oven of my maytag gemini double oven will not light. the controls appear to work fine, the lower level which also has convection, works properly.
Hot Surface Light Indicator on Model MER6770AAW Our hot surface light indicator is not working and we would like to replace that part. Any suggestions? I lifted up the top and found a part there but can't find the number that was listed on it at any parts lists. It looks like it wouldn't be too hard, but looks can be deceiving. Thanks for your help.
Have Maytag Gemini oven Model MER6770AAW with intermittent problem. Intermittent meaning it will go 1 0r 2 months problem free then multiple problems for a peroid of time. F1-1 is predominent problem. Replaced top oven sensor, reoccurred, thinking possibility new defective part swapped upper and lower sensors. have also had f1-3, f1-l, f3-1 and with either or both ovens set to bake 350 panel indicates both elements in oven on but no heat coming from them.Also f1-1 using only cooktop.Frequently can cancel and restart ok, sometimes need to remove AC power to resume. have reseated all connectors, checked ac voltage.
Hi- I own a maytag gemini double oven, #mer6770aaw. I replaced the oven control unit and forgot to label the wires. I now have four connections I am unsure about. Can you assist?
Troubleshooting a used Maytag MER6770AAW, double oven. The unit is 8 years old. Person selling it for a friend, cleaned it and replaced door gaskets, probably not powered up after that. Doors removed to facilitate getting it in-place. 4-wire cord replaced with 3-wire cord. Factory ground strap reconnected between power block and chassis ground. Unit plugged in, perhaps with doors off. Doors reinstalled and all burners heat up. Tried testing oven and was greeted with fault F1-A, indicating upper latch problem. Also one hot-surface indicator remains illuminated when oven has power. At some point an F9-6 code was thrown, indicating issues with the lower lock/latch. Unit unplugged for several mins. but same results when reconnected. Not sure how to test the latch/locking mechanisms or what purpose they server other than at cleaning time. Need easy to understand troubleshooting steps that will avoid service calls or unnecessary parts purchases.
maytag Gemini range, mer6770aaw f1-1 error code
i have maytaggemini range model mer6770aaw. first the hot surface light for the right front burner stayed on after top had cooled. then a week later the burner heated only intermittently and independent of switch setting. what parts do i need?
I have a Maytag Gemini Double Oven Electric model #MER6770AAW and the 3, 6, 9, and clock buttons on the touchpad display are not working while all the other buttons on the display are functioning properly. Can you let me know what the problem might be?
Maytag Gemini, Model= MER6770AAW Have replaced the lower burner in upper oven as well as the heat sensor in the lower oven today. When I try to operate both ovens 2 things occur (same for both ovens). Set temp to 350-degrees in each oven, Temp numbers on display panel very slowly progresses to 290 degrees. When each oven hit the 290-degree reading on display the pre-heat function “dinged” and the pre-heat stopped. I than used an infrared sensor and found heat level in both ovens to read above 470 degrees. What is my problem and what can I do to repair??
we have a Gemini model MER6770AAW which is deplaying error code: F1-2. Is this a temp sensor issue? If so, is it for the top or the bottom oven? Tx. Joe