Maytag MER6550BAQ Timer Repair

What is the timer/clock part number for the Maytag MER6550BAQ Range?

Timer part number 74006214 for Maytag MER6550BAQ

The MER6550BAQ Range uses timer part number 74006214.

Do you have a failed Maytag MER6550BAQ control panel? Click here:

Request Appliance Timer Service

We can repair or replace your faulty Maytag MER6550BAQ timer.

MER6550BAQ are also sometimes referred to using these Alternative Names/Model numbers

Whirlpool MER6550BAQ Range

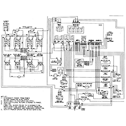
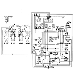
MER6550BAQ Schematic and Wiring Diagrams

Control panel Parts diagram
MER6550BAQ Range Control panel Parts diagram
Top assembly Parts diagram
MER6550BAQ Range Top assembly Parts diagram
Body Parts diagram
MER6550BAQ Range Body Parts diagram
Oven Parts diagram
MER6550BAQ Range Oven Parts diagram
Door (upper) Parts diagram
MER6550BAQ Range Door (upper) Parts diagram
Door (lower) Parts diagram
MER6550BAQ Range Door (lower) Parts diagram
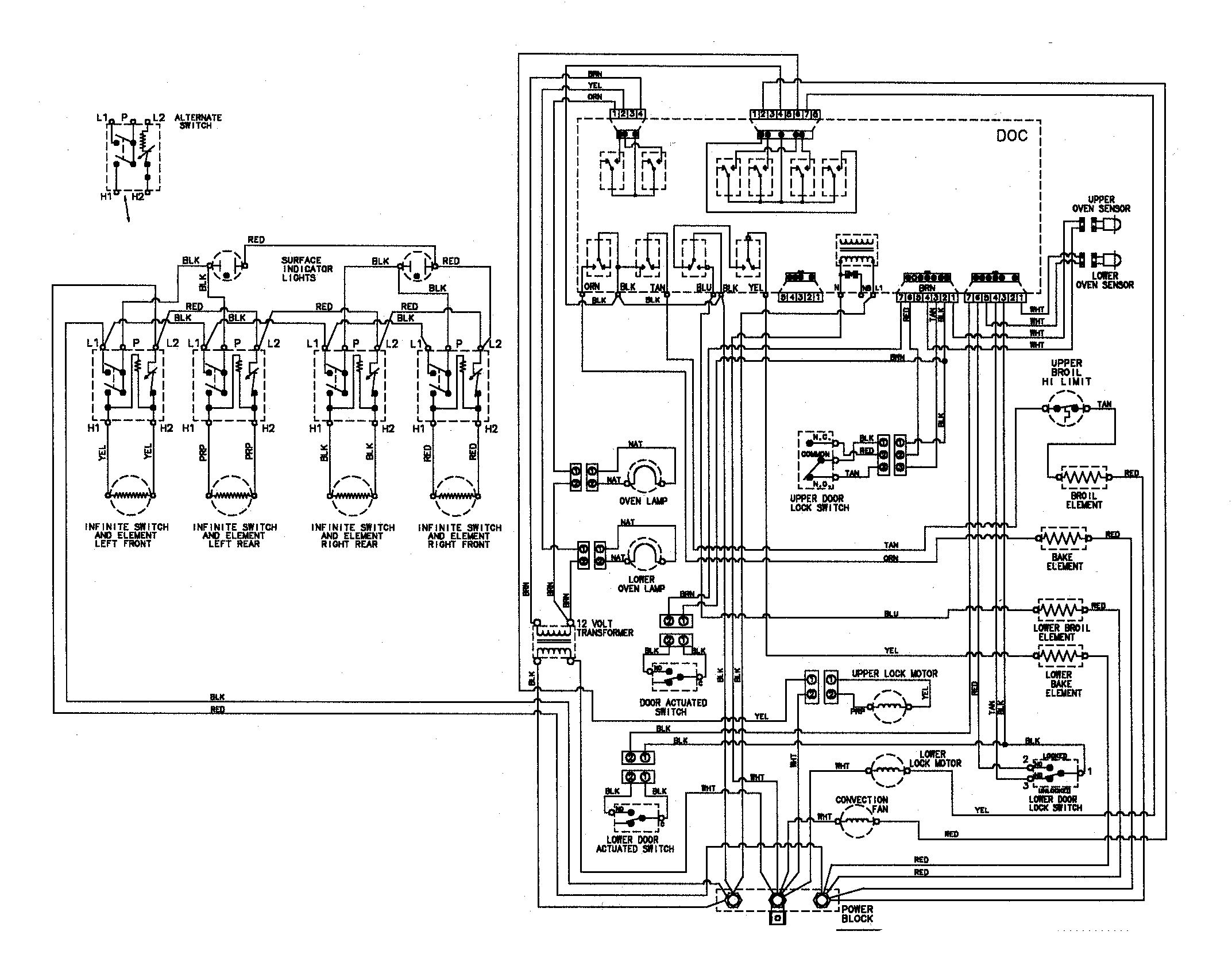
Wiring information Parts diagram
MER6550BAQ Range Wiring information Parts diagram
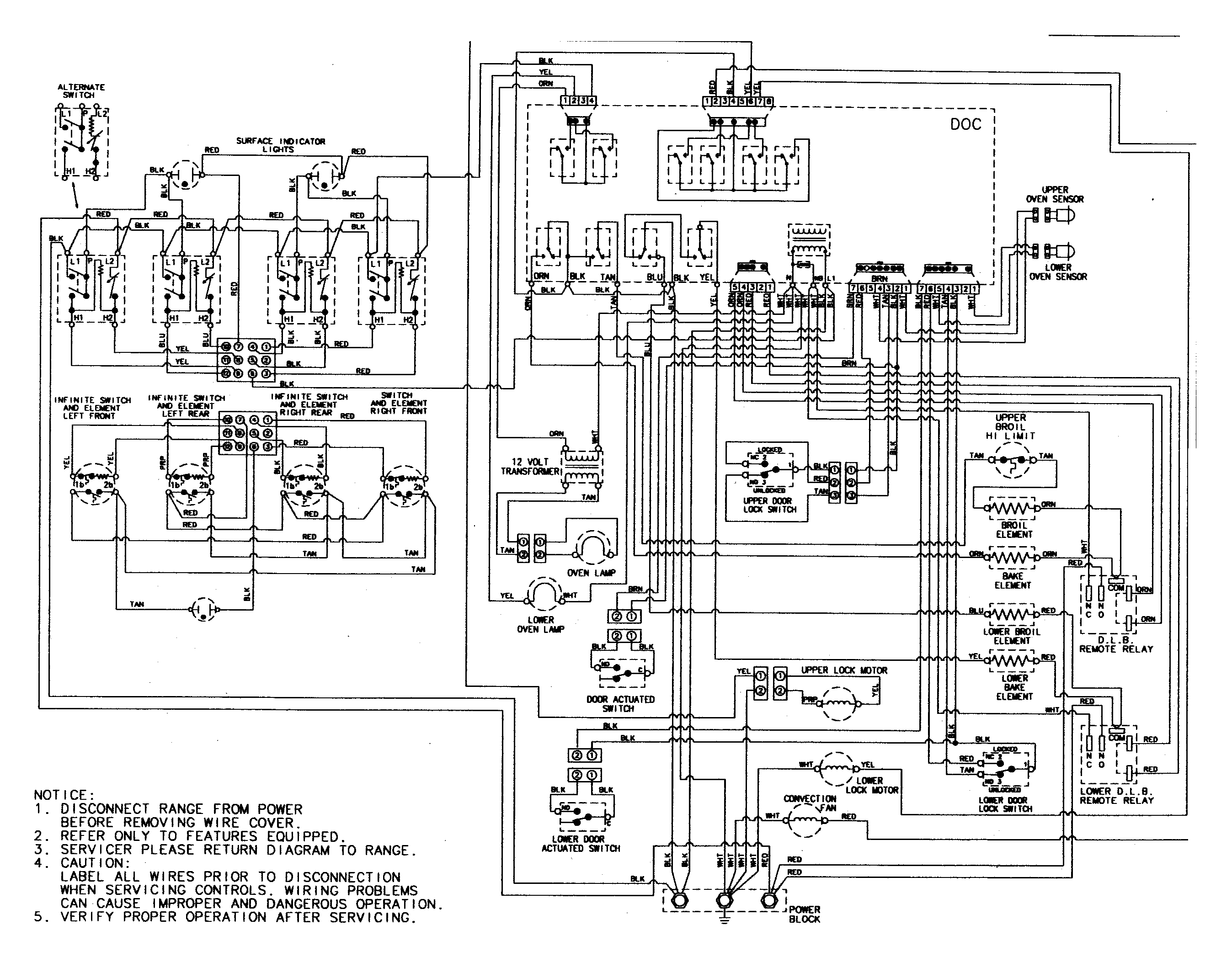
Wiring information (at series 16) Parts diagram
MER6550BAQ Range Wiring information (at series 16) Parts diagram

Recent Service Requests

CityProblem DescriptionResolution
Baldwin, New Yorkthe lower oven's bottom heating element doesn't work. The top element in the lower oven works. The top oven works fine along with the stove top. I had purchased a replacement lower element and same issue, not working. i ran continuity test through both elements, they both seemed to test fine so leads me to believe issue is in the board.Awaiting receipt of timer
Wolfeboro, New HampshireCertain functions do not respond when selected. Broil function on top oven, toast function on top oven, and clock set function do not respond when selected. Beep is not heard when the button is pressed, other functions do work.

This timer is under warranty, bought in April of this year.
Beyond Repair