Maytag MER5875QCF Timer Repair

What is the timer/clock part number for the Maytag MER5875QCF Range?

Timer part number 74008656 for Maytag MER5875QCF

The MER5875QCF Range uses timer part number 74008656.

Do you have a failed Maytag MER5875QCF control panel? Click here:

Request Appliance Timer Service

We can repair or replace your faulty Maytag MER5875QCF timer.

MER5875QCF are also sometimes referred to using these Alternative Names/Model numbers

Whirlpool MER5875QCF Range

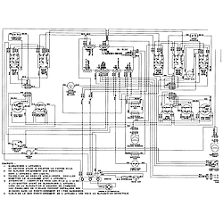
MER5875QCF Schematic and Wiring Diagrams

Control panel/top assembly Parts diagram
MER5875QCF Range Control panel/top assembly Parts diagram
Cabinet Parts diagram
MER5875QCF Range Cabinet Parts diagram
Cavity Parts diagram
MER5875QCF Range Cavity Parts diagram
Door/drawer Parts diagram
MER5875QCF Range Door/drawer Parts diagram
Supplemental information Parts diagram
MER5875QCF Range Supplemental information Parts diagram
Wiring information Parts diagram
MER5875QCF Range Wiring information Parts diagram

Recent Service Requests

CityProblem DescriptionResolution
Ottawa, OntarioOven will not heat up past 280. Element and sensor replaced and problem still exists.Repaired
Shelburne, OntarioOven not heating up. Already replaced heating elementRepaired
Courtenay, British ColumbiaElectric Oven Not Heating. everything is working properly BUT the oven, it usually means that the baking element and the broil element are intact and working. The issue is most likely a bad internal fuse, oven temp sensor, thermostat, a broken/frayed wire, power issue, or an oven control board.Awaiting receipt of timer
London, OntarioDisplay was dead after power outage. Reset circuit breaker. Stove is receiving power as stove elements work.Repaired
Victoria, British ColumbiaAfter power outage, control panel dead. No display and buttons unresponsive. Stove elements work fine.Timer inspected, no repairs necessary
St Adrien, QuébecAwaiting receipt of timer
RAWDON, QuébecFAIL DURING THE DAY, WHEN COMING BACK FROM WORK IT WAS BLACK.
NO POWER FAILURE OR EVIDENCE OF SURGE DURING THIS DAY.
NO LIGHT IN OVEN. COOK TOP WORKING O.K.
Awaiting receipt of timer
SPRINGSTEIN, ManitobaOven over heats , Temp keeps climbing even once it has beeped ( up to temp) Seems to level out at 50 to 80 F higher depending on where you set the calibration adjustment to.Awaiting receipt of timer
Brockville, OntarioIn any baking modes, you select a temp. then a few seconds later the display should go from your set temp. to actaul temp., and at the same time the fan symbol and fan motor starts, on this unit the set temp does not go away and then the unit alarms about 15 sec. into the program and the display goes blank except for the bake light flashing, can be cancelled and the display goes back to showing time. The temp. sensor was checked and is OKReplaced with reconditioned timer
Brockville, OntarioAfter setting the desired temp. for baking, the set temp. usually is switched for the actual oven temp but in this case the set temp remains displayed and the fan symbol starts, afetr about 15 seconds the unit alarms and the display goes blank except for the bake light that is flashing rapidly, the temp. sensor is good.Awaiting receipt of timer
Nepean, OntarioWhen using Convection (Bake) mode, food at the back of the oven, nearest the convection fan, is overcooked. The rest of the food in the oven is cooked properly. Temperature test of oven, using digital temperature probe, indicates that oven temperature is being regulated, and this is also supported by the sound of the control relays clicking during the cooking period. Convection fan is running.

Diagnostic code is “1c8c” (control board-related). Have also occasionally seen “F14” on the display (this appears briefly when first powering up) but there is no such code listed in the service manual. On-board diagnostics fault code detection does not cancel active cook function.
Timer inspected, no repairs necessary
BIBLE HILL, Nova Scotiaoven not heatingReplaced with reconditioned timer

Common problems for Maytag MER5875QCF Timer Repair

Are you encountering a similar problem as them? Contact us now and we will try to help you fix your MER5875QCF timer-related problem.
hi guys ,i have a customer with maytag range ,in middle of night, when oven off will beep f-1 this happened a few times according to customer, when cancelled would go off , customer said she could cook for 10 minutes at 400 then would go f-1. she would then cancell +start over , sometimes would work normal all through cooking time. i came over + checked it out +observed no problem,it would cycle at set temperature. i took customers word +according to f-1 the problem would be clock or touch pad. this model has touch pad +clock combined,i installed new clock ,tested for5 minutes + left. customer called me later + said new clock is beeping f-1 again like before. any ideas? the clock # is 74008108 ,by the way there is a part called auxillary relay attatched to back panel ,part number 74003482 .
Hello, I have an approximately 2.5 year old Maytag electric MER5755QAW. Two days ago my wife was baking and she gave quite a yelp when she saw a bright flash from the base of the oven and heard a quick buzzing humm sound. The oven's bake and broil elements no longer work. The cooktop, clock, control panel, and oven light all operate "normally". I have tried to read several posts to try and figure out problem. It would be nice if just elements need to be replaced, but why would both not work? This leads me to think maybe problem is not elements, and maybe problem is thermal fuse?? My question is what do you think problem is and is it worth fixing? I would also be curious what I should expect to pay to have fixed if it is not something I can handle myself? David
I received a new bake element and turned off the circuit breaker to install it. Element fit fine but when I turned the power back on the clock and temp. touchpad are dead.
Oven popped and smoked and control panel/display went blank, oven part would not work. I replaced the control panel. Panel now lights up but there seems to a problem with the oven heating. Takes about 1/2 hour to get to about 175....Any ideas??? Much appreciated.
During the self clean cycle I got a F1 fault. I changed the touchpad/clock unit and I still have the fault. What else could be the problem.
The broiler does not heat on my Maytag MER5775QAB. I purchased and installed a new broiler element, problem still exists. The bake and cleaning functions work fine as well as all others. What do I need to do, replace next? Sincerely, Raul
I have a Maytag MER5875QCF smoothtop oven after it has gone through the self clean cycle, it is necessary to reset the thermal limit before the bake element will work.
I have just recently purchased a used Maytag Precision Touch Control 800 Electric Smooth top model number MER5875QCF. The range is in awesome condition but the oven temperature both on regular and convection do not heat up to the correct temp. I have ended up running the temp at 450 degrees to get things to cook all the way through. It is heating and not in Sabbath mode and I have attempted to manually adjust the temperature using the instruction in the manual but it still seems to not heat up properly. Anything else I can try?
I have a Maytag oven (MER5875QCF) and the oven portion no longer heats up. However, the range top portion, clock, oven light and fan in the oven are still working. This problem started after I used the self cleaning function. How can I go about repairing this?
I have a Maytag Precision Touch Control 800 Electric Smoothtop oven. The bottom oven element dissintigrated summer 2009. I wrote to you explaining that the failure was due to a design flaw that Maytag should address. You did not reply. October 2009 the oven thermostat went haywire. I went through your repair service and had the thermostat replaced. The repairman stated that Maytag would send me the receipt and warranty. That did not happen. I have inly my MC receipt. September 2010 the thermostat has failed again. The repairman (the same one) has been waiting for the part for over a week. Do you stand behind your products and promises? XXX-XXX-XXXX XXXXX@XXXXXX.XXX
we have a maytag range MER5875QCF bought 5 and a half yrs ago and the oven has stopped heating up. We had the console replaced about 4 months ago ($400) but it has not made a difference. What do you suggest?
clock not working after power outage...Maytag Model MER5875QCF..precision touch control 800 electric smoothtop. Tried following steps in Manual to no avail.