Maytag MER5875QCB Timer Repair

What is the timer/clock part number for the Maytag MER5875QCB Range?

Timer part number 74008658 for Maytag MER5875QCB

The MER5875QCB Range uses timer part number 74008658.

Do you have a failed Maytag MER5875QCB control panel? Click here:

Request Appliance Timer Service

We can repair or replace your faulty Maytag MER5875QCB timer.

MER5875QCB are also sometimes referred to using these Alternative Names/Model numbers

Whirlpool MER5875QCB Range

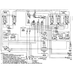
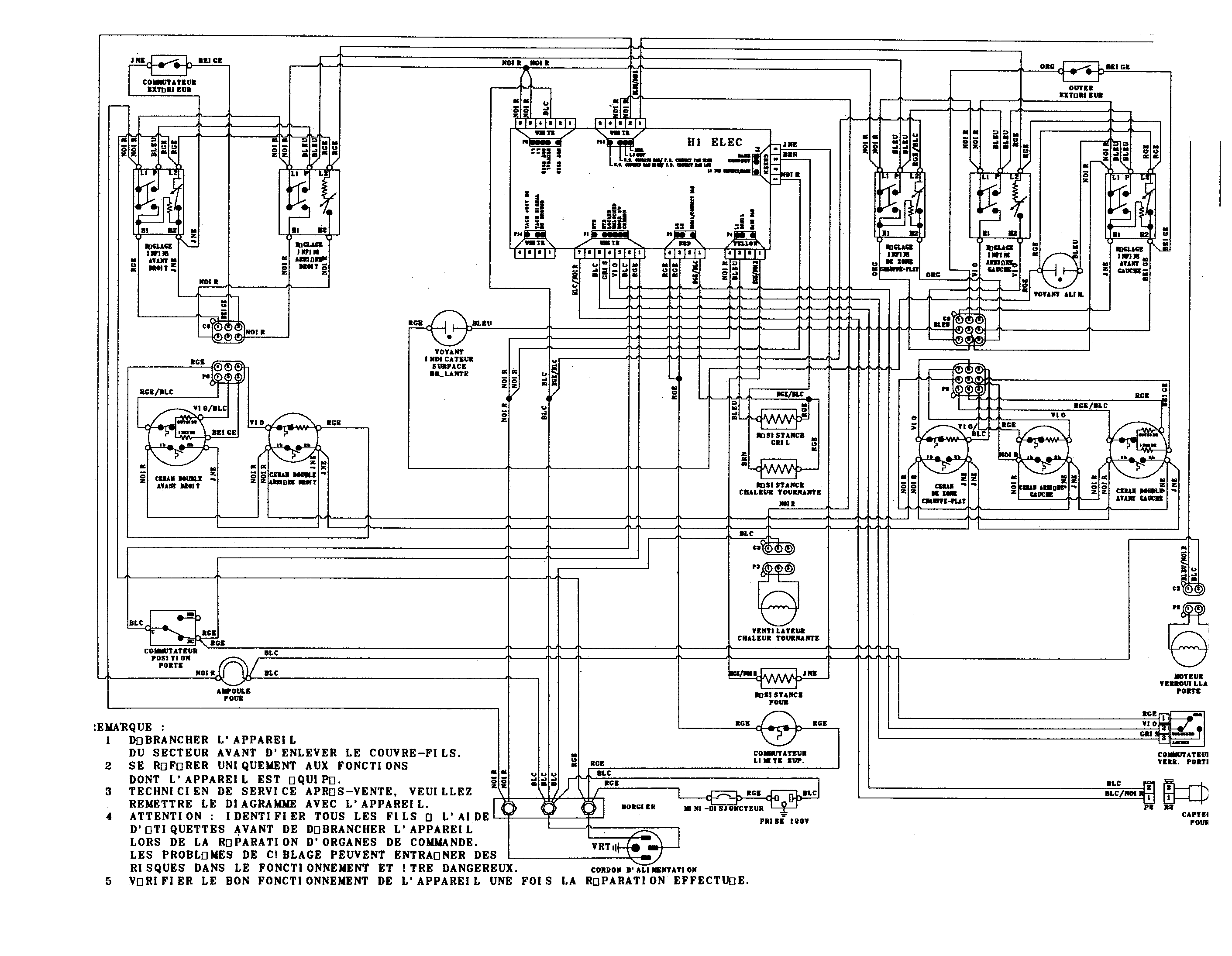
MER5875QCB Schematic and Wiring Diagrams

Control panel/top assembly Parts diagram
MER5875QCB Range Control panel/top assembly Parts diagram
Cabinet Parts diagram
MER5875QCB Range Cabinet Parts diagram
Cavity Parts diagram
MER5875QCB Range Cavity Parts diagram
Door/drawer Parts diagram
MER5875QCB Range Door/drawer Parts diagram
Supplemental information Parts diagram
MER5875QCB Range Supplemental information Parts diagram
Wiring information Parts diagram
MER5875QCB Range Wiring information Parts diagram

Recent Service Requests

CityProblem DescriptionResolution
Courtice, Ontariodisplay is intermittent, oven does not reach correct temp, currently no display at all.Replaced with reconditioned timer
Courtice, OntarioNA getting a new timer.Replaced with reconditioned timer
Edmonton, AlbertaNo display. Relay keeps on clicking.Awaiting receipt of timer
St. George, New BrunswickOnly putting out 120 volts to the bake element.Repaired
Ottawa, OntarioAfter a power outage/surge, the Timer never came back on. The range top works fine using the other knobs, however all timer/over operation is unavailable as the timer unit is completely deadAwaiting receipt of timer
Port Alberni, British ColumbiaAfter power outage timer no longer displayed anything, no beeps when buttons pressed. Notice burn mark in upper left corner of timer display.Timer inspected, no repairs necessary

Common problems for Maytag MER5875QCB Timer Repair

Are you encountering a similar problem as them? Contact us now and we will try to help you fix your MER5875QCB timer-related problem.
maytag range/oven MER5875QCB - the clock/temp display does not work, the oven does, so when set the temp to 300 when the oven heats to that it beeps to say so, but no display. The lights to say the range top is on or hot works.
I have a Maytag Precision Touch Control 800 Electric Smoothtop. My wife did a self-clean and now the cooking element and broil element are not working. The light inside works as do all features on the Smoothtop and controls. I have checked the heating elements for breakage but they are intact. Any ideas?
Hello my oven door isnt closing properly,so i took it off and i am having problems getting the hinges to lock back in. would like to know how to put them back on