Amana Top Loading Washer LWA40AW2 Timer Repair

What is the timer/clock part number for the Amana LWA40AW2 Top Loading Washer?

Timer part number 37929 for Amana LWA40AW2

The LWA40AW2 Top Loading Washer uses timer part number 37929.

Do you have a failed Amana LWA40AW2 control panel? Click here:

Request Appliance Timer Service

We can repair or replace your faulty Amana LWA40AW2 timer.

LWA40AW2 are also sometimes referred to using these Alternative Names/Model numbers

Whirlpool LWA40AW2 Top Loading Washer, LWA40AW2-PLWA40AW2

LWA40AW2 Schematic and Wiring Diagrams

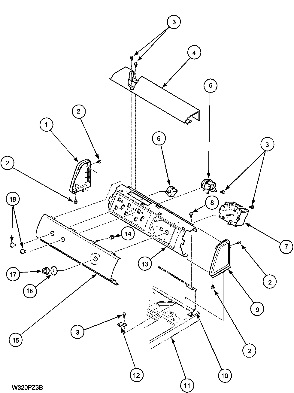
Control panel Parts diagram
LWA40AW2 Top Loading Washer Control panel Parts diagram
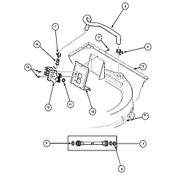
Loading door switch Parts diagram
LWA40AW2 Top Loading Washer Loading door switch Parts diagram
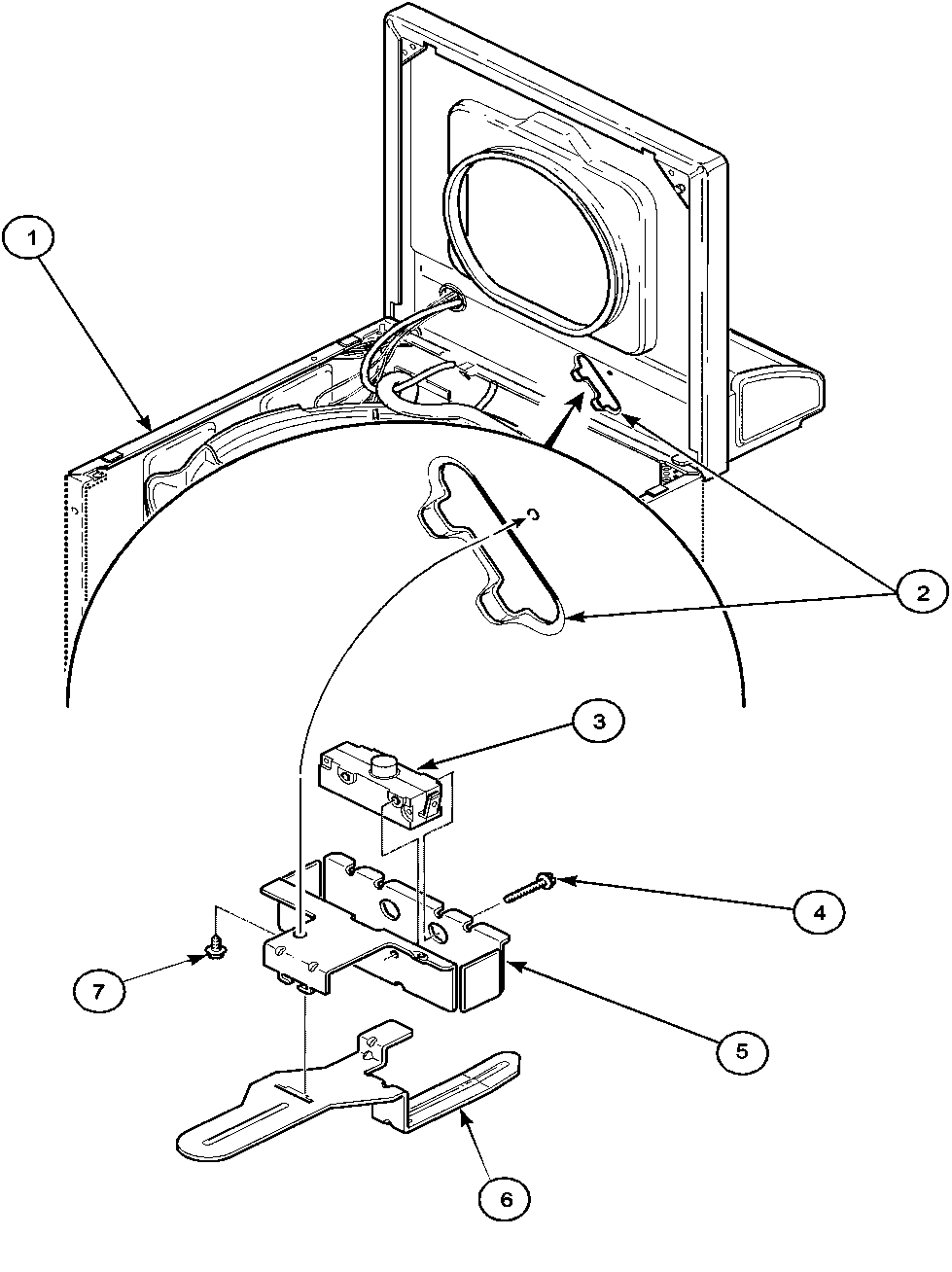
Cabinet top and door Parts diagram
LWA40AW2 Top Loading Washer Cabinet top and door Parts diagram
Inlet/fill hoses and mixing valve Parts diagram
LWA40AW2 Top Loading Washer Inlet/fill hoses and mixing valve Parts diagram
Motor, belt and pump and idler assy Parts diagram
LWA40AW2 Top Loading Washer Motor, belt and pump and idler assy Parts diagram
Drain hose and siphon break Parts diagram
LWA40AW2 Top Loading Washer Drain hose and siphon break Parts diagram
Agitator, drive bell and wash tub Parts diagram
LWA40AW2 Top Loading Washer Agitator, drive bell and wash tub Parts diagram
Outer tub, cover, pressure hose Parts diagram
LWA40AW2 Top Loading Washer Outer tub, cover, pressure hose Parts diagram
Weldment/bearing assy and brake/pulley Parts diagram
LWA40AW2 Top Loading Washer Weldment/bearing assy and brake/pulley Parts diagram
Transmission assembly Parts diagram
LWA40AW2 Top Loading Washer Transmission assembly Parts diagram
Front panel, base and cabinet assembly Parts diagram
LWA40AW2 Top Loading Washer Front panel, base and cabinet assembly Parts diagram

Recent Service Requests

CityProblem DescriptionResolution
Louisville, KentuckyStops workingAwaiting receipt of timer
Mogadore, OhioDoesn't run through cycle properlyReplaced with reconditioned timer

Common problems for Amana Top Loading Washer LWA40AW2 Timer Repair

Are you encountering a similar problem as them? Contact us now and we will try to help you fix your LWA40AW2 timer-related problem.
I havce a amana lwa40aw2 top loader washer. It is leaking from the bowl at the bottom. Thus causing the bearing to rust and seize up. I have the whole thing in parts except the bowl and what seems to be a clutch pack assy on the bottom of the bowl. The bearing is under the bowl. I can not find anyway to remove the actual washer bowl from the clutch pack and rod. I see no clips, have undone everything you can see. Does anyone have an idea how to get the bowl out. so that the clutch pack can be removed, hence the bearing and seal removed from bottom of whole assy. Thanks for any hints. I am a mechanic and can usually take anything apart. But im down to this last part and I cant figure it out. Thanks
I have an Amana washer model lwa40aw2, shutting down during the spin cycle, will spin okay with just water, but overheats motor with load, took motor out seems to be spinning freely, tub seems hard to move by hand. Replaced belt because of wear, problem occured before belt replacement. Is the motor tired? or in transmission? Bob Kubiak
I have an Amana LWA40AW2 washing machine & I need to replace tub bearing and seal. I need information on how to remove the agitator.
amana top load washer model #lwa40aw2 belt replacement instructions
I have Amana washer LWA40AW2. It agitates during wash cycle but doesn't spin during spin cycle. The water will drain out, but it doesn't spin the water out of clothes. Another issue as of late, don't know if it's related or not... occassionally, the washer doesn't kick off. It recycles and starts again, filling the tub up with water. This has only happened a couple of times and hasn't been consistently reaccurring.
Our Amana top loading washer Model #LWA40AW2 makes ratcheting noise during agitation/wash cycle. Pretty loud. Been doing this about 8 weeks. Wife finally threatening to call repairman. Our son says his Kemore is easy to repair--takes about 10 minutes to repair the coupling between motor & ??. Can I do this myself & what part/parts do I need?? I live about 35 miles from a Sears in north Minneapolis that has a parts store. Would they possibly have the part or could I get it elsewhere yet today?
MY WASHING MACHINE (AMANA MODEL # XXXXX) burned up the drive spin/belt. (3 of the 4 motor securing bolts also were on the machine bottom when opened up). Bought a new belt (2 choices - OEM and generic - tech said no difference, bought generic). Installed OK, turned on and in spin worked smooth as could be on first test and I felt good. Cleaned up tools up, tried again and all functions work fine except now spin cycle makes an ear spliting clatter from plastic helix area at botttom of tub as belt is trying to spin tub but can't move very fast. *why did it work once? *should be oem belt? * how loose should tub before the belt was put on? brakes? bearings?
My Amana LWA40AW2 clothes washer, S/N R XXXXXXXXXX stopped with the tub full after the last rinse. I siphoned out the water but there's no response when trying to continue. The belt is sound. The motor label says "thermal protection". Does it have a reset? Motor info: Model S68PXGHM-4530. Mfg date B99AF. There was a mild warm electrical kind of odor when this happened. It's a good machine. Shame to send it to the dump. Any ideas? Tx, J Aronson
my washer clock stops because it won't fill up for the rinse cycle. It does fill up for the wash cycle. It does it in all cycles, perm press, delicate, reg. I took the control panel off, but there is no elect. schematic-wiring diagram, nor one in the front panel. Is it the clock contacts, if you think so, how do I get a wiring diagram to check for voltage? Also, I can't get the control knob off to remove the clock. I don't see any lock washer or anything that needs removed to get the clock knob out.
amama washer LWA40AW2. installed new belt, new idler pulley. it has 3 cycles: regular, permanet press and delicate. all cycles work except it doesnt agitate on regular and permanent press cycle. it does agitate on delicate wash cycle. water fills, spin works. the first time we had trouble is before i changed out the old belt, and after i changed the idler pulley.before belt change, i noticed spin cycle was thumping bad, re-arranging clothed helped a bit on balance. next time it was used on regular cycle, it did not stop and went thru all the cycles (on the clock the next is perm. press, then delicate.. its a rotory clock) and it was stopped after we saw it ran thur all three wash cycles, reg., perm. press, and delicate.) clock works, it just doesnt agitate after a fill on reg. and perm. press cycles any ideas?? bradp
Hey, I have a 10y/o Amana washer LW8303W2 with a broken belt. I am trying to replace belt but I'm having a problem. I took out pump and motor but I can't figure out how to separate the pump from the motor shaft so I can replace belt. Some of these parts appear to be plastic and I don't want to force anything. Any help would be greatly appreciated. Martcopolo
Amana top load washer Model LWA40AW2 washer runs but either 1.stays in wash cycle and setting knob doesn't move. 2. Stays in wash cycle and setting knobs shows the washer completed it whole wash cycle.
I am trying to remove the inner drum Amana top loader , LWA40AW2 to replace seals I need to remove the inside drum. How do I take the top off?
Replacing seal in an amana lwa40aw2, can't get the locknut loose I am down to the lock nut on the tub seal, I have a large 3/4 drive socket on it but can't hold it a get it loose at the same time. I understand that it is left hand thread right?
Hi. I have an Amana washing machine (LW8303W2) that will go through all the cycles fine, except the last spin cycle. My brother seems to think it is the clock switch, but he doesn't know how to test the OHM. Is it the clock switch and how does a person test the OHM?
I have a 3 cycle washing machine that recently kept getting stuck between the rinse and the spin cycles. It gets to the end of rinse cycle and just keeps pouring water threw the barrel, never filling or going into spin cycle. Won't stop unless you stop it manually and put it on spin and turn back on. I already purchased a new clock from your company and installed it. The machine worked for 3 to4 days and now doing the same it was before the new clock. So did I get a defective clock or do I have other problems? If other , what new parts do I need?
Hi, my washing machine is having a problem. It is not stopping at any point but going all the around through all cycles, it occassionally cuts off(generally it has water in it when it does this) and then we have to turn the knob around and keep pulling it out until it comes back on. I think it's a bad clock (please verify this if you can) but this brings up another interesting question to mind. Are clocks interchangeable or are they specific to that model only? I ask because its a 115V/60HZ 3 cycle clock and I'm wondering if any washing machine clock that fits that description will work because they vary widely in price? Any help would be greatly appreciated. Candy
AMANA WASHER MODEL # LWA40AW2. HOW DO I GET TO THE DRIVE BELT TO TIGHTEN IT?
Help. I have posted my problem before but no one seems interested. Second try: Can someone scan me a page of the schematics of Amana washer model LW8203W2. If received, I will not bother readers with threads on this model again. I promise.
First wash cylcle ends. Machine starts to drain but drains only for 10-15 seconds. Cycle stops and tub is refilled with water. The tub is not completely drained of water and soap. Wash cycle begins again and runs normally to the end. Problem is the soap is still on clothes at the end.
will spin but not agitate LWA40Aw2