General Electric Gas Slide-In Range JGSP40AET1AA Timer Repair

What is the timer/clock part number for the General Electric JGSP40AET1AA Gas Slide-In Range?

Timer part number 14500-RP for General Electric JGSP40AET1AA

The JGSP40AET1AA Gas Slide-In Range uses timer part number 14500-RP.

Do you have a failed General Electric JGSP40AET1AA control panel? Click here:

Request Appliance Timer Service

We can repair or replace your faulty General Electric JGSP40AET1AA timer.

JGSP40AET1AA are also sometimes referred to using these Alternative Names/Model numbers

GE JGSP40AET1AA Gas Slide-In Range

JGSP40AET1AA Schematic and Wiring Diagrams

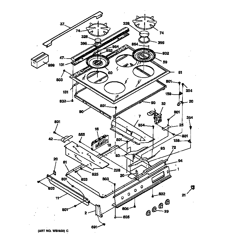
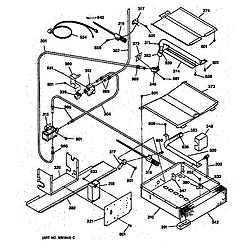
Control panel & cooktop Parts diagram
JGSP40AET1AA Gas Slide-In Range Control panel & cooktop Parts diagram
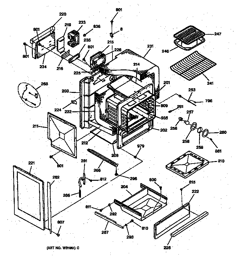
Body Parts diagram
JGSP40AET1AA Gas Slide-In Range Body Parts diagram
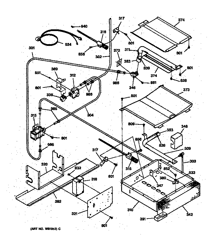
Top burner Parts diagram
JGSP40AET1AA Gas Slide-In Range Top burner Parts diagram
Oven burner Parts diagram
JGSP40AET1AA Gas Slide-In Range Oven burner Parts diagram
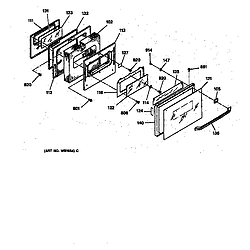
Oven door Parts diagram
JGSP40AET1AA Gas Slide-In Range Oven door Parts diagram
Lock Parts diagram
JGSP40AET1AA Gas Slide-In Range Lock Parts diagram

Recent Service Requests

CityProblem DescriptionResolution
Roscoe, IllinoisTimer will not regulate oven temperature at the selected setting.Repaired
Gainesville, FloridaGas stove. When stove is plugged in, after aprox. 20 sec, F! appears on the screen and it starts to beep. If the oven is started on Bake, the error does not occur, no matter what the temperature. The oven holds a correct temperature. Both oven and burners can be started when the stove is plugged in, prior to the F1 error occurring. a preliminary test of all resistors and transformers on the circuit showed all components have power.

Please attempt to fix. If not fixable, please scrap and we would like to purchase a new timer.
Awaiting receipt of timer
Cleveland, GeorgiaWill not turn oven unit on.Awaiting receipt of timer
barre, MassachusettsWhile broiling, the "lock" light started flashing and the electronic display became cloudy. We are not able to run the oven or broiler, but the stove top burners are working. The cloudiness has gone away but the "lock" light continues to flash. Unplugging the stove, and attempting to run and clear a "Clean" cycle (per GE's instructions) has not remedide the problem.Awaiting receipt of timer

Common problems for General Electric Gas Slide-In Range JGSP40AET1AA Timer Repair

Are you encountering a similar problem as them? Contact us now and we will try to help you fix your JGSP40AET1AA timer-related problem.
I purchased the above listed GE gas slide in oven in 1992 or 1993 when I built my house. It was retrofitted at the time for use with propane gas as I do not have natural gas in my area. Last February with the help of this website I purchased (from this website) a new clock/clock unit and replaced it myself. It was a rather involved job, but I saved myself tons of money. Several years after I installed this oven, it started taking a long time to preheat and it was also making an air rushing sound intermittently as it was heating up. I called GE and a GE Service Tech arrived. He removed what he needed to remove to get to the burner area in the bottom of the oven. He showed me where the burner has an open end that has an orifice screwed onto the gas line in the bottom right corner of the oven bottom. He then removed the burner and showed me how the open end of the burner fit over that little copper orifice. He then unscrewed the orifice and showed me how the little hole had trash in it. H
On the key pad, the following numbers - 1-2-3-4-5-6 no longer work. numbers 7-8-9 and back-0-enter are working. This means that I cannot set the clock or the clock. I also cannot set the oven temperature for anything except 350 and 375. Any ideas?
The door hinges for the oven roll over a plastic guide. The guide on the right hinge has self destructed and the oven door is now very difficult to open or close. A couple of the screws that attach the hinge unit to the body are blocked by the door itself. Do I need to remove the hinge for the door first? It looks like this end of the hinge is attached behind the inner panel of the oven door. Terry
The oven has quit and it was just in time for Christmas. LOL The broiler works but the lower unit will not heat. The igniter does not warm up at all. Do you think the problem is with the igniter or could it be on the push buttons control, which I think is probably computer?
Hi, I just replace the bake igniter in my GE oven. The old igniter showed burn marks on the wire insulation (see picture). The burned part of the insulation was hard/non-flexible. Is this normal? Is it safe? Is there a problem with the oven that needs to be fixed?
After cleaning the cooktop and doing a 4hr self clean in the oven, my back left burner does not go high. When it ignites the flame stays at the low setting and when the dial is turned to the lowest the flame remains the same size. All other burners are np. It is a natural gas range. Any help would be greatly appreciated.
i am trying to uninstall and old ge jgsp40aet1aa oven and i am not sure how to free it up so i can pull it out and shut off the gas? dennis cray