General Electric Gas Range JGBP80MEV4BC Timer Repair

What is the timer/clock part number for the General Electric JGBP80MEV4BC Gas Range?

Timer part number 191D1001P020 for General Electric JGBP80MEV4BC

The JGBP80MEV4BC Gas Range uses timer part number 191D1001P020.

Do you have a failed General Electric JGBP80MEV4BC control panel? Click here:

Request Appliance Timer Service

We can repair or replace your faulty General Electric JGBP80MEV4BC timer.

JGBP80MEV4BC are also sometimes referred to using these Alternative Names/Model numbers

GE JGBP80MEV4BC Gas Range

JGBP80MEV4BC Schematic and Wiring Diagrams

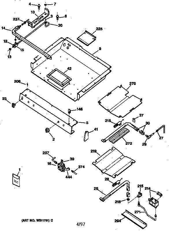
Gas burner Parts diagram
JGBP80MEV4BC Gas Range Gas burner Parts diagram
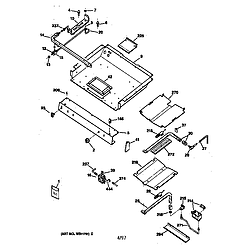
Cooktop Parts diagram
JGBP80MEV4BC Gas Range Cooktop Parts diagram
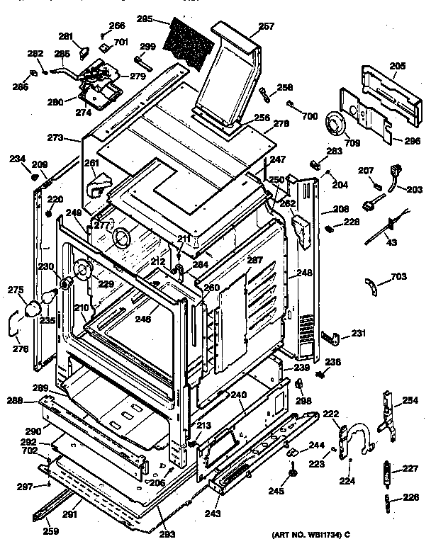
Body Parts diagram
JGBP80MEV4BC Gas Range Body Parts diagram
Door & drawer Parts diagram
JGBP80MEV4BC Gas Range Door & drawer Parts diagram

Recent Service Requests

CityProblem DescriptionResolution
Huntington, New YorkDoes not work at all.
Possibly stopped after power outage.
Repaired
clifton park, New YorkGE XL44 gas range - digital clock/timer/oven control display is black - no error codes, just went blank so I cannot turn on oven or set temps, etc.. Cooktop works fine. Part is "no longer made" according to other sites.

I do not know if you have a reconditioned control board for the above model - I am willing to return my control unit if you want to refurbish it.
Awaiting receipt of timer
Colts Neck, New JerseyWith start up from cold stove, displays F3 and shuts oven (or broiler) down only some time after oven has warmed up. Nevertheless, with start up from cold oven but hot stove top, will display F3 almost immediately. Although cold oven sensor measured 1100 ohms, I have already replaced the sensor with a brand new one, and that did NOT solve the problem. I have also very carefully inspected the wiring and tested the connectors between the sensor and the control board, and those items show no evidence of fault. Thus, the trouble seems to correlate well with heating of the control board itself.Repaired
Shoreline, WashingtonNo display, thus no control of oven or timer. Surface units are independent of this timer which is made by Robertshaw.Replaced with reconditioned timer
DOVER, New JerseyF1Awaiting receipt of timer
LEBANON, New JerseyFI CODEAwaiting receipt of timer

Common problems for General Electric Gas Range JGBP80MEV4BC Timer Repair

Are you encountering a similar problem as them? Contact us now and we will try to help you fix your JGBP80MEV4BC timer-related problem.
Touch pad doesn't work, cannot use the oven or set the clock, I believe the clock is shot, need instructions to replace the clock
Burners won't ignite without lighting them with a match. While all burners are lit I can turn one off and it will ignite itself, but when I turn them all off I have to start with a match. Everything is clean, nothing clogged or spilled on them. I'm thinking I might need to replace the Spark Module but want to make sure before I do.I do get them to spark and light themselves after I light them with a match but after their turned off, no spark or ignition.
I have a GE Profile oven model JGBP80MEV4BC s/n RS241937P and the oven is baking hot about 50 degrees. How is the oven temp adjusted.
can i rewire the oven temp display into the control panel on a gas ge profile range.my dad has trouble seeing the small oven temp display