General Electric Gas Range JGBP79WEV4WW Timer Repair

What is the timer/clock part number for the General Electric JGBP79WEV4WW Gas Range?

Timer part number wb12k19 for General Electric JGBP79WEV4WW

The JGBP79WEV4WW Gas Range uses timer part number wb12k19.

Do you have a failed General Electric JGBP79WEV4WW control panel? Click here:

Request Appliance Timer Service

We can repair or replace your faulty General Electric JGBP79WEV4WW timer.

JGBP79WEV4WW are also sometimes referred to using these Alternative Names/Model numbers

GE JGBP79WEV4WW Gas Range

JGBP79WEV4WW Schematic and Wiring Diagrams

Burner & gas Parts diagram
JGBP79WEV4WW Gas Range Burner & gas Parts diagram
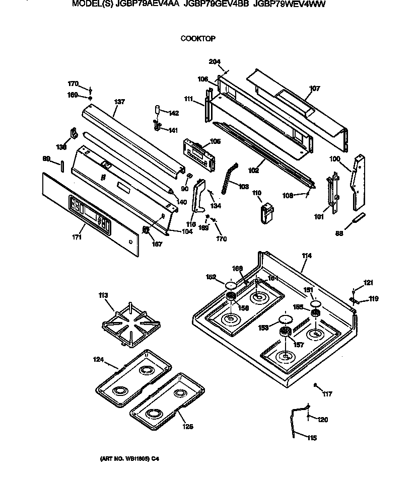
Cooktop Parts diagram
JGBP79WEV4WW Gas Range Cooktop Parts diagram
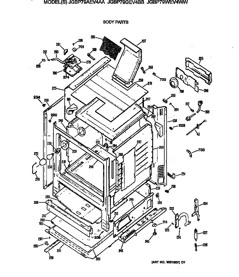
Body Parts diagram
JGBP79WEV4WW Gas Range Body Parts diagram
Door & drawer Parts diagram
JGBP79WEV4WW Gas Range Door & drawer Parts diagram

Recent Service Requests

CityProblem DescriptionResolution
Calgary, AlbertaNo control buttons workTimer inspected, no repairs necessary
Miami, FloridaTimer alarm comes on on its own. Failure Code F1 displayed. No pre set or any other functions activated. Unable to turn off or set oven temperature and timer. LED display faint. All other functions work. Have unplugged the stove.Timer inspected, no repairs necessary
Elgin, IllinoisEl orno no prende .Awaiting receipt of timer
Elgin, IllinoisEl orno no prende .Awaiting receipt of timer
Oakville, OntarioOur GE gas range is showing an F1 code. It is beeping, and we have to turn to power off just to get it to stop. Resetting the range by pressing the cancel button down for a period of time does not work.Awaiting receipt of timer
Vancouver, British Columbiadead - no indication from panelAwaiting receipt of timer
delta, British ColumbiaLED display not working. All itger functions work. Unable to set oven tem/timer No visible display.Repaired
Markham, OntarioBeeping sound coming from stove with F1 flashing on display. When I pushed the clear button the display shows the time then within a minute the beeping reoccurs. I disconnected the Ribbon Cable from control panel and waited about 30 minutes to see if the Code came back and it does.Repaired
Freeport, MaineDisplay and controls Stopped functioningRepaired
WARWICK, Rhode IslandTHE OVEN TEMPERATURE AND TIMER CONTROL(S) ARE DIFFICULT TO SET. WHEN PRESSING THE (+) OR (-) BUTTONS, THE DISPLAY DIGITS FLUCTUATE WILDLY. I CANNOT INCREASE OR DECREASE THE OVEN TEMPERATURE NOR THE HOURS AND MINUTES IN GRADUAL INCREMENTS.
THIS PROBLEM STARTED AFTER WE REGAINED OUR ELECTRIC POWER FOLLOWING HURRICANE IRENE.
Repaired

Common problems for General Electric Gas Range JGBP79WEV4WW Timer Repair

Are you encountering a similar problem as them? Contact us now and we will try to help you fix your JGBP79WEV4WW timer-related problem.
Oven takes forever to heat up. Thought it was the burner. Checked the burner out and it seems fine although the gas cycles and seems very low.