General Electric Gas Range JGBP35WEV4WW Timer Repair

What is the timer/clock part number for the General Electric JGBP35WEV4WW Gas Range?

Timer part number WB12K0005 for General Electric JGBP35WEV4WW

The JGBP35WEV4WW Gas Range uses timer part number WB12K0005.

Do you have a failed General Electric JGBP35WEV4WW control panel? Click here:

Request Appliance Timer Service

We can repair or replace your faulty General Electric JGBP35WEV4WW timer.

JGBP35WEV4WW are also sometimes referred to using these Alternative Names/Model numbers

GE JGBP35WEV4WW Gas Range

JGBP35WEV4WW Schematic and Wiring Diagrams

Gas & burner Parts diagram
JGBP35WEV4WW Gas Range Gas & burner Parts diagram
Cooktop Parts diagram
JGBP35WEV4WW Gas Range Cooktop Parts diagram
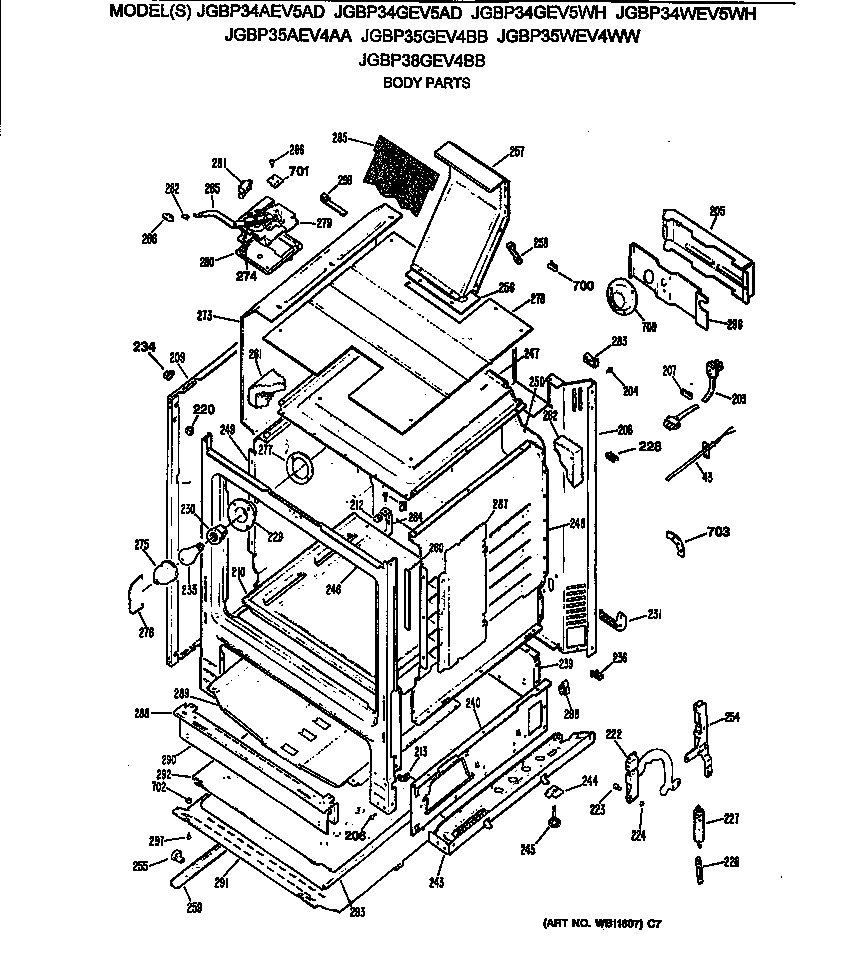
Body Parts diagram
JGBP35WEV4WW Gas Range Body Parts diagram
Door & drawer Parts diagram
JGBP35WEV4WW Gas Range Door & drawer Parts diagram

Recent Service Requests

CityProblem DescriptionResolution
Mssissauga, Ontariocan not turn Oven off.Awaiting receipt of timer
Mississauga, OntarioOven not workingRepaired
Peterborough, OntarioWHEN SETTING THE OVEN TEMPERATURE THE OVEN STARTS UP FINE. AFTER IT IS ON FOR A WHILE IT SHUTS ITSELF OFF. THERE IS NO SET TIME PATTERN BEFORE IT SHUTS ITSELF OFF. AFTER IT SHUTS ITSELF OFF AT TIMES IT WILL COME BACK ON OR IT WILL DISPLAY "DOOR" ON THE TIMER. IF WE WAIT AWHILE WE CAN START IT UP AGAIN BUT THE SAME PROBLEMS APPEAR IN TIME. I HAVE NOTICED SOME CRACKS ON THE OVERLAY BUTTONS BUT I DO NOT KNOW IF THAT IS CREATING THESE PROBLEMS.Repaired
Davisburg, MichiganTimer makes a high pitched squealing noise. It is constant, but all functions of the timer/controls work.Repaired

Common problems for General Electric Gas Range JGBP35WEV4WW Timer Repair

Are you encountering a similar problem as them? Contact us now and we will try to help you fix your JGBP35WEV4WW timer-related problem.
XL44 SELF-CLEAN GAS oven OVEN WILL NOT LIGHT. BROILER AND BURNERS WORK WHAT TO DO