General Electric Gas Range JGBP35WEV3WW Timer Repair

What is the timer/clock part number for the General Electric JGBP35WEV3WW Gas Range?

Timer part number AP 2632694 for General Electric JGBP35WEV3WW

The JGBP35WEV3WW Gas Range uses timer part number AP 2632694.

Do you have a failed General Electric JGBP35WEV3WW control panel? Click here:

Request Appliance Timer Service

We can repair or replace your faulty General Electric JGBP35WEV3WW timer.

JGBP35WEV3WW are also sometimes referred to using these Alternative Names/Model numbers

GE JGBP35WEV3WW Gas Range

JGBP35WEV3WW Schematic and Wiring Diagrams

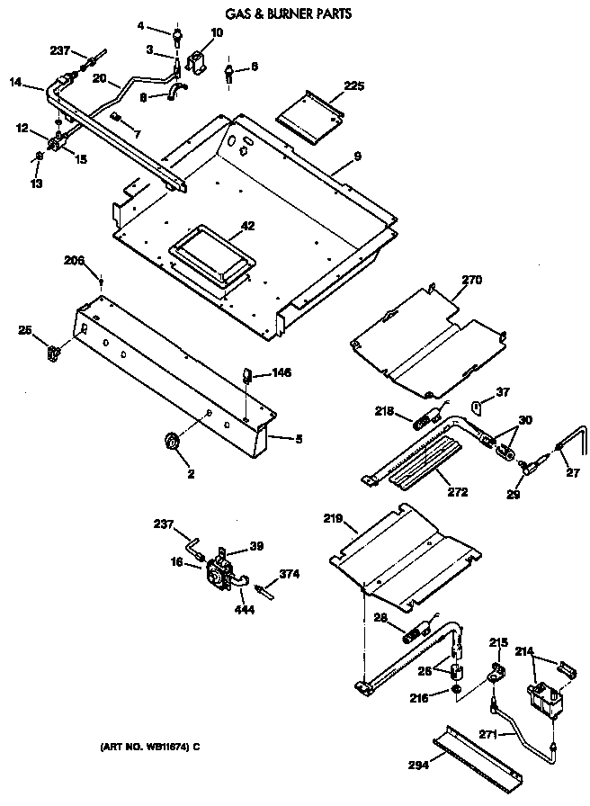
Gas & burner Parts diagram
JGBP35WEV3WW Gas Range Gas & burner Parts diagram
Cooktop Parts diagram
JGBP35WEV3WW Gas Range Cooktop Parts diagram
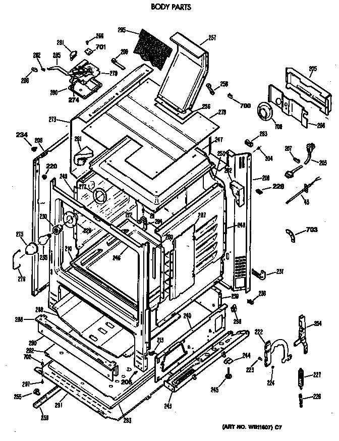
Body Parts diagram
JGBP35WEV3WW Gas Range Body Parts diagram
Door & drawer Parts diagram
JGBP35WEV3WW Gas Range Door & drawer Parts diagram

Common problems for General Electric Gas Range JGBP35WEV3WW Timer Repair

Are you encountering a similar problem as them? Contact us now and we will try to help you fix your JGBP35WEV3WW timer-related problem.
Why does my range and broiler work, but not the oven?