Jenn-Air JDS8850ASS Timer Repair

JDS8850ASS are also sometimes referred to using these Alternative Names/Model numbers

Maytag JDS8850ASS Range, Whirlpool JDS8850ASS Range, JDS8850AAS, JDS8850AAW, JDS8850ACW, JDS8850AAB, JDS8850AAQ, JDS8850ACS

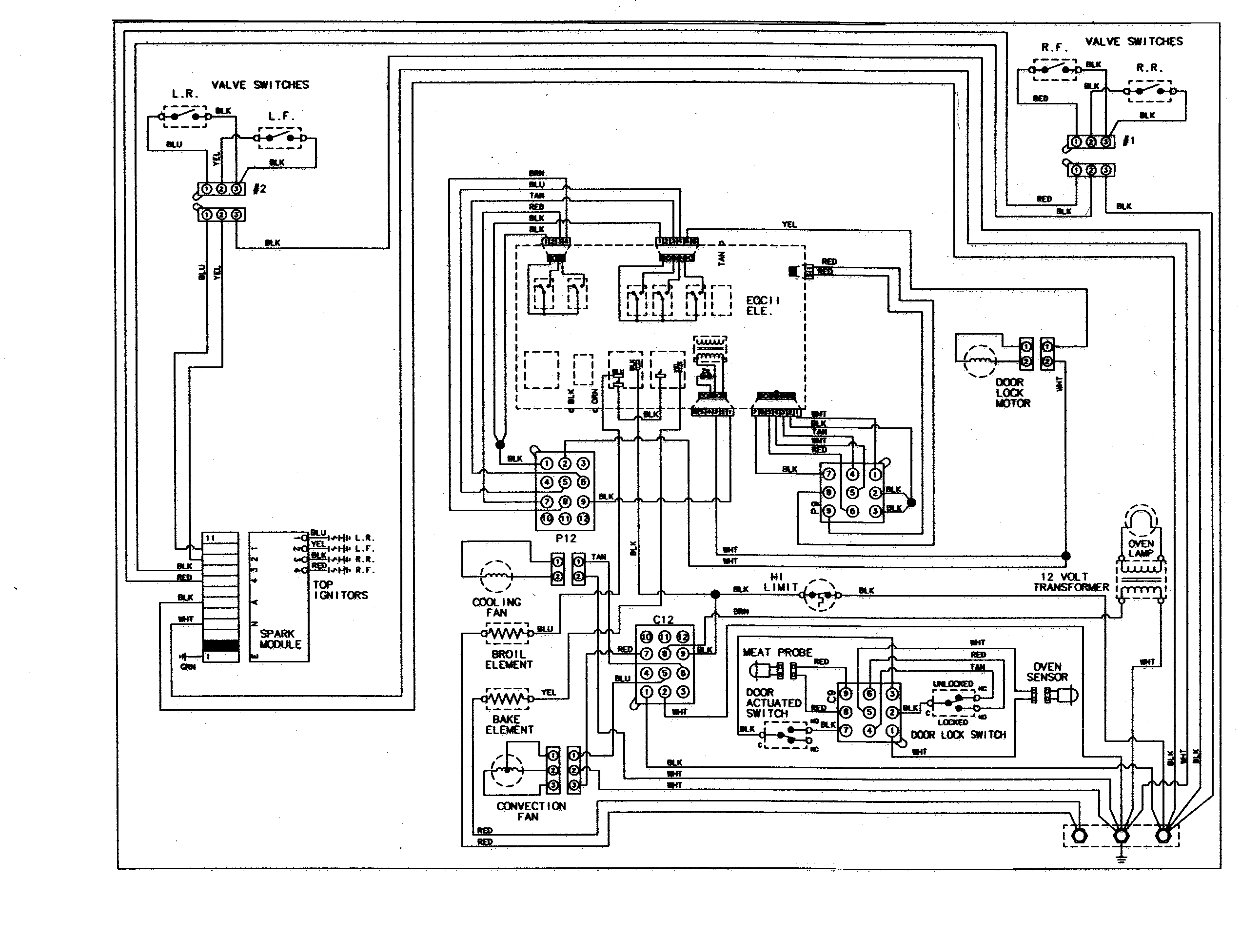
JDS8850ASS Schematic and Wiring Diagrams

Top assembly & control Parts diagram
JDS8850ASS Range Top assembly & control Parts diagram
Body Parts diagram
JDS8850ASS Range Body Parts diagram
Door/drawer (stl) Parts diagram
JDS8850ASS Range Door/drawer (stl) Parts diagram
Gas controls Parts diagram
JDS8850ASS Range Gas controls Parts diagram
Wiring information Parts diagram
JDS8850ASS Range Wiring information Parts diagram
Oven/base Parts diagram
JDS8850ASS Range Oven/base Parts diagram

Recent Service Requests

CityProblem DescriptionResolution
Staunton, Virginiathe error code F1-E appears and the stove will not operate.Beyond Repair

Common problems for Jenn-Air JDS8850ASS Timer Repair

Are you encountering a similar problem as them? Contact us now and we will try to help you fix your JDS8850ASS timer-related problem.
Hello, I have a Jenn Air gas oven/oven model:JDS8850AAS . Occasionally the oven just shuts off before the clock says the item being cocked is done. This happens in regular and Convection mode. It tells me to call 1-XXX-XXX-XXXX. When i have tried, I am put on endless hold.... so I elected to email regarding this issue instead... if you have any advise, I would appreciate it!
Hi I have a jenn air duel fuel oven and a error code of F8-2 came up and it won't clear.I have shut power off over night and code still appears.Can you tell me what this code means and how to repair it.Model #JDS8850AAS, Ser.#14771038EC.thank you for your help. Bert
I have a dual fuel 30" PN 8113P370-60 serial number 8114P734-60 (12-99-00) Jenn-Air oven. I was baking last week and hit cancel after the baking was completed. A few minutes later the oven turned itself back on and displayed convection roast. I hit cancel again and it came back on with a "call authorized Jenn-Air service" message. Since that time I switched off the breaker (oven repeatedly kept turning on to convection roast) almost immediately after I would press the Cancel control. Any idea of what is happening here? I used it one other time and it "appeared " to be OK, but then after I cancelled, it began doing the same thing. Right now the electricity is still cut to it. Can you suggest anything? Thanks Carole
my jenn-air gas range JDS8850AAS give a code F1-7 and oven
Oven heats very slow and will take hours to get to 350. Broiler works fine and oven top eyes work without problems. I assume this problem is the lower heating element? Or can this problem be caused by the sensor?
Hi, the lower baking heating element has failed in my Jenn-Air oven and I'd like some advice on what might be wrong. Roughly 1/3rd of the heating element appears to have overheated (sort of a bubbled/rough look to it) and deformed enough to bend down to touch the oven bottom. The broiler looks okay and does work. Is this most likely just a failed heating element or some sort of temperature control problem? It's a Jenn-Air JDR8895AAS Dual-Fuel Double Oven oven (only the bottom oven is affected).
I have a Jenn-Air duel-fuel oven (JDR8895AAS) and the clock/control touch pad is not working. It is clicking and beeping sometimes, but will not stay on. I have replaced the control panel with a new one and it did the exact same thing as soon as I turned the power on. Any suggestions? Is there a relay somewhere else or a place where a connection could be bad?
Hello all I am new here and I need some help. I have a Jenn air jdr8895aas dual fuel oven. When I first noticed this problem I had to mess with the oven controls for a long time to get it to go to 350 degrees to cook a frozen pizza. Then I turned the oven off and started eating the pizza the oven turned itself on to lower oven 170 degrees, so I got up and turned it off a few minutes later it tuned itself to lower oven 170 degrees again. I then turned the breaker off finished the pizza and went to bed. Now any button I push on the oven control touch pad turns the lower oven on to 170 degrees. I cant get it to do anything else. Anybody got any ideas?
I've been fighting this issue for over a year. It's an intermittent problem, actually. The oven will get an F1-1 error. Sometimes during cooking, sometimes well after we're finished and the oven is 'off' (though still warm). I pulled the control panel off and checked that the temp sensor is getting it's signal all the way back to it's connector on the clock/Computer. I also took readings at a number of temperatures: TEMP - OHMS 200F - 1425 250F - 1511 300F - 1541 350F - 1702 400F - 1779 450F - 1889 500F - 1992 Some of these seem off from the recommended sensor tempurature (the calibration says 350F should read 1654 and I'm at 1702). So - this is a new temp sensor - is it bad? Is it off enough to have the oven throw the F1-1 code? That means the oven thinks it's over 600F in bake mode, right? That would be 2142 ohms. I'm not reading that high. And the error can come when I'm only cooking at 350F. My next thought is the control panel has a break in a solder joint somewhere and it pops 'o
GE oven JDP36GP3WH, F2 codes keeps reappearing, sometimes during baking, more recently when oven and range are not in use nor have they been in use for several hours. Replaced Oven sensor and have checked resistance on sensor and wiring up to oven control unit. At ambient temp, sensor and wiring read about 1077 ohms. Additionally, sometimes during baking, the oven just shuts off with no codes being displayed on the display. I suspect that the clock/oven controller is bad but it is longer available from GE or any of the local or on-line part houses that I've tried. Does this sound like a defective oven controller or maybe something else? Any suggestions on where to get a new controller or get this one repaired?
on my cook top two of the controls when turned on the ingniters do not spark the other three when in light position makes all of them spark which i know is normal ? does this mean ing switch is bad or could there be another problem with just those two burners? again getting gas to and all strickers a are sparking when the other controls are turned to light position
Water was spilled on the range top and all the ignitors are active and clicking. Power was disconnected to stop the ignitors. Something is shorted out. I can light them manually but as soon as I re-energize the power the ignitors start clicking. Any ideas?