General Electric Electric Range JBP25GS2WW Timer Repair

What is the timer/clock part number for the General Electric JBP25GS2WW Electric Range?

Timer part number wb27x5525 for General Electric JBP25GS2WW

The JBP25GS2WW Electric Range uses timer part number wb27x5525.

Do you have a failed General Electric JBP25GS2WW control panel? Click here:

Request Appliance Timer Service

We can repair or replace your faulty General Electric JBP25GS2WW timer.

JBP25GS2WW are also sometimes referred to using these Alternative Names/Model numbers

GE JBP25GS2WW Electric Range, JBP25GS2

JBP25GS2WW Schematic and Wiring Diagrams

Cooktop Parts diagram
JBP25GS2WW Electric Range Cooktop Parts diagram
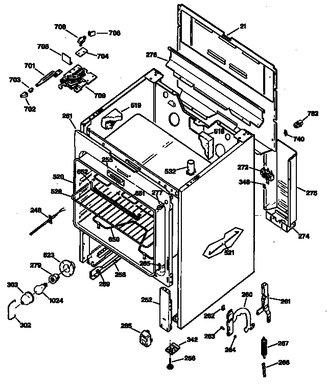
Oven Parts diagram
JBP25GS2WW Electric Range Oven Parts diagram
Door/drawer Parts diagram
JBP25GS2WW Electric Range Door/drawer Parts diagram

Recent Service Requests

CityProblem DescriptionResolution
BENICIA, CaliforniaLOWER ELEMENT NOT WORKING THE ELEMENT IS OK
NEED CONTROLLER BOARD. THANKS
Awaiting receipt of timer
Fenton, MissouriBelieve that the power supply has failed as the electronic clock does not illuminate and the Bake and Broil functions no long work. The power supply board is piggy backed onto the main control board. I require both of these circuit board assemblies to ensure the stove/oven is returned to full operation.Awaiting receipt of timer