Whirlpool Gas Range GW395LEGQ1 Timer Repair

What is the timer/clock part number for the Whirlpool GW395LEGQ1 Gas Range?

Timer part number 9753639 for Whirlpool GW395LEGQ1

The GW395LEGQ1 Gas Range uses timer part number 9753639.

Do you have a failed Whirlpool GW395LEGQ1 control panel? Click here:

Request Appliance Timer Service

We can repair or replace your faulty Whirlpool GW395LEGQ1 timer.

GW395LEGQ1 Schematic and Wiring Diagrams

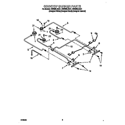
Cooktop Parts diagram
GW395LEGQ1 Gas Range Cooktop Parts diagram
Control panel Parts diagram
GW395LEGQ1 Gas Range Control panel Parts diagram
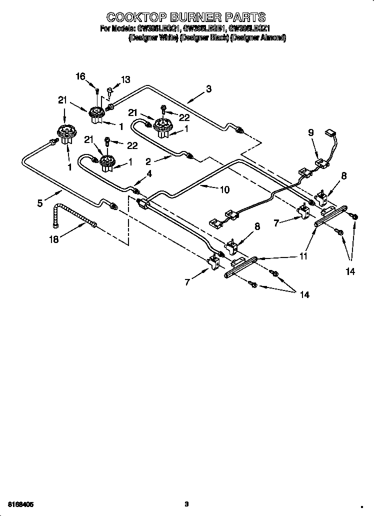
Burner Parts diagram
GW395LEGQ1 Gas Range Burner Parts diagram
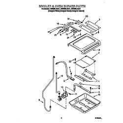
Broiler and oven burner Parts diagram
GW395LEGQ1 Gas Range Broiler and oven burner Parts diagram
Door and drawer Parts diagram
GW395LEGQ1 Gas Range Door and drawer Parts diagram
Oven chassis Parts diagram
GW395LEGQ1 Gas Range Oven chassis Parts diagram
Rear chassis Parts diagram
GW395LEGQ1 Gas Range Rear chassis Parts diagram

Recent Service Requests

CityProblem DescriptionResolution
Two Hills, AlbertaThe convection oven and oven light doesn't workAwaiting receipt of timer
DORAL, FloridaOVEN IS NOT WORKINGReplaced with reconditioned timer
Cerritos, CaliforniaOven operates for 30 to 40 minutes and gives this error code: E2 -F1-Replaced with reconditioned timer