Frigidaire Electric Range GLEFM397DSB Timer Repair

What is the timer/clock part number for the Frigidaire GLEFM397DSB Electric Range?

Timer part number 316418704 for Frigidaire GLEFM397DSB

The GLEFM397DSB Electric Range uses timer part number 316418704.

Do you have a failed Frigidaire GLEFM397DSB control panel? Click here:

Request Appliance Timer Service

We can repair or replace your faulty Frigidaire GLEFM397DSB timer.

GLEFM397DSB are also sometimes referred to using these Alternative Names/Model numbers

Electrolux GLEFM397DSB Electric Range

GLEFM397DSB Schematic and Wiring Diagrams

Backguard Parts diagram
GLEFM397DSB Electric Range Backguard Parts diagram
Body Parts diagram
GLEFM397DSB Electric Range Body Parts diagram
Top/drawer Parts diagram
GLEFM397DSB Electric Range Top/drawer Parts diagram
Door Parts diagram
GLEFM397DSB Electric Range Door Parts diagram
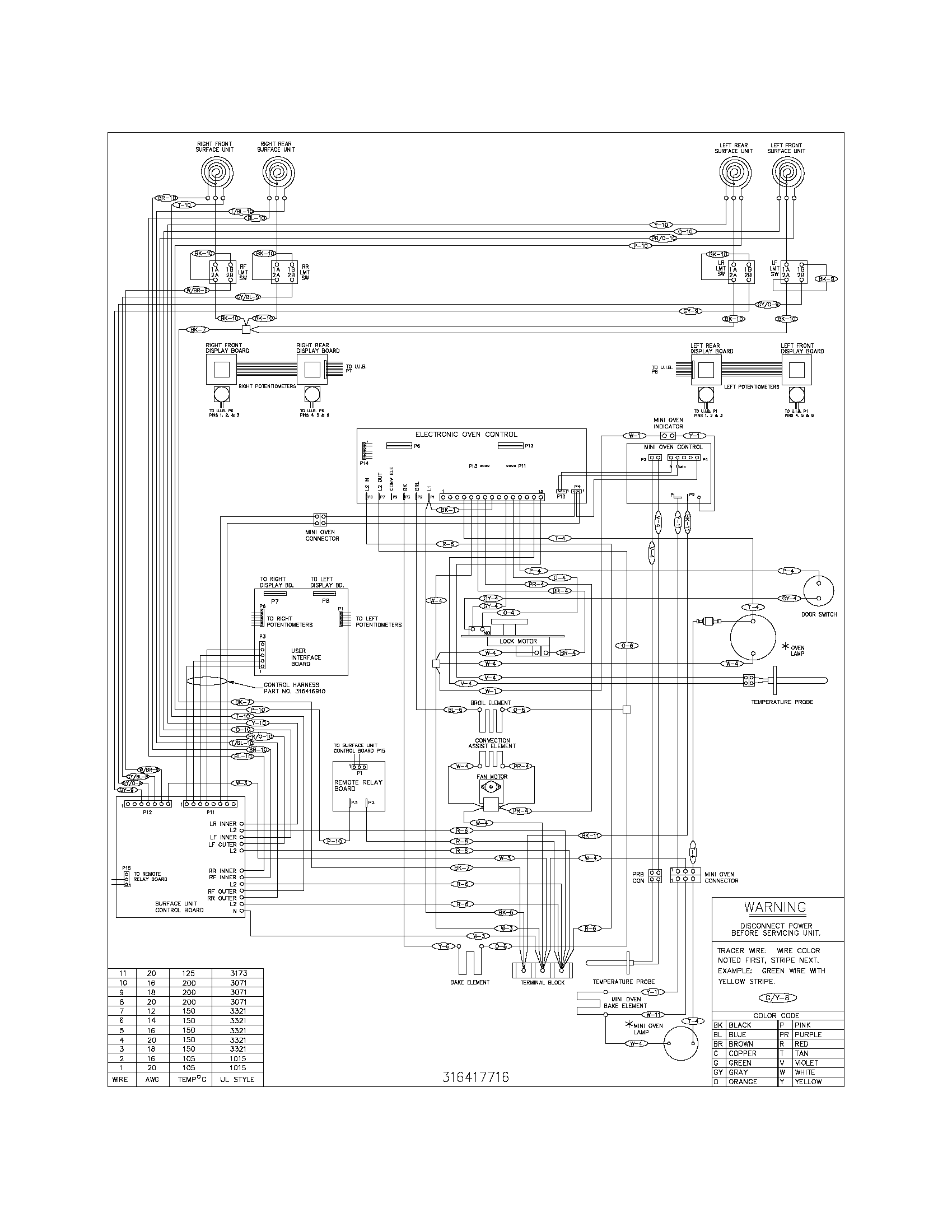
Wiring schematic Parts diagram
GLEFM397DSB Electric Range Wiring schematic Parts diagram
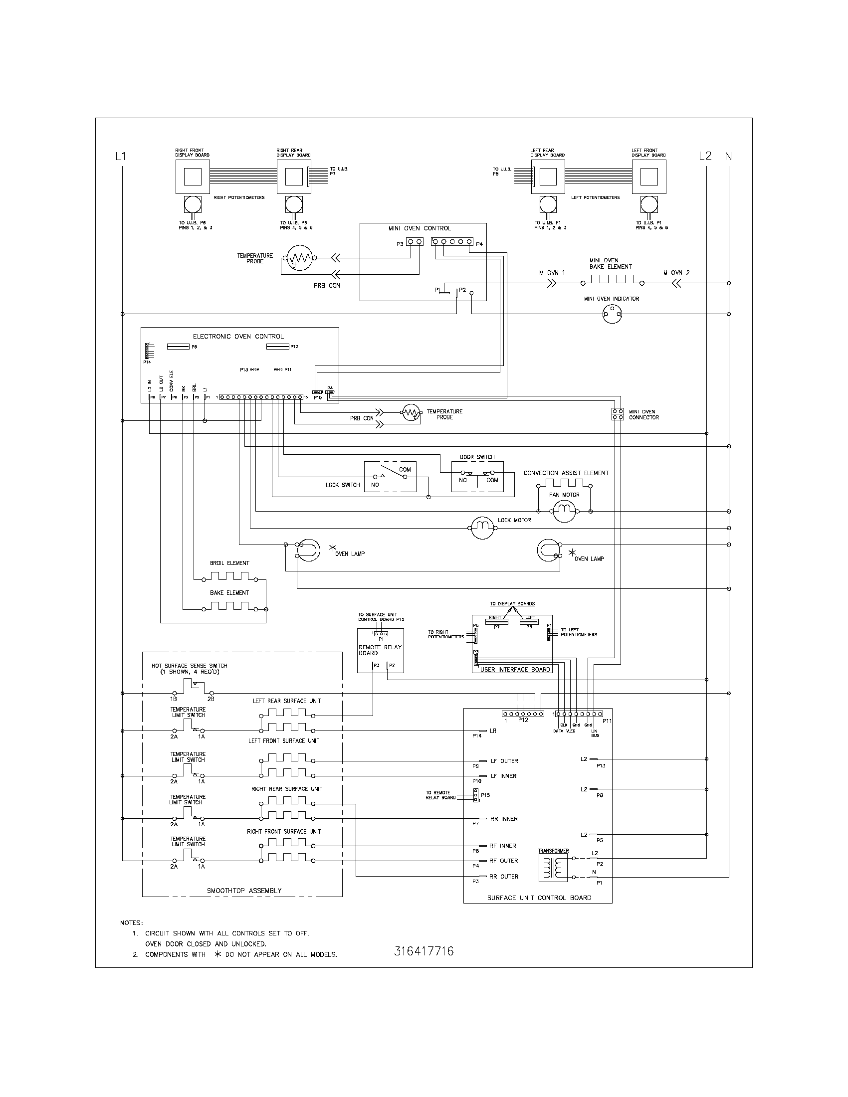
Wiring diagram Parts diagram
GLEFM397DSB Electric Range Wiring diagram Parts diagram

Recent Service Requests

CityProblem DescriptionResolution
Fullerton, NebraskaOven element will not heat up and the broiler element will not heat up.Repaired
Hartville, MissouriControler board purchaseReplaced with reconditioned timer
Hartville, MissouriControler board purchaseReplaced with reconditioned timer
BIBLE HILL, Nova ScotiaNO POWER GOING FROM BOARD TO ELEMENTReplaced with reconditioned timer

Common problems for Frigidaire Electric Range GLEFM397DSB Timer Repair

Are you encountering a similar problem as them? Contact us now and we will try to help you fix your GLEFM397DSB timer-related problem.
Hello i am getting an F10 ode on my oven...Does anyone have any clue to what needs to be fized?? bvlover2000@yahoo.com Jackie
was using the oven, temp was set at 400 and right after warming up the range mad a popping sound, thought I saw something come out the vent on the range top. Afterwards: The clock was blinking two dashes and the setting changed from bake to broil and a constant beeping started sounding. I turned off the breakers in the basement to the oven, just as a safty measure. How can I make the error code appear again, just to be positive on the error Any ideas. I thought at one point I saw an F1 in the clock window too. Going to read the error code post. Tom - Dayton Oh
The other night I was baking something at 450, after about 10 minutes there was a popping sound. Whatever it was popped the breaker. We turned the breaker back on, and everything on the oven works except the Bake and Broil function. Someone told me to change the elemnts (which they probably needed anyways) so I did (just the bottom). This did not fix the problem. The display, range top, fan, clock work, just not the oven part...Please Help
I baked in the oven two days ago. When the clock went off (I use the microwave clock) I noticed that the food was cooked, but the oven was off (no clock, no error codes, nothing.) I turned the 220 breaker off and back on. This brought everything back except the oven. So the rangetop and convection fan work fine but the oven will not heat. It does not display any error codes. After reading some posts on this forum, I decided to try the cleaning cycle and am waiting for that to finish, but the door still feels cold. Any ideas? Justin
Our Frigidaire oven has always maintained temperature very well. Recently it started dropping 5 degrees from what the reading was on the clock/temperature setting. Suddenly it is now approximately 15 to 20 degrees below the reading setting and I am unable to heat the oven past 350 degrees. Where would you recommend I begin to troubleshoot this problem? Any help is much appreciated.
This frigidaire oven is seven years old and about 2 years ago I had the control panel short out while turning the oven on. I opened it up and found there was no insulation beteween the two layers of the main clock control panels. So I cleaned up the board and put a plastic insulator between them and it seemed to work fine for a while. Then about a year later while baking on convection mode it got super hot like it overrode to self clean. I unplugged it and let it sit for a couple days as per a local shops recommendation, and when I plugged it back in all worked fine, until this time and the same thing happened again. So I am wondering which circut I should be replacing. I am thinking the clock circuit as that is the one that had shorted out.
ES510, Model #GLEFM397DSB Bake-n-warm double oven. The lower warmer/oven does not work. When we loose power the unit will beep. I have to rotate the lower oven control knob and lock/unlock the main oven for the beeping to stop. Suggestions regarding why the lower oven doesn't work and what I may have to replace?
Our oven cook top is working, but after running a speed clean cycle we can no longer get the oven to heat. Broil does not work either.
I have a Frigidaire Gallery Series GLEFM397DSB. It often just starts beeping for no reason and there is no way to turn it off other than throwing the fuse. Sometimes it does this three times in an evening. Any idea what needs to be replaced?