Frigidaire Electric Range GLEF378CQB Timer Repair

What is the timer/clock part number for the Frigidaire GLEF378CQB Electric Range?

Timer part number sf 5306 rev d 316207509 for Frigidaire GLEF378CQB

The GLEF378CQB Electric Range uses timer part number sf 5306 rev d 316207509.

Do you have a failed Frigidaire GLEF378CQB control panel? Click here:

Request Appliance Timer Service

We can repair or replace your faulty Frigidaire GLEF378CQB timer.

GLEF378CQB are also sometimes referred to using these Alternative Names/Model numbers

Electrolux GLEF378CQB Electric Range

GLEF378CQB Schematic and Wiring Diagrams

Backguard Parts diagram
GLEF378CQB Electric Range Backguard Parts diagram
Body Parts diagram
GLEF378CQB Electric Range Body Parts diagram
Top/drawer Parts diagram
GLEF378CQB Electric Range Top/drawer Parts diagram
Door Parts diagram
GLEF378CQB Electric Range Door Parts diagram
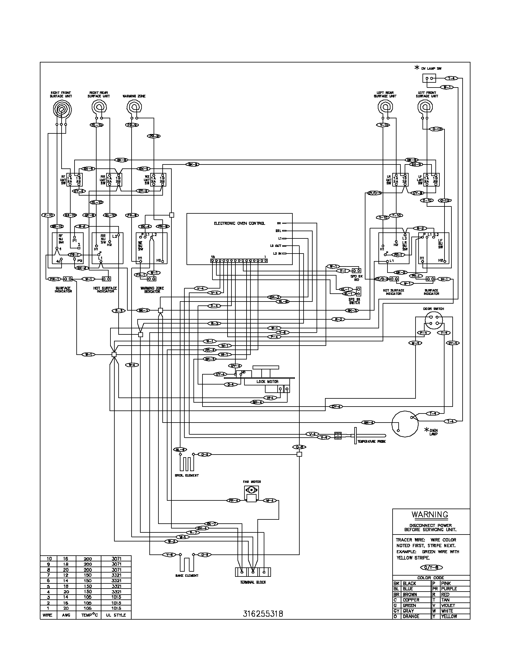
Wirign schematic Parts diagram
GLEF378CQB Electric Range Wirign schematic Parts diagram
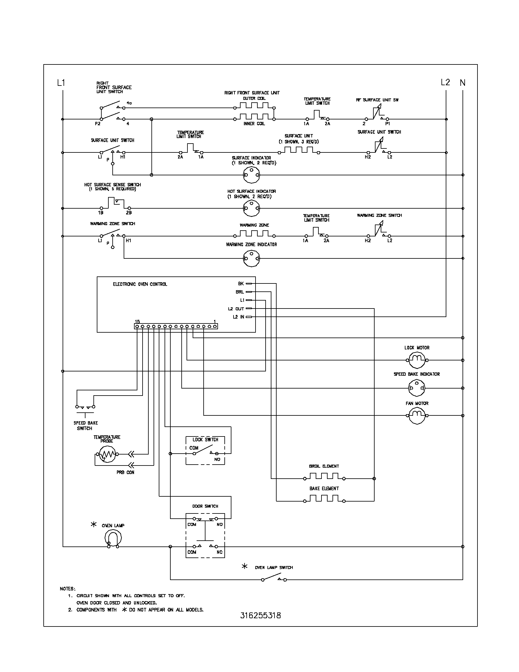
Wiring diagram Parts diagram
GLEF378CQB Electric Range Wiring diagram Parts diagram

Common problems for Frigidaire Electric Range GLEF378CQB Timer Repair

Are you encountering a similar problem as them? Contact us now and we will try to help you fix your GLEF378CQB timer-related problem.
After a recent power failure, I went to reset the clock on my Frigidaire smooth top oven, model # GLEF369DBA. After setting the clock to the correct time, and hitting start, the display went dark after 5 seconds and the time did not show anymore. I tried it several more times with the same result. The display area is now always blank until you go to bake something in the oven or use the clock feature. Then the area lights up as it should. All other features of the oven work correctly, including clock, oven temps, etc. Can you advise what part has failed??
Hello, Basically my problem with this oven started about 2 years ago when a rodent somehow got in the interior of the oven (yeah gross I know) and apparently got electrocuted behind the control board. Its intermittingly lost power to the burners & oven where the clock will reset and go blank. If you turn on one of the burners, the power will come back on and may work properly for 1 hour or 10 seconds before resetting. Anywho, tonight it apparently went dead, the lights come on when you turn on the burners and/or oven but neither heats up. There are no error codes displayed. I am guessing what I need is the control board, part # AP3693959? on this page ? If so, do I need overlay part #AP2126499 as well? Any help is appreciated, guessing something has shorted in the control panel that needs to be replaced, not repairable? I have taken the rear panel off but see no obvious sign of a short or burn marks. I have a DMM if there is something to test for.
The oven starts by itself with a message of F1 what do I need to fix it