Frigidaire Range - Gas FGF353BADA Timer Repair

What is the timer/clock part number for the Frigidaire FGF353BADA Range - Gas?

Timer part number 5303930112 for Frigidaire FGF353BADA

The FGF353BADA Range - Gas uses timer part number 5303930112.

Do you have a failed Frigidaire FGF353BADA control panel? Click here:

Request Appliance Timer Service

We can repair or replace your faulty Frigidaire FGF353BADA timer.

FGF353BADA are also sometimes referred to using these Alternative Names/Model numbers

Electrolux FGF353BADA Range - Gas, 5995234126

FGF353BADA Schematic and Wiring Diagrams

Cover Parts diagram
FGF353BADA Range - Gas Cover Parts diagram
Backguard Parts diagram
FGF353BADA Range - Gas Backguard Parts diagram
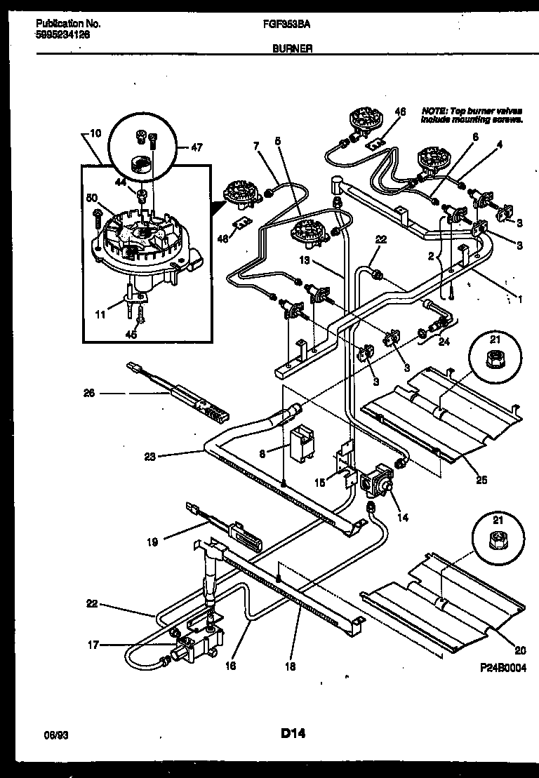
Burner, manifold and gas control Parts diagram
FGF353BADA Range - Gas Burner, manifold and gas control Parts diagram
Body Parts diagram
FGF353BADA Range - Gas Body Parts diagram
Cooktop and drawer Parts diagram
FGF353BADA Range - Gas Cooktop and drawer Parts diagram
Door Parts diagram
FGF353BADA Range - Gas Door Parts diagram

Recent Service Requests

CityProblem DescriptionResolution
redlion, Pennsylvaniano display or functions verified power is a panelAwaiting receipt of timer
Kankakee, IllinoisOnly clock and timer work. Will not set oven temp or start oven.Awaiting receipt of timer
Gibsonia, Pennsylvaniachanged temp sensor, checked connections, still coding F3Repaired

Common problems for Frigidaire Range - Gas FGF353BADA Timer Repair

Are you encountering a similar problem as them? Contact us now and we will try to help you fix your FGF353BADA timer-related problem.
When you press Bake Temp on control pad the oven doesn't ignite, it says on read out 100 degrees and says the oven is on but there is no flame. Then I could try it the next day and it might work. It's like a crap shoot. I bought oven ignitor but have not installed yet want to get an idea this is the problem, I don't have a meter to check the voltage to be sure.
I HAVE A FRIGIDARE oven MODEL # XXXXX SERIAL # XXXXX WHICH WE PURCHASED NEW 8-30-94. WE HAVE NEVER HAD ANY PROBLEM WITH IT. YESTERDAY, I DECIDEDED TO USE THE SELFCLEANING FEATURE. IT DID NOT WORK. I PUSH CLEAN, 3 HOURS AND THEN AFTER A MINUTE OR SO IT FLASHES "DOOR" AND BEEPS. NOW NON OF THE OVEN CONTROLD WORK. THE ONLY THING THAT WORKS IS THE clock AND clock. I HAVE UNPLUGGED IT AND WAITED AND THEN PLUGGED IT BACK IN - STILL NOT WORKING. ANY SUGGESTIONS/
If my frigidare oven model#FGF353BADA continually goes over the temperature setting is the temperature probe broken?
Sorry i was cut off....I have a fridigidaire oven model fgf353bada im having trouble closing door it seems something is blocking...I think it may be the catch thats not working or it is stuck in lock position.....Can you solve this problem and tell me how gto correct the problem...thans rohn e