Frigidaire Electric Range FEFL89CCA Timer Repair

What is the timer/clock part number for the Frigidaire FEFL89CCA Electric Range?

Timer part number 316207620 for Frigidaire FEFL89CCA

The FEFL89CCA Electric Range uses timer part number 316207620.

Do you have a failed Frigidaire FEFL89CCA control panel? Click here:

Request Appliance Timer Service

We can repair or replace your faulty Frigidaire FEFL89CCA timer.

FEFL89CCA are also sometimes referred to using these Alternative Names/Model numbers

Electrolux FEFL89CCA Electric Range

FEFL89CCA Schematic and Wiring Diagrams

Backguard Parts diagram
FEFL89CCA Electric Range Backguard Parts diagram
Body Parts diagram
FEFL89CCA Electric Range Body Parts diagram
Top/drawer Parts diagram
FEFL89CCA Electric Range Top/drawer Parts diagram
Door Parts diagram
FEFL89CCA Electric Range Door Parts diagram
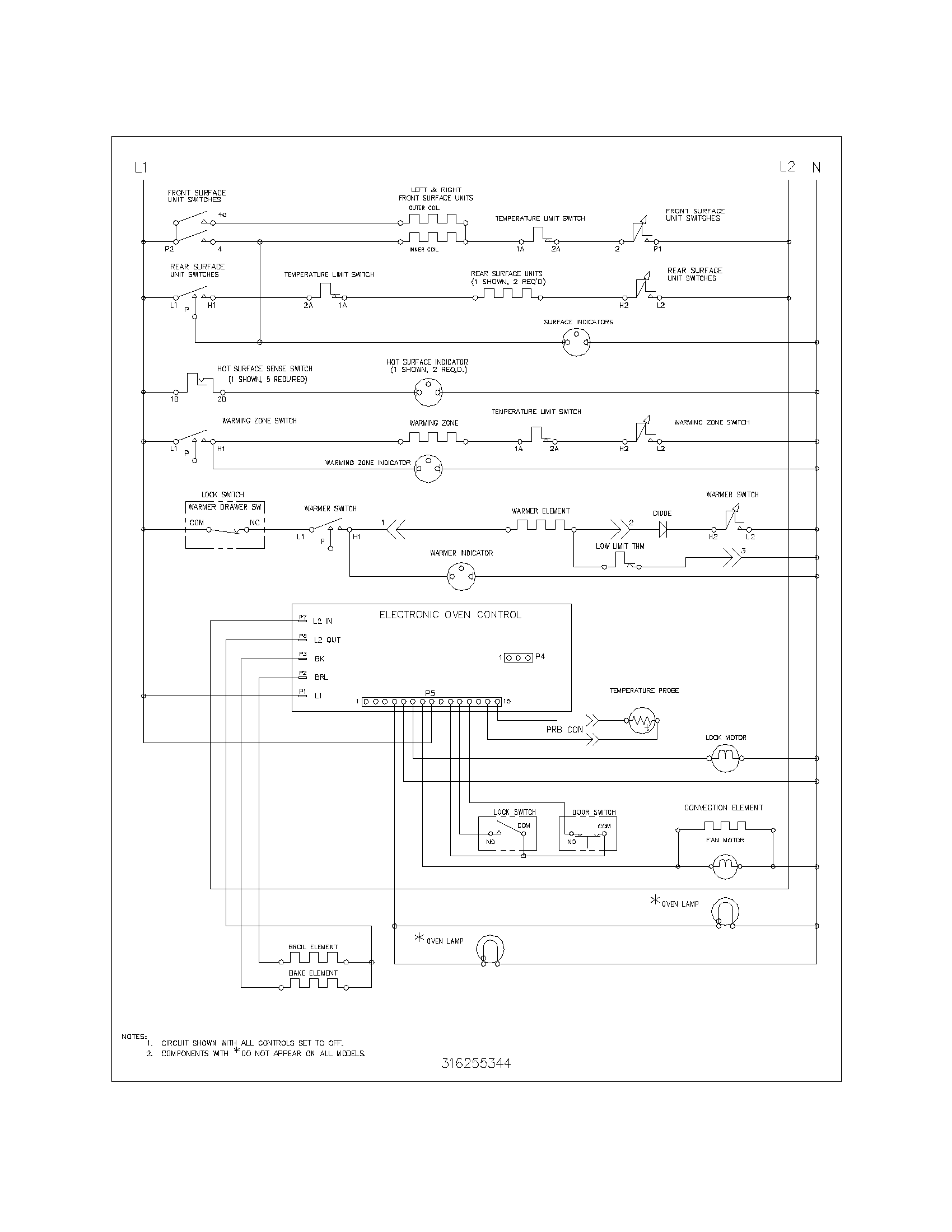
Wiring schematic Parts diagram
FEFL89CCA Electric Range Wiring schematic Parts diagram
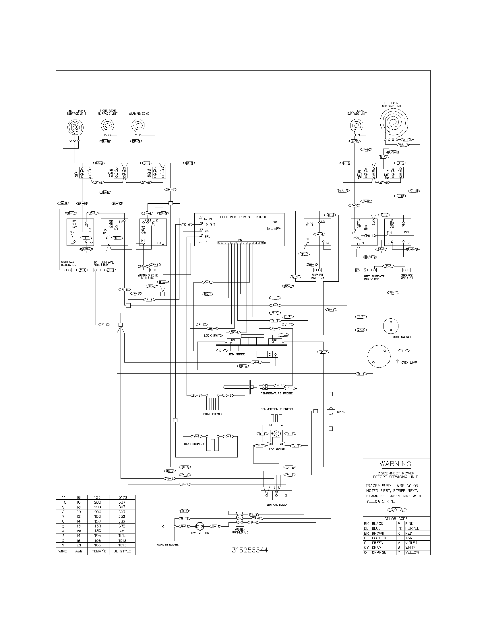
Wiring diagram Parts diagram
FEFL89CCA Electric Range Wiring diagram Parts diagram

Recent Service Requests

CityProblem DescriptionResolution
Granbury, TexasTurned on oven. Timer made electrical crackling noises. Smoke came out of back of stove control panel. Breaker tripped and won't reset.Awaiting receipt of timer
Hanover, Pennsylvaniabroil and bake elements do not work. Please ship me a new electronic oven controller. per above timer numberReplaced with new in-stock timer
Coram, New YorkI have no power to either the Broil or Bake elements. I verified heating elements within normal resistance range as well as thermometer within range ( both at the thermometer quick connect at at the board connection. ) As well as power to the board.

The board functions properly otherwise, display works, timer works, convection oven control allows fan to run, clean function powers the door lock.

The only things not working is no power to the elements from the board.

Thanks.
Repaired
Jamestown, PennsylvaniaRANGE TOP WORKS. OVEN AND TIMER/CLOCK DOES NOT WORK. THERE WAS A SPARK AND PUFF OF SMOKE FROM REAR OF RANGE.Repaired
Chesapeake, VirginiaOven Bake/Broiler will not heat. Visual inspection of Spitfire board shows arc/short failure for OmronG8P-1C4P12V. No other obvious signs of damage to other relays. From search of this type of problem for this oven control board, suggests failure of this component.

Shipping entire control unit (key pad and controller circuit board outer case).
Replaced with new in-stock timer
Knoxville, TennesseeStart not workingReplaced with reconditioned timer