Frigidaire Electric Range FEF389WFCD Timer Repair

What is the timer/clock part number for the Frigidaire FEF389WFCD Electric Range?

Timer part number 316080103 for Frigidaire FEF389WFCD

The FEF389WFCD Electric Range uses timer part number 316080103.

Do you have a failed Frigidaire FEF389WFCD control panel? Click here:

Request Appliance Timer Service

We can repair or replace your faulty Frigidaire FEF389WFCD timer.

FEF389WFCD are also sometimes referred to using these Alternative Names/Model numbers

Electrolux FEF389WFCD Electric Range, P5995310165

FEF389WFCD Schematic and Wiring Diagrams

Cover Parts diagram
FEF389WFCD Electric Range Cover Parts diagram
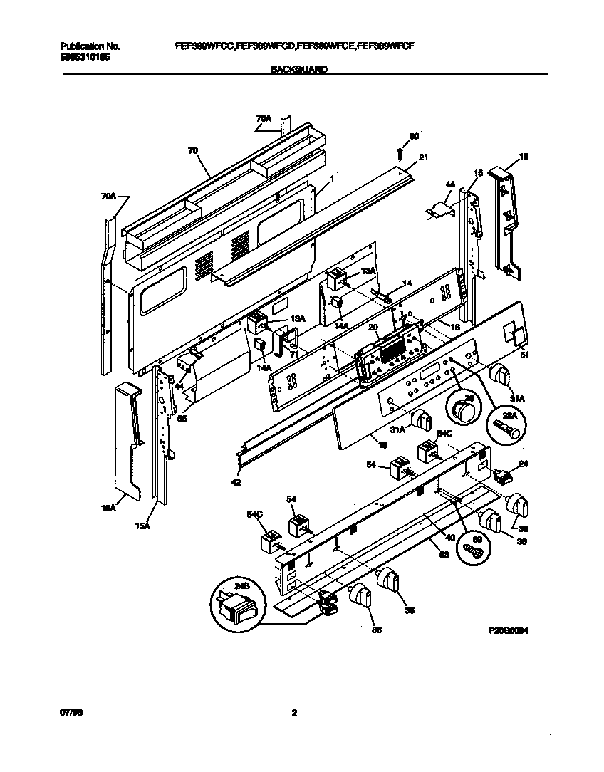
Backguard Parts diagram
FEF389WFCD Electric Range Backguard Parts diagram
Body Parts diagram
FEF389WFCD Electric Range Body Parts diagram
Top/drawer Parts diagram
FEF389WFCD Electric Range Top/drawer Parts diagram
Door Parts diagram
FEF389WFCD Electric Range Door Parts diagram
Wiring diagram Parts diagram
FEF389WFCD Electric Range Wiring diagram Parts diagram

Recent Service Requests

CityProblem DescriptionResolution
Montréal, Quebecno code no display no oven not working but top and warm zone work greatAwaiting receipt of timer
Toronto, OntarioThe display became dim over time and more difficult to see. Eventually it became completely dark and when it became dark, all of the oven control functions stopped working.

Frigidaire advised that the the original part number has been changed to 318010100 and that this part has been discontinued.
Repaired
Bolton, OntarioTIMER STOPPED WORKINGAwaiting receipt of timer
Roxboro, QuébecClock works, broil works, oven element does not go. Higher than 240Awaiting receipt of timer
Carp, OntarioThe timer/controls suddenly stopped working, the clock/display is blank and the buttons to control the oven, clock and timer no longer work. The range top is still functional.Repaired
Carp, OntarioThe timer/controls suddenly stopped working, the clock/display is blank and the buttons to control the oven, clock and timer no longer work. The range top is still functional.

Note: Please disregard service request sent earlier today (re: email sent 21 Feb 2010, 12:39:50 PM). The current request has updated shipping instructions and contact information.
Repaired

Common problems for Frigidaire Electric Range FEF389WFCD Timer Repair

Are you encountering a similar problem as them? Contact us now and we will try to help you fix your FEF389WFCD timer-related problem.
Model FEF389WFCJ = Frididaire Gallery - ceramic top- Spark came out left side of range when pot of water boiled over. Is this model recalled or has anyone reported such a problem? How do you open the top to see if there is an exposed wire/short?
I have a frigidaire electric range Model FEF389WFCD, the control panel stopped working, now the boiler and oven do not work , all the rangetop works, no problem. I believe it needs a new Electronic clock/ clock. how can I confirm this, any suggestions. How easy is electronic clock/clock unit to install?