Frigidaire Range - Electric FEF377BADA Timer Repair

What is the timer/clock part number for the Frigidaire FEF377BADA Range - Electric?

Timer part number 5303935108 for Frigidaire FEF377BADA

The FEF377BADA Range - Electric uses timer part number 5303935108.

Do you have a failed Frigidaire FEF377BADA control panel? Click here:

Request Appliance Timer Service

We can repair or replace your faulty Frigidaire FEF377BADA timer.

FEF377BADA are also sometimes referred to using these Alternative Names/Model numbers

Electrolux FEF377BADA Range - Electric, 5995238192

FEF377BADA Schematic and Wiring Diagrams

Cover Parts diagram
FEF377BADA Range - Electric Cover Parts diagram
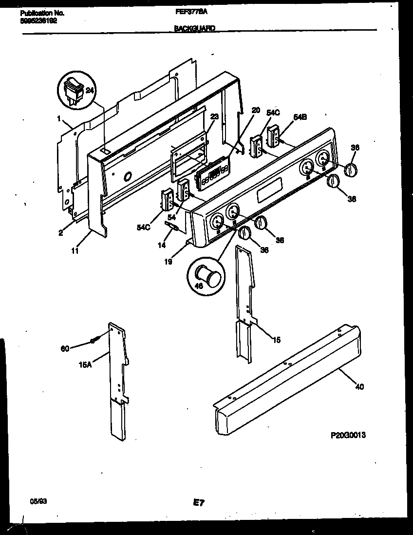
Backguard Parts diagram
FEF377BADA Range - Electric Backguard Parts diagram
Body Parts diagram
FEF377BADA Range - Electric Body Parts diagram
Cooktop and drawer Parts diagram
FEF377BADA Range - Electric Cooktop and drawer Parts diagram
Door Parts diagram
FEF377BADA Range - Electric Door Parts diagram

Recent Service Requests

CityProblem DescriptionResolution
Decatur, IllinoisOver and self-clean do not work, nor does the timerAwaiting receipt of timer
Bloomington, IndianaThe timer signals "F3"(and beeps) a few seconds after "Broil" or "Bake Temp" is selected, and the oven just barely starts to heat. Incorrect information suggested that the temperature probe was bad. That was not the problem -- apparently, it's the timer.
In removing the timer, I mistakenly separated the circuit boards, and lost two small washer/spacers. I reassembled the timer, but the middle two screws that join the boards are missing those two small washer/spacers. I also found an extra 5/8" dark grey spacer. I have no idea where it belongs, and I hope it, and possible a missing mate, are not essential for my re-installation of the timer.
Repaired
East Greenville, PennsylvaniaThe relay closes for the bake cycle but does not open at the set temperature.
The bake element stays on all the time during the bake cycle. If cancel is pushed
it will shut off. I checked the temperature probe resistance with an ohm meter and it
meets the specs in the service data sheet. When the bake cycle is put on you can
watch as the digital temperature increases to the set temperature then stops.
However the element continued to heat until manually turned off. I had an oven
thermometer and it went over the highest reading of 600 F
Repaired