Frigidaire Range - Electric FEF367CATA Timer Repair

What is the timer/clock part number for the Frigidaire FEF367CATA Range - Electric ?

Timer part number 5303935110 for Frigidaire FEF367CATA

The FEF367CATA Range - Electric uses timer part number 5303935110.

Do you have a failed Frigidaire FEF367CATA control panel? Click here:

Request Appliance Timer Service

We can repair or replace your faulty Frigidaire FEF367CATA timer.

FEF367CATA are also sometimes referred to using these Alternative Names/Model numbers

Electrolux FEF367CATA Range - Electric , 5995238283

FEF367CATA Schematic and Wiring Diagrams

Cover Parts diagram
FEF367CATA Range - Electric Cover Parts diagram
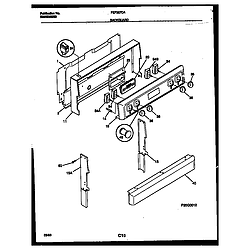
Backguard Parts diagram
FEF367CATA Range - Electric Backguard Parts diagram
Body Parts diagram
FEF367CATA Range - Electric Body Parts diagram
Cooktop and drawer Parts diagram
FEF367CATA Range - Electric Cooktop and drawer Parts diagram
Door Parts diagram
FEF367CATA Range - Electric Door Parts diagram

Recent Service Requests

CityProblem DescriptionResolution
Princeton, FloridaInitially, oven would heat well beyond set temperature. Replaced temperature probe and tested using multimeter, resistance checked out okay. After installing new temperature probe, the oven would continue to heat beyond set point. Most recent attempt to turn oven on resulted in an "F3" error being displayed on board. Any attempts to turn oven on since have resulted in the same "F3" error being displayed.Awaiting receipt of timer
Webberville, MichiganAfter "BAKE TEMP" is pushed and the up arrow is adjusted to a desired set point, the symbol for element energized is seen for a very short time-- no heating takes place.Repaired
Hayes, VirginiaScreen is blank. A service technician diagnosed the problem as a bad timer (there was an electrical storm right before failure)Repaired

Common problems for Frigidaire Range - Electric FEF367CATA Timer Repair

Are you encountering a similar problem as them? Contact us now and we will try to help you fix your FEF367CATA timer-related problem.
oven stopped working.door wheel clicking
lWe had a storm the other night and the power was off for several hours and when the power came back on the control panel on the oven would not work. You could hear the motor running to lock the door for cleaning and it would lock but would not stay locked. The serial # to the oven is VF3241001 and the model# is FEF367CATA.
Friidaire model fef367cata electric oven. Both the broil and bake heat up at the same time and are overheating. thermostat is good, don't see any burnt or broken wires. Any help? Boards?
I have replaced the oven sensor and I still get the F3 error code.
I have a frigidaire smooth top range that needs a new top (it is cracked),model#FEF367CATA, how do I locate one.
I have a Frigidaire self cleaning oven. It has been turning on the cleaning cycle all by itself. It does lock for a short time but does not heat up. When you try to bake it does this. When you do nothing it does this. Any ideas? Helen Model # FEF367CATA
I HAVE A FRIGIDERE range THAT EVERYTIME I TURN MY OVEN ON IT READ OFF CODE F3