Frigidaire Electric Range FEF366CCB Timer Repair

What is the timer/clock part number for the Frigidaire FEF366CCB Electric Range?

Timer part number 316207511 for Frigidaire FEF366CCB

The FEF366CCB Electric Range uses timer part number 316207511.

Do you have a failed Frigidaire FEF366CCB control panel? Click here:

Request Appliance Timer Service

We can repair or replace your faulty Frigidaire FEF366CCB timer.

FEF366CCB are also sometimes referred to using these Alternative Names/Model numbers

Electrolux FEF366CCB Electric Range

FEF366CCB Schematic and Wiring Diagrams

Backguard Parts diagram
FEF366CCB Electric Range Backguard Parts diagram
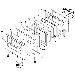
Body Parts diagram
FEF366CCB Electric Range Body Parts diagram
Top/drawer Parts diagram
FEF366CCB Electric Range Top/drawer Parts diagram
Door Parts diagram
FEF366CCB Electric Range Door Parts diagram
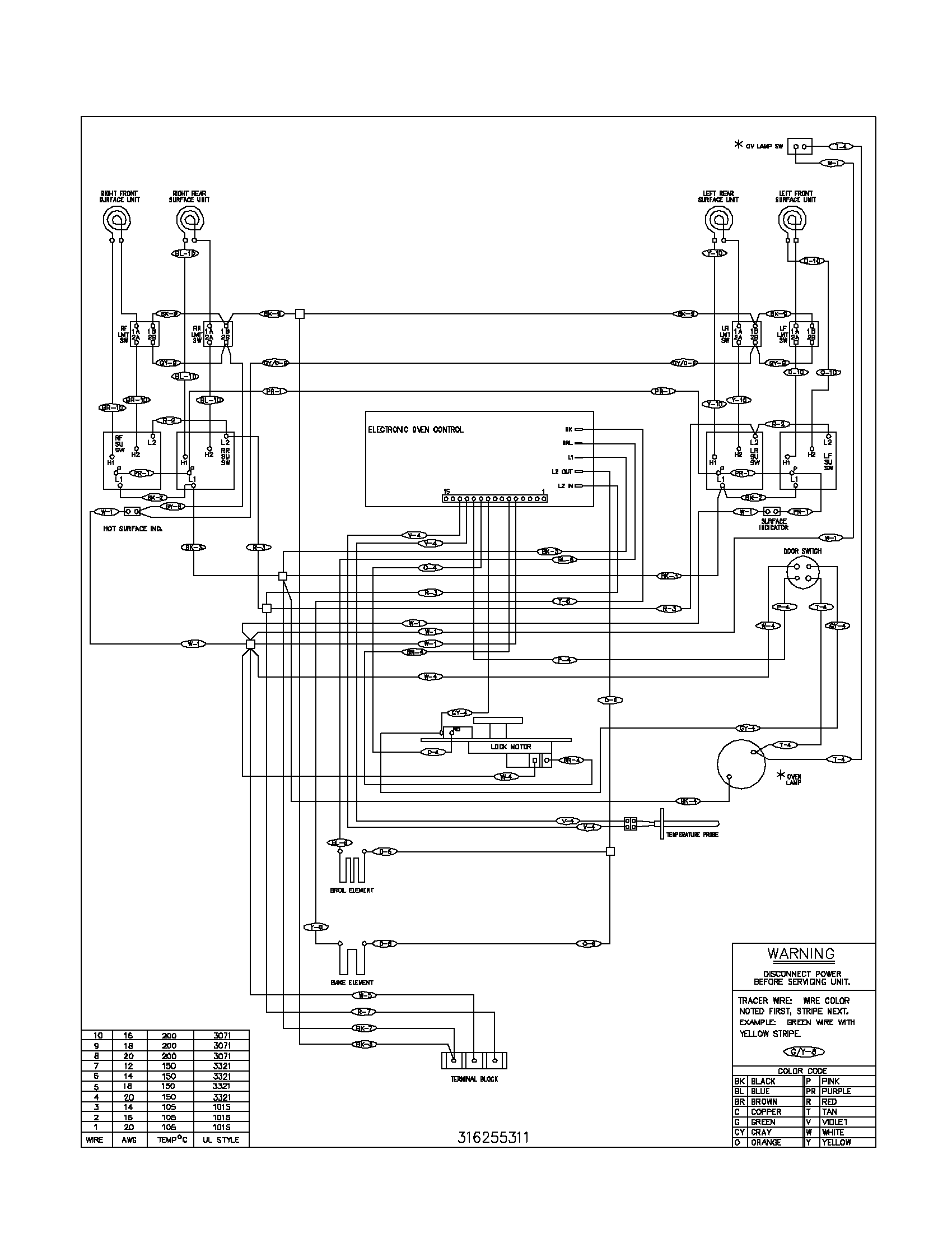
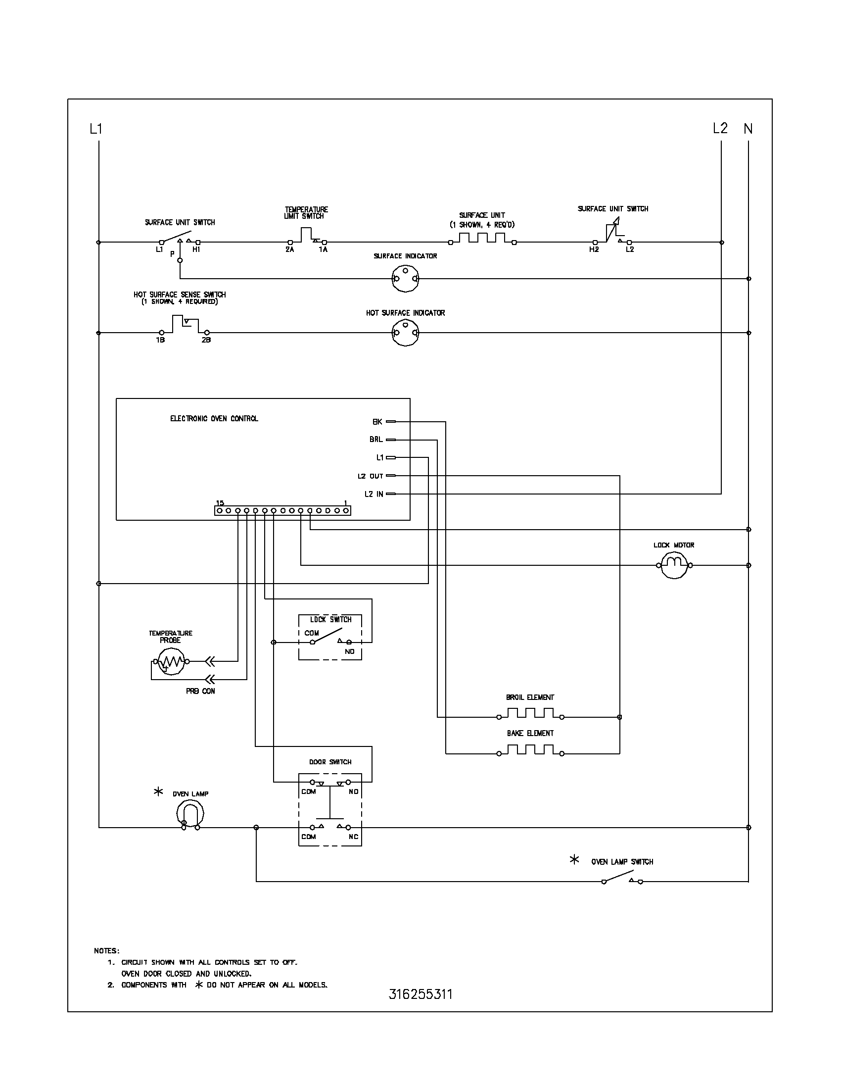
Wiring schematic Parts diagram
FEF366CCB Electric Range Wiring schematic Parts diagram
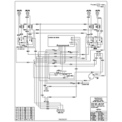
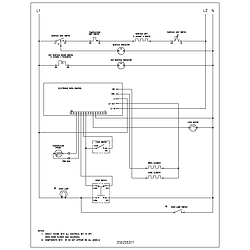
Wiring diagram Parts diagram
FEF366CCB Electric Range Wiring diagram Parts diagram

Recent Service Requests

CityProblem DescriptionResolution
Bellbrook, OhioUnit sparked and blew circuit. Reset circuit, and unit keeps trying to lock oven door, then an alarm.Beyond Repair
fairfield, OhioPop and flash. Everything works but no heat on bake or broil. Inside unit, found burnt and shorter spot behind bake and broil buttons.Awaiting receipt of timer
Garland, TexasI heard a bang in the inner (smaller burner) and a spark. After this the timer and oven is not working anymore but the 4 burners still works.Awaiting receipt of timer
Charlotte, North CarolinaDark.....not responsive to any button pushing. Oven won't work at all.Repaired

Common problems for Frigidaire Electric Range FEF366CCB Timer Repair

Are you encountering a similar problem as them? Contact us now and we will try to help you fix your FEF366CCB timer-related problem.
ES200/300 Oven made a pop noise like a balloon burst. I reset the circuit breaker, range came back on but not the oven. What might this mean?
my oven changed from bake to auto cleaning by itself after loud noise wont come back on it flashes 1200 and f1 beeps continusally
Hi, I was boiling on hi when the oven popped the circuit braker in the house. Resent the braker and now the oven doesn't work. Did I fry the board? Scott
Frigidaire Classic oven, Model # FEF366CCB, F1 error Frigidaire Classic oven, Model # FEF366CCB, having the F1 error. Is there a way to fix without getting serviced or do you have to get a new electronic oven control? Thanks, Joe.
Okay, wierd situation... Upper oven Broil element and Lower oven Bake element quit working within 1 week of each other. Replace both elements and they still are not working. Located the thermal switch and pushed the center button, still not working... could it be the relay board? If so, which one to replace? The one with the transformer, the other or both??? Very discouraged.
My Frigidaire Classic oven, Model # FEF366CCB popped and now it doesn't work, at all...as if there is no power to it, but it IS still plugged in??!!! Is there a way I could check the FUSE and replace it myself?? HELP! Can't afford a new oven??
I have a Frigidaire oven, model FEF366CCB, that does not heat up and the right front burner overheats. Any suggestions on what would cause these?
Recently the bake element flamed/shorted out. I ordered a replacement element and installed it. Here's what I have now: -neither bake nor broiler element heats -oven light works -if I turn on oven at control panel, I hear the relay click open -the cleaning cycle will lock the door -but no heat Took off the rear panels, do not notice anything wrong via visual inspection of connectors or the ECB. What should I be doing to troubleshoot this? I have a multimeter and basic tools, no oven repair experience. I have heard some people talk about the thermostat/hi limit thing being bad could cause this. All help/instructions appreciated. JJ