Frigidaire Electric Range FEF352AUG Timer Repair

What is the timer/clock part number for the Frigidaire FEF352AUG Electric Range?

Timer part number 316557511 for Frigidaire FEF352AUG

The FEF352AUG Electric Range uses timer part number 316557511.

Do you have a failed Frigidaire FEF352AUG control panel? Click here:

Request Appliance Timer Service

We can repair or replace your faulty Frigidaire FEF352AUG timer.

FEF352AUG are also sometimes referred to using these Alternative Names/Model numbers

Electrolux FEF352AUG Electric Range

FEF352AUG Schematic and Wiring Diagrams

Backguard Parts diagram
FEF352AUG Electric Range Backguard Parts diagram
Body Parts diagram
FEF352AUG Electric Range Body Parts diagram
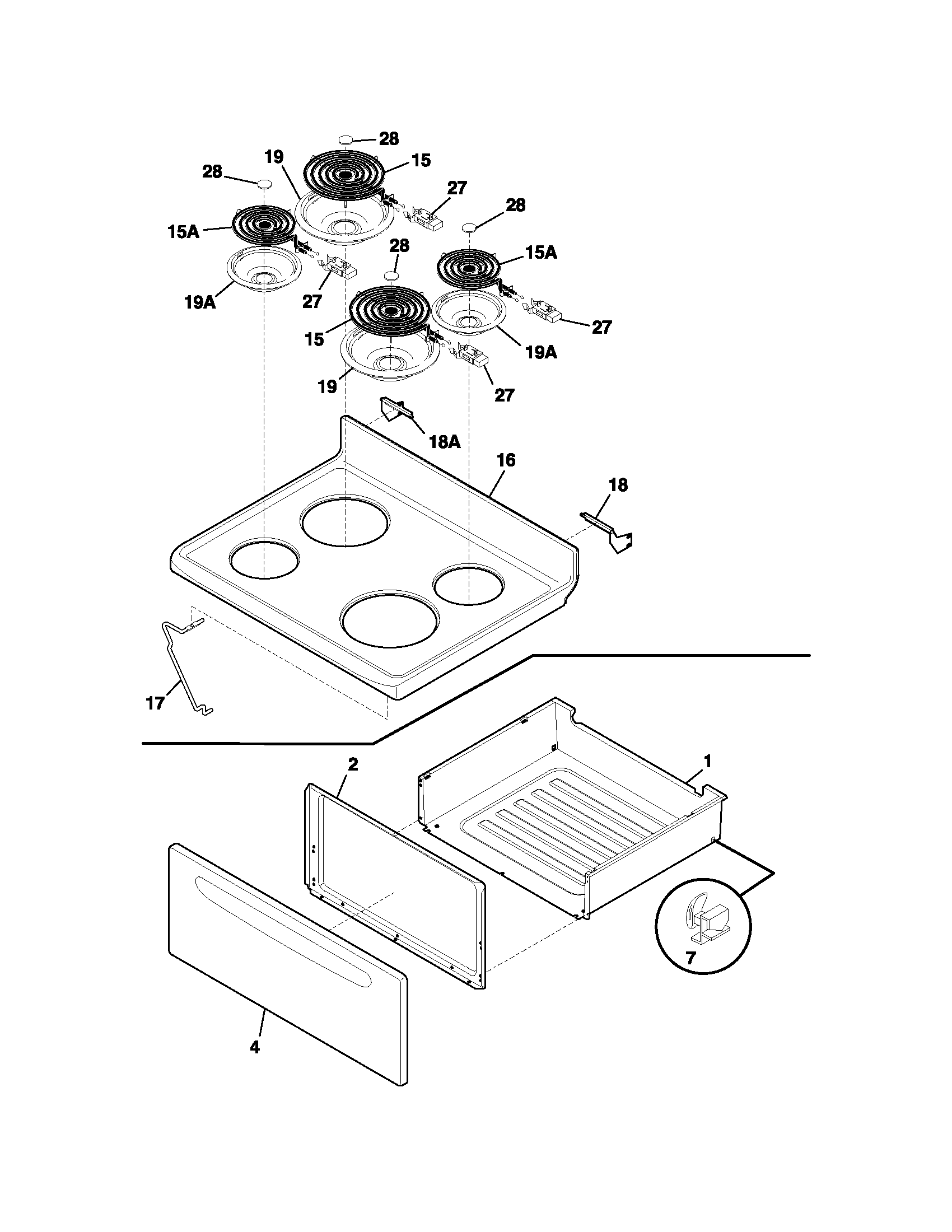
Top/drawer Parts diagram
FEF352AUG Electric Range Top/drawer Parts diagram
Door Parts diagram
FEF352AUG Electric Range Door Parts diagram
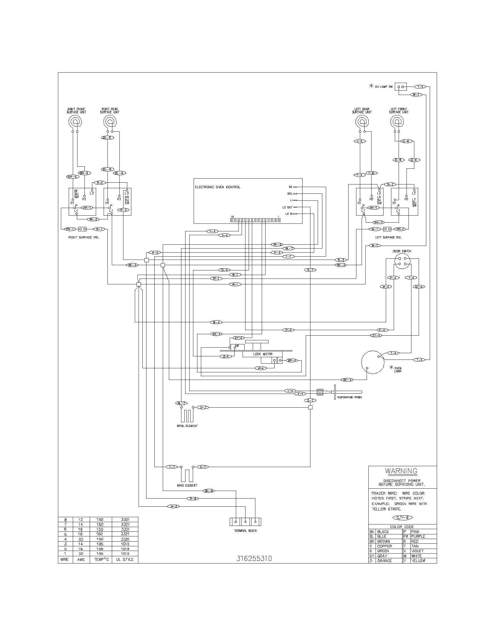
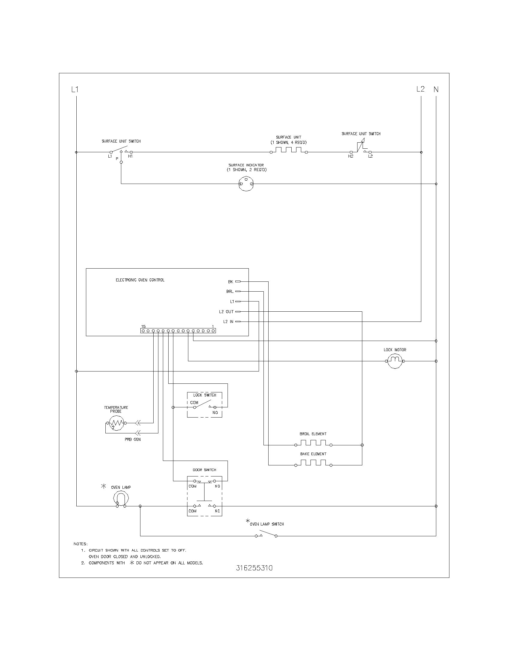
Wiring schematic Parts diagram
FEF352AUG Electric Range Wiring schematic Parts diagram
Wiring diagram Parts diagram
FEF352AUG Electric Range Wiring diagram Parts diagram

Recent Service Requests

CityProblem DescriptionResolution
Camas, WashingtonDoes not display at all -Awaiting receipt of timer
Camas, WashingtonBake and Broil will not work (there was no error code displayed) -Awaiting receipt of timer
Camas, WashingtonDoes not display at all -Awaiting receipt of timer
Camas, WashingtonBake and Broil will not work (there was no error code displayed) -Awaiting receipt of timer
Camas, WashingtonDoes not display at all -Awaiting receipt of timer
Camas, WashingtonBake and Broil will not work (there was no error code displayed) -Awaiting receipt of timer
Camas, WashingtonDoes not display at all -Awaiting receipt of timer
Camas, WashingtonBake and Broil will not work (there was no error code displayed) -Awaiting receipt of timer

Common problems for Frigidaire Electric Range FEF352AUG Timer Repair

Are you encountering a similar problem as them? Contact us now and we will try to help you fix your FEF352AUG timer-related problem.
I HAVE A MODEL FEF352AUG oven AND THE BAKE ELEMENT IS NOT WORKING. MY QUESTION IS HOW DO YOU REPLACE THE ELEMENT.