Maytag CWE9030BCB Timer Repair

What is the timer/clock part number for the Maytag CWE9030BCB Range?

Timer part number 74001787 for Maytag CWE9030BCB

The CWE9030BCB Range uses timer part number 74001787.

Do you have a failed Maytag CWE9030BCB control panel? Click here:

Request Appliance Timer Service

We can repair or replace your faulty Maytag CWE9030BCB timer.

CWE9030BCB are also sometimes referred to using these Alternative Names/Model numbers

Whirlpool CWE9030BCB Range

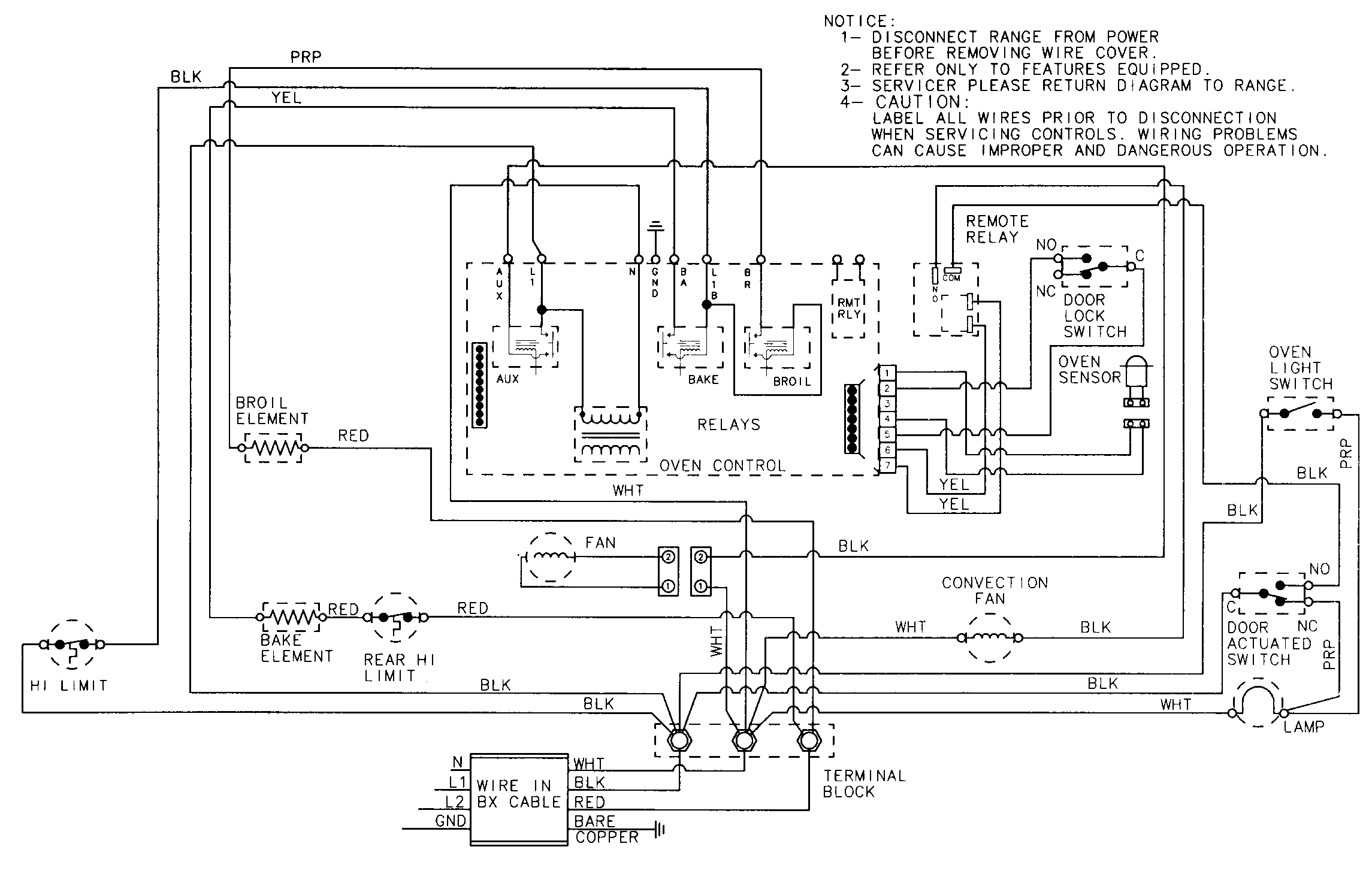
CWE9030BCB Schematic and Wiring Diagrams

Control panel Parts diagram
CWE9030BCB Range Control panel Parts diagram
Internal controls Parts diagram
CWE9030BCB Range Internal controls Parts diagram
Body Parts diagram
CWE9030BCB Range Body Parts diagram
Oven Parts diagram
CWE9030BCB Range Oven Parts diagram
Door Parts diagram
CWE9030BCB Range Door Parts diagram
Wiring information Parts diagram
CWE9030BCB Range Wiring information Parts diagram
Door (ser. pre. 11) Parts diagram
CWE9030BCB Range Door (ser. pre. 11) Parts diagram

Recent Service Requests

CityProblem DescriptionResolution
La Honda, CaliforniaF7 error code so had control board rebuilt. had same problem 4 years ago and that fixed problem. Did not fix problem this time. Oven beeps and displays error code F7. beeping stops when I disconnect ribbon to control panel. Sears repair said oven okay if continued need to replace control board which is no-longer avail.
thx-
Awaiting receipt of timer
Mountainair, New MexicolIGHTNING STRUCK AND BURNED OUT THE TIMER. CAN SEE PHYSICAL SIGNS OF THE TIMER BEING BURNED OUT. NEED A REPLACEMENT TIMERAwaiting receipt of timer

Common problems for Maytag CWE9030BCB Timer Repair

Are you encountering a similar problem as them? Contact us now and we will try to help you fix your CWE9030BCB timer-related problem.
My main burner element had a weak spot and burned through one day last week, and when it happened I think it shorted out my control panel as it went blank. I've replaced the main element - but when I turn the power back on the panel is still blank except for a few -- ---'s and none of the touchpad controls do anything. The fan runs though constantly - which is also why I think the control panel must have overloaded as it's still telling the fan the oven is on. I'm not sure of anything else to do other than replace the panel. You show it as part # AP 382974. Does this dagnosis sound right to you?
I GET ERROR CODE F7, MAYTAG CWE9030BCB
Replacing a 30 inch wall oven - I am replacing a 30 Maytag wall oven with a 30 inch GE walloven. Problem is the cutout for the GE is is 1.25 inches smaller than the existing cutout (29 3/4 x 27 3/4) instead of (28 1/2 x 27 1/4). Question is can I get trim to surround to cover the gap, and are there any other problems with having this gap?GE 30 inch wall oven JTP70BMBB replacing Maytag CWE9030BCB
Maytag CWE9030BCB.....15 yrs old. Electric heating element stopped working in the oven. Wife said she saw one part of it glow cherry red then no work. Now when attempting to use the oven....it will heat up very slowly to only 180 when set on 350. Can I assume the element itself is in need of replacement? THANK YOU!!
I have a Maytag under the counter convection oven Model CWE9030BCB. The clock control panel continues to beep and flash an F-7 message. I pushed cancel and it stops for a minute and begins again. I reset the breaker and it stopped for an hour before the message and beep started again. What is my problem and how do I solved it. Thanks in advance for your help. Don