Maytag CWE9000ACE Timer Repair

What is the timer/clock part number for the Maytag CWE9000ACE Range?

Timer part number ERC-4713-11 for Maytag CWE9000ACE

The CWE9000ACE Range uses timer part number ERC-4713-11.

Do you have a failed Maytag CWE9000ACE control panel? Click here:

Request Appliance Timer Service

We can repair or replace your faulty Maytag CWE9000ACE timer.

CWE9000ACE are also sometimes referred to using these Alternative Names/Model numbers

Whirlpool CWE9000ACE Range, CWE9000BCB, CWE9000DDB, CWE9000CDB, CWE9000BCM, CWE9000BDB

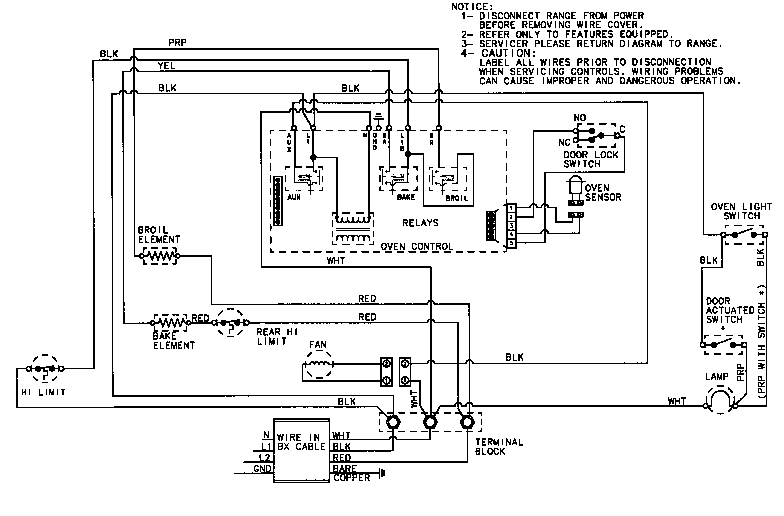
CWE9000ACE Schematic and Wiring Diagrams

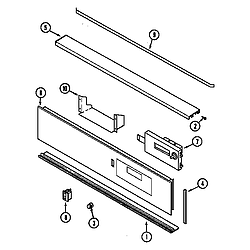
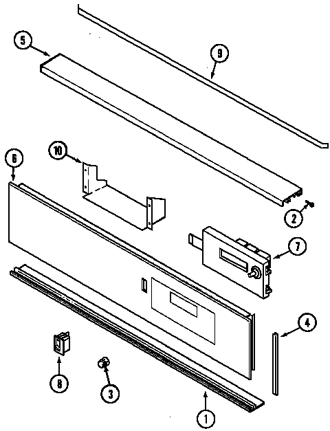
Control panel (cwe9000bcb) (cwe9000bce) (cwe9000bdb) (cwe9000bde) Parts diagram
CWE9000ACE Range Control panel (cwe9000bcb) (cwe9000bce) (cwe9000bdb) (cwe9000bde) Parts diagram
Control panel (cwe9000bcm) (cwe9000bcm) Parts diagram
CWE9000ACE Range Control panel (cwe9000bcm) (cwe9000bcm) Parts diagram
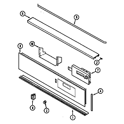
Internal controls (cwe9000bcb) (cwe9000bce) (cwe9000bdb) (cwe9000bde) Parts diagram
CWE9000ACE Range Internal controls (cwe9000bcb) (cwe9000bce) (cwe9000bdb) (cwe9000bde) Parts diagram
Internal controls (cwe9000bcm) (cwe9000bcm) Parts diagram
CWE9000ACE Range Internal controls (cwe9000bcm) (cwe9000bcm) Parts diagram
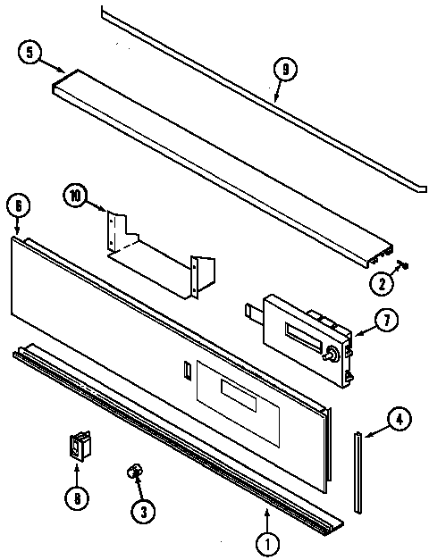
Body (cwe9000bcb) (cwe9000bce) (cwe9000bdb) (cwe9000bde) Parts diagram
CWE9000ACE Range Body (cwe9000bcb) (cwe9000bce) (cwe9000bdb) (cwe9000bde) Parts diagram
Body (cwe9000bcm) (cwe9000bcm) Parts diagram
CWE9000ACE Range Body (cwe9000bcm) (cwe9000bcm) Parts diagram
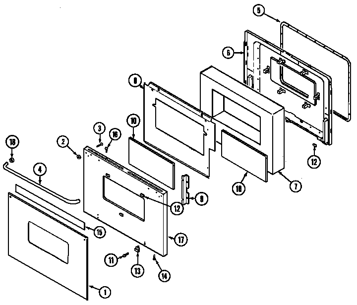
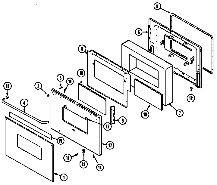
Oven (cwe9000bcb) (cwe9000bce) (cwe9000bdb) (cwe9000bde) Parts diagram
CWE9000ACE Range Oven (cwe9000bcb) (cwe9000bce) (cwe9000bdb) (cwe9000bde) Parts diagram
Oven (cwe9000bcm) (cwe9000bcm) Parts diagram
CWE9000ACE Range Oven (cwe9000bcm) (cwe9000bcm) Parts diagram
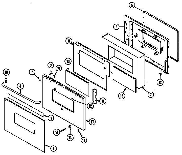
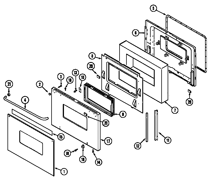
Door (cwe9000bcb) (cwe9000bce) (cwe9000bdb) (cwe9000bde) Parts diagram
CWE9000ACE Range Door (cwe9000bcb) (cwe9000bce) (cwe9000bdb) (cwe9000bde) Parts diagram
Door (cwe9000bc* ser. pre. 17) (cwe9000bcb) (cwe9000bce) Parts diagram
CWE9000ACE Range Door (cwe9000bc* ser. pre. 17) (cwe9000bcb) (cwe9000bce) Parts diagram
Door (cwe9000bd* ser. pre. 18) (cwe9000bdb) (cwe9000bde) Parts diagram
CWE9000ACE Range Door (cwe9000bd* ser. pre. 18) (cwe9000bdb) (cwe9000bde) Parts diagram
Door (cwe9000bcm) (cwe9000bcm) Parts diagram
CWE9000ACE Range Door (cwe9000bcm) (cwe9000bcm) Parts diagram
Wiring information (cwe9000bcm) Parts diagram
CWE9000ACE Range Wiring information (cwe9000bcm) Parts diagram

Recent Service Requests

CityProblem DescriptionResolution
Eau Claire, Wisconsinoven will not go to full temperature, cooling fan comes on intermittently on its own.Repaired
Eau Claire, WisconsinOven won't go to full temp , cooling fan will come on by itselfRepaired
Wasilla, AlaskaFan is on all the time . Broiler works . Oven not workingAwaiting receipt of timer
Big Spring, TexasTemp is off 150 to 200 degrees.Repaired
Clovis, CaliforniaOVEN HEATS TO 275+/- THEN STOPS HEATING.
BROILER HEATS FULL ON.
CLOCK WORKS
COOLING FAN RECENTLY WENT ON BY ITSELF WHEN OVEN IS NOT ON OR HOT.
Repaired
Oklahoma City, OklahomaOven heats to approx 200 degrees then stops heating no matter what the setting.Repaired
Folsom, CaliforniaThe Potter & Brumfield relay T90H1D12-24-18 on the control panel for the lower heating element is not energizing.Beyond Repair
seattle, WashingtonOven heats to only about 60% of selected temperature. Replacing sensor did not change anything. Tried self clean and got F3 code (runaway oven?)Repaired
Chardon, OhioMy oven has the same problem as this that I saw on your website, I also replaced the temperature probe: Built in electric wall oven will not come up to temp ,installed new sensor to verify that it was not sensor .oven running apx 150 degree off (set for 350 will go to 225 may be 250) also ck element and connections. no fault code on display.every thing seems normal except tempRepaired
seattle, WashingtonWe just got this timer back from you and installed it today. I noticed right away that the touch controls had no spring to them, they did not click in and out when pressed. We wired it up anyway and now get a beeping F1 error code and of course nothing works. It will momentarily give us a time readout if I hit the cancel button but it soon goes back to beeping. This is your invoice #101803Awaiting receipt of timer
Lakeview, ArkansasOven will not come up to Temp apx !00 degrees off . i have replaced the sensor. have the same results .also I ck wiring on oven. elements ck good voltage to oven good.
Every thing else seemed to function okay but please ck it out
Thank you Les
Repaired

Common problems for Maytag CWE9000ACE Timer Repair

Are you encountering a similar problem as them? Contact us now and we will try to help you fix your CWE9000ACE timer-related problem.
I have an electric wall oven model CWE9000ACE and none of the buttons are responding when I press them. The power is on and the clock is illuminated and keeping correct time. The cancel button beeps when I press it but nothing else responds or makes and sound when pressed. Any thoughts?
I have a 1994 Maytag wall oven (Model CWE9000ACE). Recently, it has not cooked very well as it seems the temp is not hot enough even though the display says it is. Food is not being done when it should be. Time to replace or can this be fixed w/o too much cost?
my maytag oven displays in the window F2 and beeps every few minutes very loudly and and it feels like cool air is comming out of the oven
dbl circuit not getting electricity. why? is this a control panel problem or an oven sensor? or something else.
My Crosley CW6000w washer shakes allot during the spin cycle, even with a small/medium size load. It never reaches full RPM so it leaves the clothes wetter than it used to. During the spin cycle, the tub always appears to be out of balance. With a heavy load, the tub move so much that it seems to be banging against the cabinet. The machine sits level on a concrete floor. When the spin cycle starts, the tub turns slowly, as if a clutch is slipping, and makes a slight roaring sound. The roaring sound goes away once the tub starts spinning at a medium pace. What parts are most likely to be causing the out of balance spinning and the slower than required RPM? The snubber & springs? I'm also looking for a site to download a service manual for this model but have not found it. HISTORICAL INFO (that may or may not be relevant): A few years ago, I had a problem where the water wasn't completely spinning out. I notice a lot of white plastic shavings under the machine and assumed they were from
30 inch maytag wall oven model #cwe9000ace actual temperature is lower and inconsistant with the temperature selected
Upper oven will not cook. When "cook time" or "broil" or "oven temp" buttons are pushed "door" shows up in the display and the oven will not turn on. I have reset the breaker(left off overnight), didled with the door latch mechanism, and messed with a micro switch that seems to work with the door latch, but still will not cook. The self clean cycle will work. The clock works. The bottom oven works. I took the control panel out and did not see any loose circuits. I took the door off and reinstalled with no change. Any ideas on what could be wrong?
Hello, My washer wil fill with water and will attempt to start the agitate cycle. I removed belt and checked transmision which is fine. with the belt removed the motor will start then imediately stop. No contact on the motor ohms to ground all seems fine on it. Now im familiar with hvac and refrigeration but never have seen much action on washer clocks and motors. The washer will spin out just fine. This does not seem like motor protection causing the issue but i may be wrong. Any help to light my way is greatly apreciated
I know this may seem like an obvious time to replace an over, but I'd like to try and find a replacement part (listed as not available online) for my Maytag oven. The oven itself still looks and performs like it's brand new, but the control panel has been behaving rangenly lately. Every now and then it just beeps and flashes the cook time set or time set controls. Between times it operates fine and I'm able to set the oven temperature and it heats up with no problem. But on a couple of occasions I would hit the temperature set button and nothing would happen, I wasn't able to set the temperature. Before that condition is permanent, I'd like to find out if there is anywhere out there online where old parts (as-is or reconditioned are available). I'd rather keep this one going because it's still in mint condition and am a bit freaked out at the idea of trying to find another oven that will fit into the existing cut out and not make for a horrible cut/paste/patch experience. Sure it's kin
The F1 code comes on plus a beeping
Original problem was that when bake temp button pushed, oven begins to warm up (starts at 100 degrees) but after a few seconds oven turns off. Recommendation was to replace temp sensor which I did. Problem is still the same, except that if I repeat hitting the bake temp button before it turns off, I the oven evently gets to 105 temp and stays on until it reaches desired temp. At this point oven works fine and can set all clocks and reset temp. When I finally turn off by hitting cancel, oven beeps a few times and a code appears on digital readout the code is F-1 Need assistance