Maytag CWE7800ACE Timer Repair

What is the timer/clock part number for the Maytag CWE7800ACE Range?

Timer part number 71002123 for Maytag CWE7800ACE

The CWE7800ACE Range uses timer part number 71002123.

Do you have a failed Maytag CWE7800ACE control panel? Click here:

Request Appliance Timer Service

We can repair or replace your faulty Maytag CWE7800ACE timer.

CWE7800ACE are also sometimes referred to using these Alternative Names/Model numbers

Whirlpool CWE7800ACE Range

CWE7800ACE Schematic and Wiring Diagrams

Control panel Parts diagram
CWE7800ACE Range Control panel Parts diagram
Body Parts diagram
CWE7800ACE Range Body Parts diagram
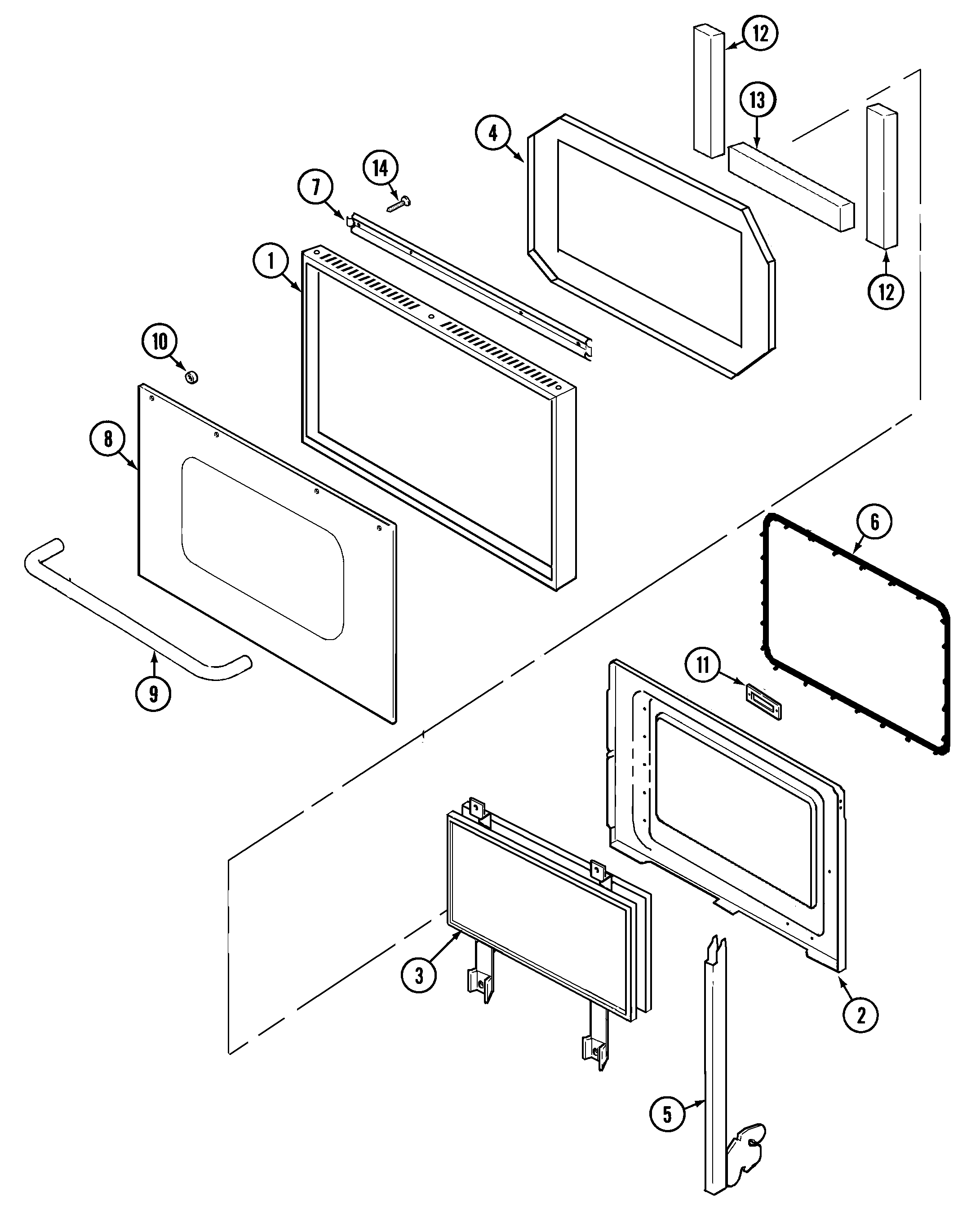
Door Parts diagram
CWE7800ACE Range Door Parts diagram
Internal controls Parts diagram
CWE7800ACE Range Internal controls Parts diagram
Oven Parts diagram
CWE7800ACE Range Oven Parts diagram
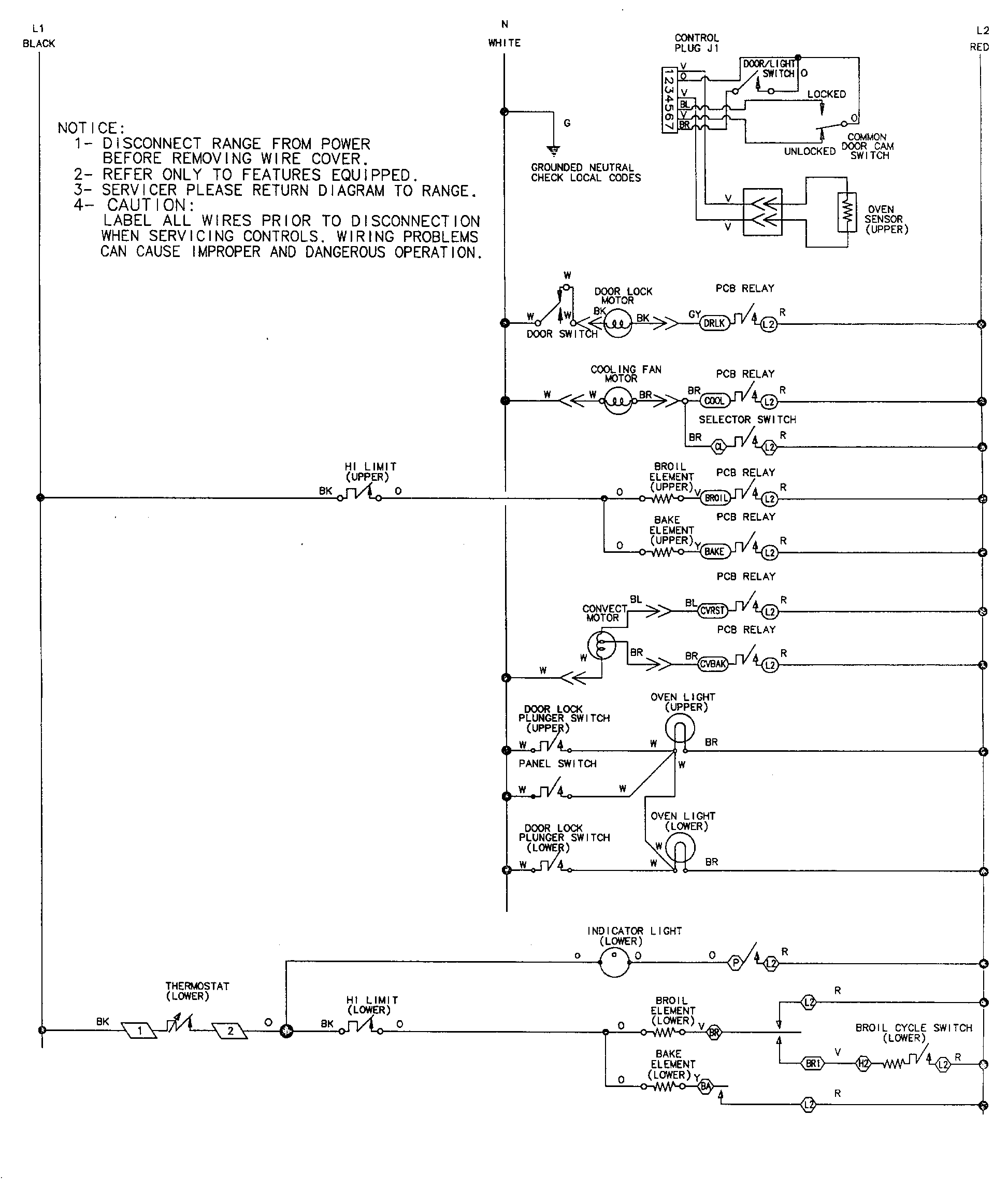
Wiring information Parts diagram
CWE7800ACE Range Wiring information Parts diagram

Recent Service Requests

CityProblem DescriptionResolution
San Jose, Californiaarrow "up" button broken. believe plastic button piece has broken off. sending the broken piece.Repaired
HUNTSVILLE, AlabamaTIMER BUZZES CONSTANTLYRepaired

Common problems for Maytag CWE7800ACE Timer Repair

Are you encountering a similar problem as them? Contact us now and we will try to help you fix your CWE7800ACE timer-related problem.
We have a Maytag double oven Model CWE5800ACE. The top door won't "catch" anymore when lowered about 25 percent. I believe too much weight was put on it when we put a large turkey in the oven.
A new problem with same Maytag double oven (CWE5800ACE). After a self clean, which looks like it successfully completed based on the ash in the oven, the control panel is flashing F2, beeping and the fan is running. Oven light works fine. Hitting 'cancel' will stop the beeping and clear the code for a while, but it starts again after several seconds. The lower oven seems to work (elements heat up). Moving the oven lock lever seems to no have effect. Cutting the circuit breaker stops the error and beeping but only for a while or any command causes it to error again. Based on the F2 code, I replaced the control board, but same error code. I tested the oven sensor and am getting approx. 1100 ohms. Once I was able to reset the error code, stop the beeping, set the oven temp to 400 and the coil heated, but it seemed to reach temperature very quickly (I doubt it was 400) and the error came back. I haven't tested the high temp switch.
I have Maytag 24" double oven modle #CWE5800ACE and the broiler has gone out.
I'm trying to replace the 40 watt oven light in a model CWE5800ACE. The manual says in self cleaning units (which this is) remove the 4 screws and plates as shown. The only sketch shows a bulb shield (with left-handed threads). No screws and no plates. When I attempt to unscrew the shield (either clockwise or counterclockwise) there are a couple of degrees of rodation (very loose) but then I encounter a hard stop. I'm concerned about breaking the shield or whatever it is mounted into. What do you recommend?
I have a Maytag double oven, electric. Neither top elements (bake and broil) work. Power is good out of hi-temp switch and out of control panel to coils. Lower oven works fine. Can both heating coils be bad (broil seldom if ever used - it may have been out for years) or is it the sensor in the upper oven that connects to the control panel. WHich do I switch out first? Model numbe cwe5800ace.
The small fan in the control panel of my Maytag CWE5800ACE oven runs all the time. It used to come on when the oven did, and stop when the oven cooled down. I suspect there is a stuck thermostat. What should I co
Light bulb in oven goes out when turning on oven. Model CWE5800ACE, SN- 15651972SM.