Bosch Electric Wall Oven CT227N Timer Repair

What is the timer/clock part number for the Bosch CT227N Electric Wall Oven?

Timer part number 3500304 for Bosch CT227N

The CT227N Electric Wall Oven uses timer part number 3500304.

Do you have a failed Bosch CT227N control panel? Click here:

Request Appliance Timer Service

We can repair or replace your faulty Bosch CT227N timer.

CT227N Schematic and Wiring Diagrams

Front frame Parts diagram
CT227N Electric Wall Oven Front frame Parts diagram
Removable oven Parts diagram
CT227N Electric Wall Oven Removable oven Parts diagram
Control panel Parts diagram
CT227N Electric Wall Oven Control panel Parts diagram
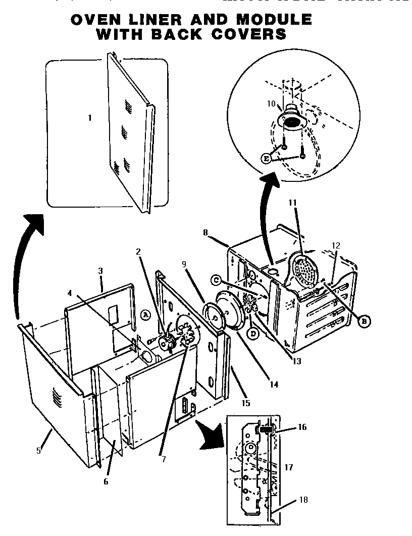
Oven liner Parts diagram
CT227N Electric Wall Oven Oven liner Parts diagram
Deflector bracket detail Parts diagram
CT227N Electric Wall Oven Deflector bracket detail Parts diagram
Latch assembly Parts diagram
CT227N Electric Wall Oven Latch assembly Parts diagram
Plenum assembly Parts diagram
CT227N Electric Wall Oven Plenum assembly Parts diagram
Oven door Parts diagram
CT227N Electric Wall Oven Oven door Parts diagram
Insulation kit Parts diagram
CT227N Electric Wall Oven Insulation kit Parts diagram
Stainless steel door assembly Parts diagram
CT227N Electric Wall Oven Stainless steel door assembly Parts diagram
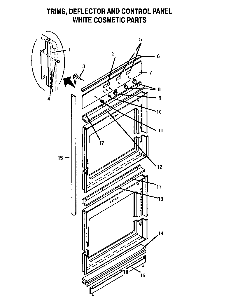
Trims, deflector and control panel Parts diagram
CT227N Electric Wall Oven Trims, deflector and control panel Parts diagram
White door assembly Parts diagram
CT227N Electric Wall Oven White door assembly Parts diagram
Trims,deflector and control panel Parts diagram
CT227N Electric Wall Oven Trims,deflector and control panel Parts diagram
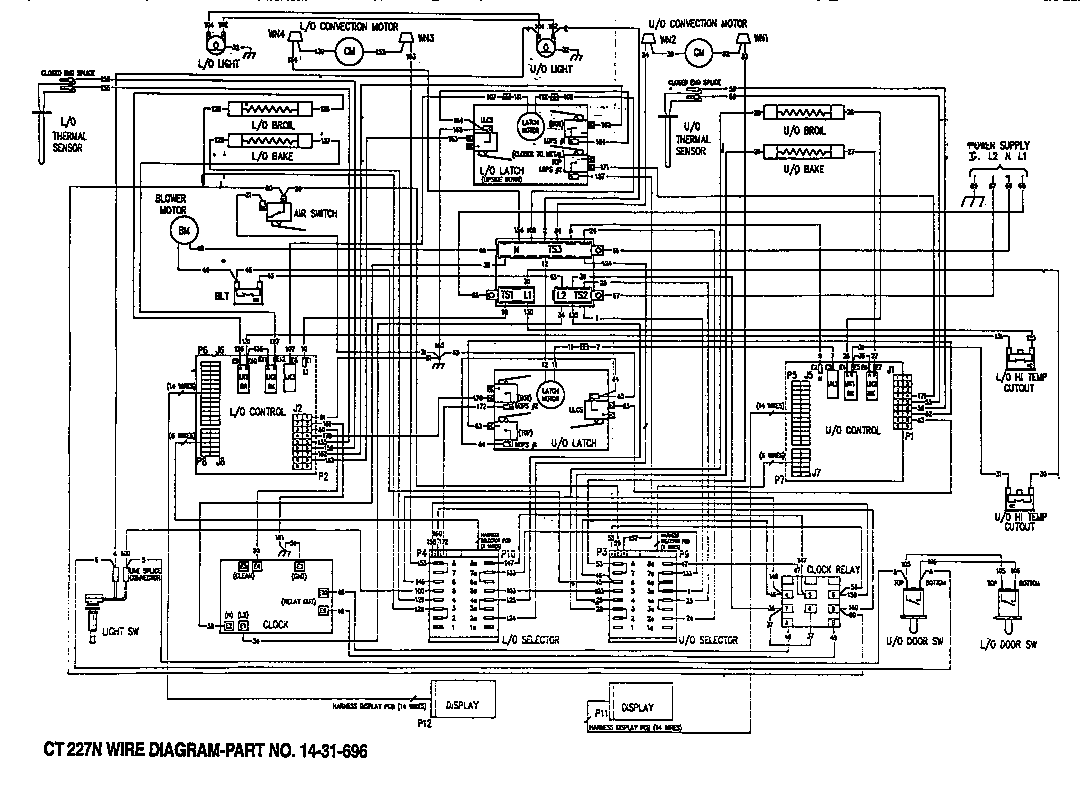
Wiring Parts diagram
CT227N Electric Wall Oven Wiring Parts diagram

Recent Service Requests

CityProblem DescriptionResolution
CAMPBELL, CaliforniaTimer difficult to turn, several knobs have broken.Awaiting receipt of timer
Del Mar, CaliforniaNo heat, Upper door locked, fan on, beeping, F5 error - All constant if breaker is turned on.Awaiting receipt of timer
CHILLICOTHE, Ohiotimer flashing e10Beyond Repair
CHILLICOTHE, Ohiotimer flashing e10Beyond Repair
chillicothe, OhiodeadBeyond Repair
Fremont, CaliforniaThe oven only barely warms. Display doesn't say "Heat" when it is warming.Awaiting receipt of timer

Common problems for Bosch Electric Wall Oven CT227N Timer Repair

Are you encountering a similar problem as them? Contact us now and we will try to help you fix your CT227N timer-related problem.
Exterior glass shattered-cannot locate replacement on any website-Thermador CT227N ,,,The company says the part is obsolete. Is there a way to have replacement glass made?
Hi, I have a double convection unit ct 230 prs from 1998 The two displays on the right hand side ( for the upper and lower oven) are blank, one displays "OFF" all the time. The time/control panel is fine on the unit's left hand side. The unit seems to be functional otherwise. Any ideas? Felix
I have a Crosley Refrigerator Model CT18AKXKQ01. It says it was build 06/06. In the past few days the freezer has stopped being cold enough to freeze anything. Icecream is melting, and the meat is actually thawing out. However, it is constantly blowing air in the back, it's just not that cold. The fridge part is warmer than usual as well. I thought that it might be the relay from reading other posts, what do you think? I have also tried looking for diagrams but I can't seem to find one for this exact model to show me what the relay should look like. Any advice? -thindery
one of the fans in our Thermador double ovens CT227N is making a rather loud noise. The fan blades not not hitting anything. We think the fan is shot. Can we get another fan assembly and can we replace it ourselves? We have a similar problem with our rangetop exhaust fan.
I need to reset the clock on my Thermador CT227N wall oven
I have a Thermador ct227n. Over the last several months the heating elements fail to activate reliably. Sometimes resetting it with the circuit breaker gets it working. All other features apper to work properly and I have no error codes. I saw a similar post from Dec 27 and thought you couls help. Today I disassembled all of the boards and connectors and cleaned them. After reassembly it seemed fine and worked perfectly for a few hours. Now it has the same failure. I was told by Thermador that the parts are no longer available. Is ther anyone that can service the control board/control panel? Or can you advise something else I should try?
The fan on my Thermador CT227N double wall oven runs constantly. I have the unit open and am trying to determine if it is the circuit board, thermal switch or clock relay before I remove the circuit board and send it out for repair. ANy suggestions ?
I have a Thermadore Double Oven Model # XXXXX The front glass on the bottom oven was broken in moving . It is the large outer glass not the interior glass. I was told Bosch has disconnected this part . Do you know what I can do to replace the glass since the ovens are fine.
Hi, I have a Thermador electric double oven model CT227N made in '95. I had both ovens on yesterday and the bottom one displayed an Error 2. I turned that one off and continued using the top oven without a problem. A few hours later, I turned just the top oven on to bake something and after a while I got an Error 3 on the display. The Error 3 is still on the display. A few weeks ago I had the ovens repaired because the ovens shut off after a self-cleaning cycle (the oven was not properly venting and it got too hot. The tech said the shut off was a safety feature). After they fixed it, they changed the venting system to vent into the room (from the bottom vent) rather than through the unsafe, not to code venting duct. Can this oven be fixed or should I be shopping for a new one?
Is their a suggested source for repair parts of Thermador CT227N Oven? My local Dallas parts supplier Alltex Parker lists display part (1431694) as discontinued. Our big complaint has been the dim oven displays. The main control board and displays have been replaced three times We must turn out the room lights to see one display and the other is inpossible. I am thinking that the controller boards oscillators need to be slower for a better display.