Maytag Electric Range CRE9830CDE Timer Repair

What is the timer/clock part number for the Maytag CRE9830CDE Electric Range?

Timer part number 74001995 for Maytag CRE9830CDE

The CRE9830CDE Electric Range uses timer part number 74001995.

Do you have a failed Maytag CRE9830CDE control panel? Click here:

Request Appliance Timer Service

We can repair or replace your faulty Maytag CRE9830CDE timer.

CRE9830CDE are also sometimes referred to using these Alternative Names/Model numbers

Whirlpool CRE9830CDE Electric Range

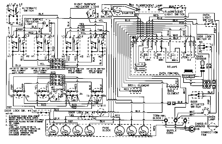
CRE9830CDE Schematic and Wiring Diagrams

Control panel Parts diagram
CRE9830CDE Electric Range Control panel Parts diagram
Top assembly Parts diagram
CRE9830CDE Electric Range Top assembly Parts diagram
Body Parts diagram
CRE9830CDE Electric Range Body Parts diagram
Oven/base Parts diagram
CRE9830CDE Electric Range Oven/base Parts diagram
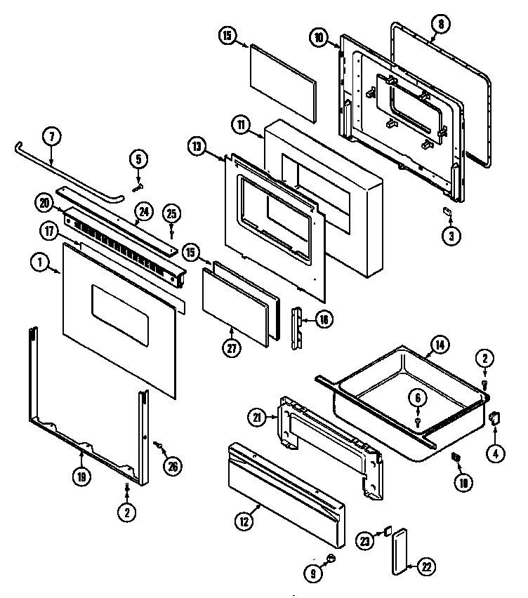
D00r/drawer (ser. pre. 10) Parts diagram
CRE9830CDE Electric Range D00r/drawer (ser. pre. 10) Parts diagram
Door/drawer (ser. pre. 12) Parts diagram
CRE9830CDE Electric Range Door/drawer (ser. pre. 12) Parts diagram
Wiring information Parts diagram
CRE9830CDE Electric Range Wiring information Parts diagram

Recent Service Requests

CityProblem DescriptionResolution
Grande Prairie, Albertathe Up arrow on the "set" temperature control touchpad does not workAwaiting receipt of timer
Halifax, Nova ScotiaOven would not work. Replaced oven sensor, oven would work for 5 minutes then get an error code F2. Other times, oven nor stove stop wouldn't be in use, and while sitting in the kitchen, error code F4 would start making noise.Repaired
LA BAIE, QuébecNE FAIT RIENAwaiting receipt of timer