Maytag CRE9800ACB Timer Repair

What is the timer/clock part number for the Maytag CRE9800ACB Range?

Timer part number 7601P224-60 for Maytag CRE9800ACB

The CRE9800ACB Range uses timer part number 7601P224-60.

Do you have a failed Maytag CRE9800ACB control panel? Click here:

Request Appliance Timer Service

We can repair or replace your faulty Maytag CRE9800ACB timer.

CRE9800ACB are also sometimes referred to using these Alternative Names/Model numbers

Whirlpool CRE9800ACB Range

CRE9800ACB Schematic and Wiring Diagrams

Control panel Parts diagram
CRE9800ACB Range Control panel Parts diagram
Top assembly (cre9700ac*) (cre9700acb) (cre9700ace) Parts diagram
CRE9800ACB Range Top assembly (cre9700ac*) (cre9700acb) (cre9700ace) Parts diagram
Top assembly (cre9800ac*) (cre9800acb) (cre9800ace) Parts diagram
CRE9800ACB Range Top assembly (cre9800ac*) (cre9800acb) (cre9800ace) Parts diagram
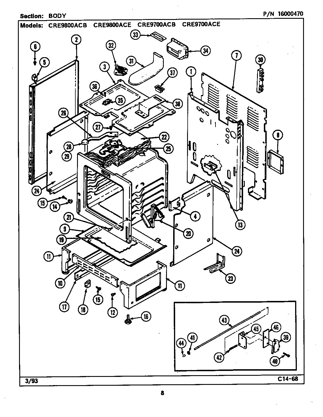
Body Parts diagram
CRE9800ACB Range Body Parts diagram
Oven Parts diagram
CRE9800ACB Range Oven Parts diagram
Door/drawer Parts diagram
CRE9800ACB Range Door/drawer Parts diagram

Common problems for Maytag CRE9800ACB Timer Repair

Are you encountering a similar problem as them? Contact us now and we will try to help you fix your CRE9800ACB timer-related problem.
MAYTAG ELECTRIC oven MODEL CRE9800ACB HAS LOUD BUZZER CONSTANT AND DISPLAY READS F1