Maytag CRE9600ACL Timer Repair

What is the timer/clock part number for the Maytag CRE9600ACL Range?

Timer part number 7601P224-60 for Maytag CRE9600ACL

The CRE9600ACL Range uses timer part number 7601P224-60.

Do you have a failed Maytag CRE9600ACL control panel? Click here:

Request Appliance Timer Service

We can repair or replace your faulty Maytag CRE9600ACL timer.

CRE9600ACL are also sometimes referred to using these Alternative Names/Model numbers

Whirlpool CRE9600ACL Range

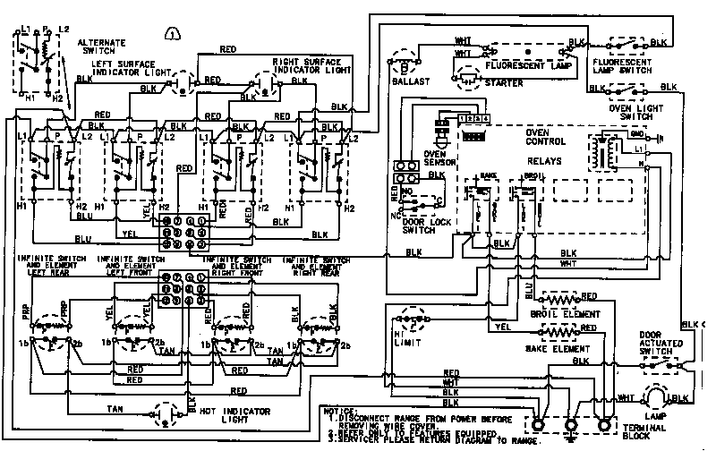
CRE9600ACL Schematic and Wiring Diagrams

Control panel Parts diagram
CRE9600ACL Range Control panel Parts diagram
Top assembly Parts diagram
CRE9600ACL Range Top assembly Parts diagram
Body Parts diagram
CRE9600ACL Range Body Parts diagram
Oven/base Parts diagram
CRE9600ACL Range Oven/base Parts diagram
Door/drawer Parts diagram
CRE9600ACL Range Door/drawer Parts diagram
Wiring information Parts diagram
CRE9600ACL Range Wiring information Parts diagram

Recent Service Requests

CityProblem DescriptionResolution
West Hazleton, PennsylvaniaOven will not get to pre-set temperature/ shuts off & sets F-5 trouble code.Repaired
West Hazleton, PennsylvaniaOven will not get to pre-set temperature/ shuts off & sets F-5 trouble code.Repaired
Thornton, ColoradoOven doesn't heat above 150 degrees but indicates higher. Or goes to full heat but indicates lower.Awaiting receipt of timer
Newark, Delawareoven temp function does not display or works intermittantlyAwaiting receipt of timer
Wappingers Falls, New YorkIntermittantly fails with fault code F2 (sometimes F3 if over in use). Some failures when range in use, some when not. Replaced oven temp sensor, checked wires from sensor to board (OK),Repaired
Tempe, ArizonaAfter setting oven to desired temp, oven shows 190 deg temp right away. Oven never actually achieves desired temp, but display shows it does.Replaced with reconditioned timer
ABILENE, TexasOven baking element is shut off before oven gets to selected temperature.Awaiting receipt of timer
Yardley, PennsylvaniaI'll be in Ontario 11/3 and 11/4. I would like to pick up the repaired clock then. Thank you RussRepaired
Doylestown, PennsylvaniaThe oven temp is about 200 deg (F) cooler than what the setting statesRepaired
Mesa, ArizonaOven temperature is about 150 degrees too low. Temperature probe inside oven checks out OK.Repaired
Clinton Township, MichiganOven temperature fluxuates widely. example -- If set at 350F, temp went to 300, dropped to 225.Repaired
Rindge, New Hampshiretemp prob okay - element 0kay - oven temp off more than 75*Replaced with reconditioned timer
Rindge, New HampshireTemp off - Probe ohms okay - elements okay -Replaced with reconditioned timer
Springfield, Virginiaget intermittent f1 when not in use.
I hit cancel and it stops the alarm.
Beyond Repair

Common problems for Maytag CRE9600ACL Timer Repair

Are you encountering a similar problem as them? Contact us now and we will try to help you fix your CRE9600ACL timer-related problem.
I have a model CRE9600ACL and the oven temperate on the control starts at 355 degrees and climbs to 550 and shuts off. The oven therometer I use shows it's only about 200 degrees. Is the temparture sensor bad or is it the Control/clock?
How do I install an oven temp sensor for a Maytag electric oven cre9600acl. I am trying to solve the problem of F1 errors. Thanks, Kim
i have an electric range model cre9600acl/serial a14010469kb. the oven works perfectly but i am having problems with the oven. it is taking forever to reach the necessary degree i need to cook. the top element heats up but the lower element does nothing at all. it is also a self cleaning oven
I have a Maytag CRE9600ACL oven which intermittantly fails with fault code F2 (or sometimes F3 if using the oven). I replaced the oven temperature sensor but that did not fix it. I checked the wires and connections back to the relay control board and found no problem (1000 ohm resistance through temp sensor, measured at the connector which attaches to the control board. It works sometimes, but other times goes into fault mode and stays there until I cut the power for a while. We made it through Cristmas (with an assist from the gas grill) but this is getting very annoying. suggestions?
Hi I have a Maytag oven (Model #CRE9600ACL). The temperature is off by about 150-200 degree. I did a test by setting the oven at 350 degrees, but even after one hour the temperature only reached 150 degrees. Only if the oven is set at 525 degrees does it finally reach the desired temperature. I have replaced the broiler and oven heating elements. Please let me know what if you believe the sensor or the clock mechanism needs replaced. I have found out that the clock mechanism has been discontinued, but have found a site that will rebuild the part. Any feedback would be greatly appreciated. Thank you for your time. Mike
Maytag oven, when you set it to bake at 400 degrees after 30 minutes, temperature in oven, while warm, is not 400 degrees. What part needs to be replaced?
Both the broil and the bake elements stopped working at the same time. I bought new elements, and they are not working either. What else can I do?
My maytag oven started displaying an F1 error code whenever I tried to set an oven temperature. I tested the temperature sensor as recommended in some of the forums and it was testing low, right around 800. I replaced that and now the error code has gone away but I'm not getting any heat when I try and turn on the oven. Any thoughts on what the problem might be? Is it even something worth fixing?
oven will heat to desired temp but will not maintain. I tried a new element which did the same thing
oven works, oven light works, but the clock is not lit and the oven won’t turn on. It's a temporary rental and unit was working fine this AM - PM it's not. I read somewhere about a lockout feature? Could this have anything to do with it, or is that part of the self-cleaning feature? I found an old manual on Maytag, but that wasn't helpful. I'm a finance guy, but reasonably handy. Any advice is much appreciated!
the top right button that controls the oven temperature shows oven temperature as its heating up to desired temp, but shuts off as its heating up,
the bottom element heats to selected tempature but will not maintain it????????????? HELP!!!!!!!!
Maytag electric oven CRE9600ACE. The oven is 175 degrees COLD at 450. (reads 275 on a good oven thermometer). Sensor resistance is O.K. (1100 ohms @ 85 degrees – 1600 ohms @350 degrees) Tested it in a different oven at 350 degrees. Grids glow in “Broil” and “Bake.” I am thinking the problem must be in the clock module. Any other ideas cheerfully considered.