Maytag CRE9400ACL Timer Repair

What is the timer/clock part number for the Maytag CRE9400ACL Range?

Timer part number 7601P224-60 for Maytag CRE9400ACL

The CRE9400ACL Range uses timer part number 7601P224-60.

Do you have a failed Maytag CRE9400ACL control panel? Click here:

Request Appliance Timer Service

We can repair or replace your faulty Maytag CRE9400ACL timer.

CRE9400ACL are also sometimes referred to using these Alternative Names/Model numbers

Whirlpool CRE9400ACL Range

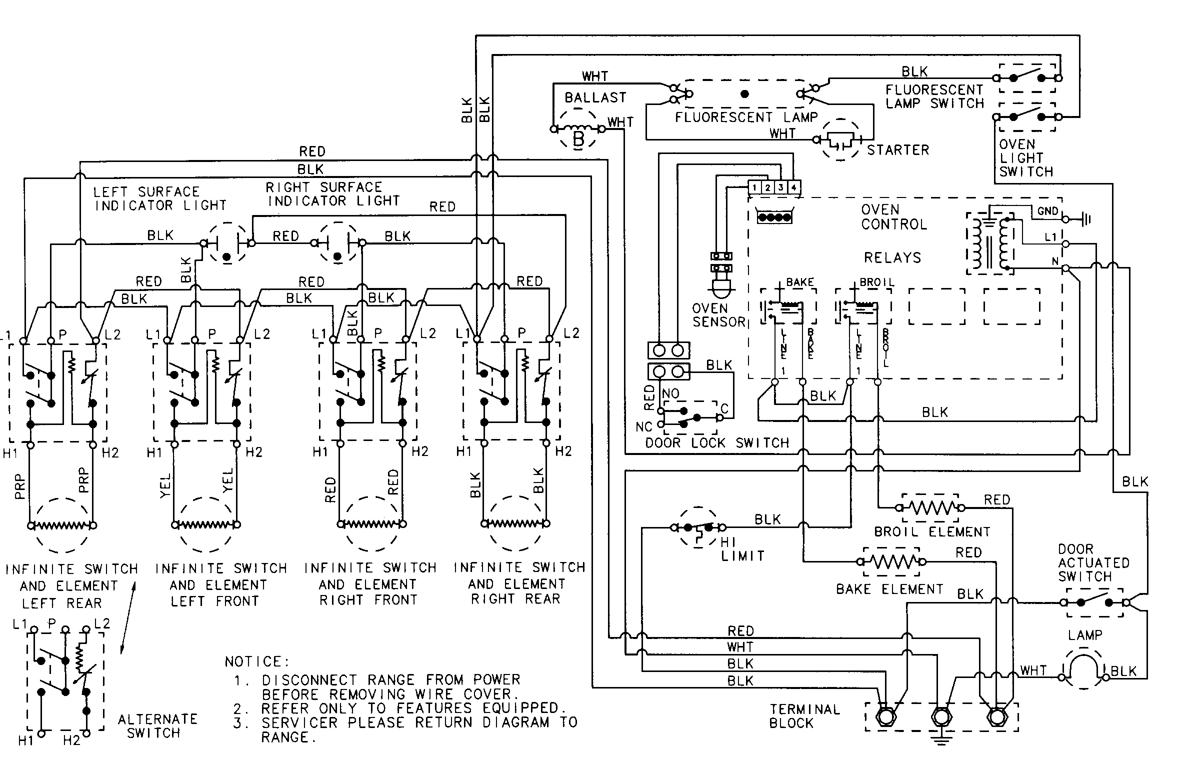
CRE9400ACL Schematic and Wiring Diagrams

Wiring information Parts diagram
CRE9400ACL Range Wiring information Parts diagram
Control panel Parts diagram
CRE9400ACL Range Control panel Parts diagram
Top assembly Parts diagram
CRE9400ACL Range Top assembly Parts diagram
Body Parts diagram
CRE9400ACL Range Body Parts diagram
Oven/base Parts diagram
CRE9400ACL Range Oven/base Parts diagram
Door/drawer Parts diagram
CRE9400ACL Range Door/drawer Parts diagram

Recent Service Requests

CityProblem DescriptionResolution
Huntingtown, MarylandF1 error keeps sounding offAwaiting receipt of timer
Huntingtown, MarylandF1 error keeps sounding offAwaiting receipt of timer
Manchester, MassachusettsOven temp only goes to about 100deg in Broil or bake mode
Please let me know if you have timers in stock or I need to send it back.
Thanks
Repaired
Duluth, MinnesotaOven will not come up to listed temperature...about 75-100 degrees too low.

Oven works, just not correct temp...I replaced the temp probe also.
Repaired
Anna, IllinoisCustomer says started beeping F-2 range was not in use and hadn't been used in a day or so. Tried temperature probe, still recieved F-2 code. Sometimes hours passed before it happened, sometimes sooner, they kept range unplugged.Timer inspected, no repairs necessary
Palo Alto, CaliforniaWhen plugged in, clock display is blinking. Press clock button, after a few seconds, buzzer starts beeping and Fo failure code appears. Problem first appeared three weeks ago. I jiggled all the connecting wires, and that seemed to fix it. Now the problem has reappeared, and no jiggling of wires will make it stop. So I removed the control and am sending it to you. This is not the original unit - it is a new replacement board bought in August of 2008; manufacting code on the board says it was made in late 2007.Awaiting receipt of timer

Common problems for Maytag CRE9400ACL Timer Repair

Are you encountering a similar problem as them? Contact us now and we will try to help you fix your CRE9400ACL timer-related problem.
I have a Maytag Model CRE9400ACL that keeps on beeping and flashing F-2, and F-4 and will not stop until I hit cancel. This shuts the oven off and is very frustrating. What can I do?
i have an old Maytag oven, model #CRE9400ACL and all of a sudden it threw the error F5. Do you know what that error means?
We have a Maytag Electric oven, Model CRE9400ACL. It is almost 16 years old, but has been used very little, due to us never home to cook. We recently retired and now can not get the oven to heat up to more than maybe, half way, even if we turn it up to max. 550 degree. What should take minutes to cook, will take 2 1/2 hrs. We had a repair man check it, and he said the temperature probe inside the oven area checked ok. the it may be a control board. He was suppose to get back with us but never did, and we can't get a hold of him. This range looks brand new, just can't use the oven. Can we still get parts? And what would be causing this problem? Thank You For Any Help You Can Give Us.
i have a model CRE9400ACL. The display flashes -F1- and there s a beep sound.