Frigidaire Range CPES389CC2 Timer Repair

What is the timer/clock part number for the Frigidaire CPES389CC2 Range?

Timer part number 318183603 for Frigidaire CPES389CC2

The CPES389CC2 Range uses timer part number 318183603.

Do you have a failed Frigidaire CPES389CC2 control panel? Click here:

Request Appliance Timer Service

We can repair or replace your faulty Frigidaire CPES389CC2 timer.

CPES389CC2 are also sometimes referred to using these Alternative Names/Model numbers

Electrolux CPES389CC2 Range, CPES389DC4, CPES389DC5

CPES389CC2 Schematic and Wiring Diagrams

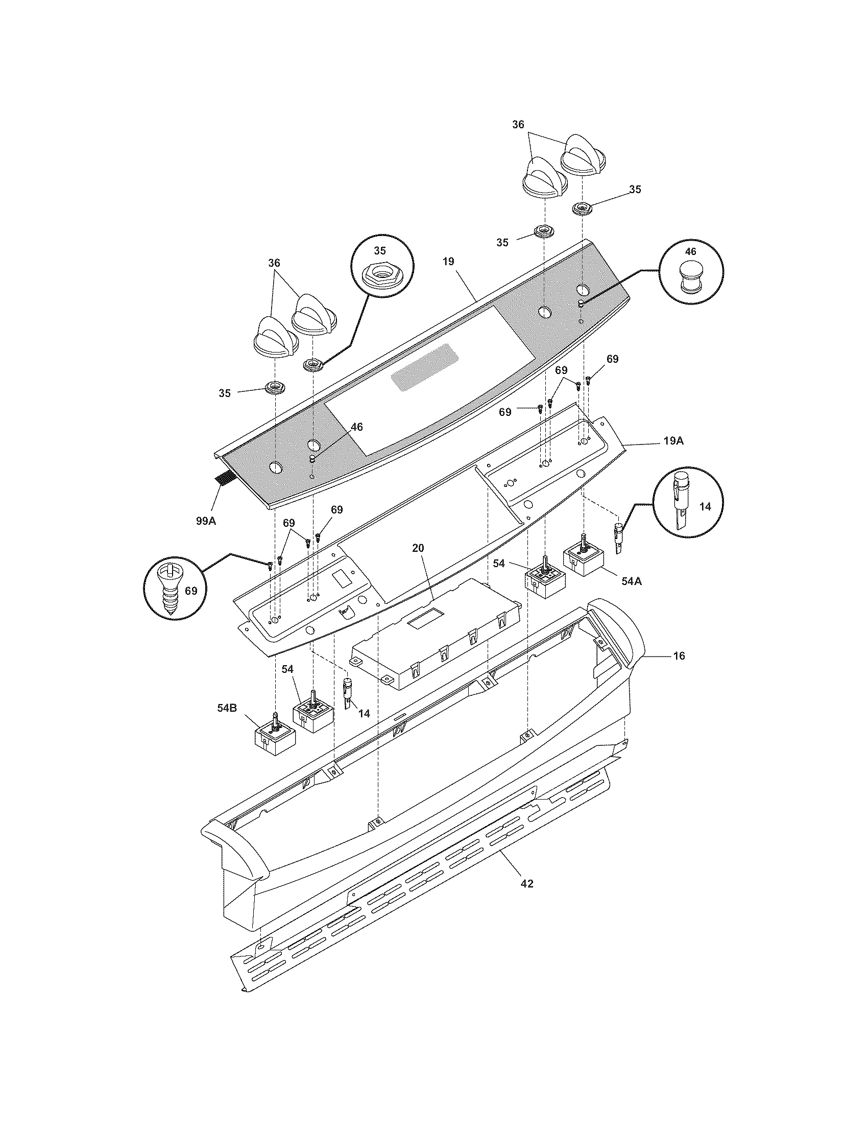
Backguard Parts diagram
CPES389CC2 Range Backguard Parts diagram
Body Parts diagram
CPES389CC2 Range Body Parts diagram
Top/drawer Parts diagram
CPES389CC2 Range Top/drawer Parts diagram
Door Parts diagram
CPES389CC2 Range Door Parts diagram
Wiring diagram Parts diagram
CPES389CC2 Range Wiring diagram Parts diagram

Recent Service Requests

CityProblem DescriptionResolution
Sherbrooke, QuebecElements bake and broil not heating
Convection fan turning
All Stovetop elements heating
Awaiting receipt of timer
Bailieboro, OntarioAny oven operation results in a PF (Power Failure) response.Repaired
Sainte-Julie, QuebecBurnt element made a big spark in the oven and may have burned some component on the control board. Troubleshooted temp probe and all element in the stove and all ok. Display still work but no heat in the oven.Awaiting receipt of timer
Markham, OntarioWas using the oven for about 3 hours. Heard a pop and breaker tripped. I reset the breaker and it showed the code F1. I unplugged it after. Plugged it back after a day and it shows no code. But, some buttons on the right bottom side don't work such as "Start", "0", "9", "Clear". This effective rendered the oven inoperable.Repaired
Charlottetown, Prince Edward IslandThe failure code often appears even when the range is idle.Repaired
charlottetown, Prince Edward IslandPF code often but not always appears after I start oven.Awaiting receipt of timer
Charlottetown, Prince Edward IslandThe failure Code "PF" often, but not every time, appears after the oven has been heated for awhile.Awaiting receipt of timer
Carignan, QuebecWhen we press the clock or time button we are receiving an F1 error code.Awaiting receipt of timer
St Eugene, OntarioTimer is non responsive and oven is not functioning. Timer readout is no longer legible.Awaiting receipt of timer
Parksville, British ColumbiaShuts off when bake is used
Appliance tech said he thought the bake relay was bad as unit works on the broil relay
Awaiting receipt of timer
Toronto, OntarioControl appears to work normally turning on broil, bake or convection. Convection fan runs but no heat is generated on any setting - does not seem to be power coming to elements which have all been tested for continuity. Cooktop works fine.Repaired
Trenton, Ontariotimer caught fire and burnt upAwaiting receipt of timer
St-Jerome, QuebecInternal electronic burnedAwaiting receipt of timer
Maple, OntarioThe Timer is no longer functional.Replaced with reconditioned timer
Cardston, Albertaoven stays in pre-heat, and never fully heatsAwaiting receipt of timer
Newport, Nova ScotiaAll stovetop, timer and control functions work properly. Neither oven elements or lower warming drawer work.Awaiting receipt of timer
Montreal, QuébecBlown timerReplaced with new in-stock timer
Anjou, QuébecWhen I turn on my stove model CPES389CC2, the stove only preheats but does not actually get to the temperature I requested. This is for baking and broiling. My stove top elements work fine.Awaiting receipt of timer
Toronto, OntarioA POP was heard and then the elements no longer worked. Digital display does.Awaiting receipt of timer
Toronto, Ontarionot all buttons seem to accept input. for example pressing bake is ok then entering a tempature is ok but pressing start does nothing. Same with say setting the clock time. The time works it's just wrong, you can input new numbers but the start button will not set the new time.
We courried the unit to you and you should have recieved it yesterday Nov 26, 2014
Repaired

Common problems for Frigidaire Range CPES389CC2 Timer Repair

Are you encountering a similar problem as them? Contact us now and we will try to help you fix your CPES389CC2 timer-related problem.
frigidaire proffesional series range. model# XXXXX range top works fine, however oven wont work at all (bake or broil) digital settings to control the oven and temperatures.
Frigidare professional CPES389CC2 the oven would not heat up. no error code.